气制动系统用尼龙(聚酰胺)管(以下简单管子)的耐脉冲疲劳性试验要求及步骤:
1、试样要求
管子自由长度为 300mm±5mm 的管总成六根。
2、试验条件
——加压介质:惰性压力介质(水压);
——外部介质:空气;
——试验压力:从低于 0.2MPa 的压力值到最大工作压力的 133%;
——试验频率:0.5Hz 到 1Hz。
3、试验结构示意图
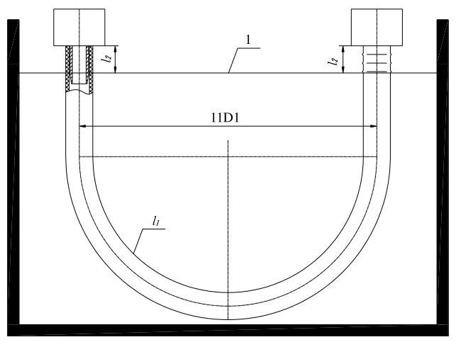
试验的结构示意与“应力开裂试验”的相同(见图 1)。

注:1——溶液的水平面。
图 1 应力开裂示意图
4、试验步骤
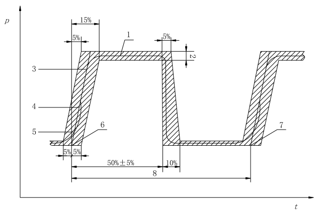
4.1 在 100℃±2℃ 环境温度下,按照图 2 从低于 0.2MPa 的压力值施加到最大工作压力 133% 的压力值。

标引序号说明:
1——试验压力;2——试验压力的 ±5%;3——试验压力的 85%;4——压力上升的切线;
5——试验压力的 15%;6——0 点;7——0 点;8——一次冲击循环。
图 2 脉冲压力循环示意图
4.2 重复 400 000 次循环。试验期间允许管子自由移动(自然晃动)。
4.3 疲劳试验完成后,按照“爆裂强度试验”进行管总成在 23℃ 和 100℃下 的爆裂强度试验。
5、性能要求
5.1 试样不应出现失效或泄漏。
5.2 按照“爆裂强度试验”步骤进行爆裂强度试验的结果应满足:
a)在 23℃ 下,三根试样的爆裂强度试验结果应满足表 1 中环境试验后室温(23℃)的耍求。
b)在 100℃ 下,另外三根试样爆裂强度试验结果应满足表 1 中环境试验后 100℃ 的要求。(除最小爆破压力不满足外,脆性破裂、任何泄漏或端部管件的拔脱或卷曲也应视为失效。
表 1 爆裂强度
| 序号 | 尼龙管规格(mm) | 爆裂强度(MPa) | |||
| 室温(23℃) | 环境试验后室温(23℃) | 100℃环境试验后 | 100℃ | ||
| 1 | 5×1 | ≥7.60 | ≥6.00 | ≥4.75 | ≥3.80 |
| 2 | 6×1 | ≥7.60 | ≥6.00 | ≥4.75 | ≥3.80 |
| 3 | 8×1 | ≥6.20 | ≥5.00 | ≥3.88 | ≥3.10 |
| 4 | 10×1.25 | ≥6.00 | ≥5.00 | ≥3.75 | ≥3.00 |
| 5 | 12×1.5 | ≥6.90 | ≥5.50 | ≥4.31 | ≥3.45 |
| 6 | 14×1.5 | ≥6.00 | ≥5.00 | ≥3.75 | ≥3.00 |
| 7 | 16×2 | ≥6.00 | ≥5.00 | ≥3.75 | ≥3.00 |