气瓶水压试验方法有耐压试验、外测法及内测法三种,对应不同的试验装置,今天我们来学习下,这三种试验装置有什么不同。
首先,我们先来学习三个定义:
a)耐压试验 pressure proof test
对受试瓶加压至其水压试验压力且保压规定时间后的安全承载能力进行试验验证的过程。
b)外测法 water jacket method
将受试瓶放入特制的专用水套内加压至其水压试验压力且保压规定时间,通过水套溢出的水量和泄压后余下的溢水量来测定受试瓶的容积全变形、容积弹性变形和容积残余变形的试验方法。
c)内测法 direct expansion method
对受试瓶进行加压至其水压试验压力且保压规定时间,通过加压后的压入水量和泄压后的水量测量仪表指示值来测定受试瓶的容积全变形、容积弹性变形和容积残余变形的试验方法。
三种气瓶水压试验方法对应的三种气瓶水压试验装置典型的流程图:
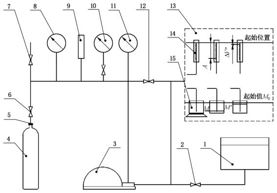
1、耐压试验装置典型流程见图 1。

标引符号说明:
1——试验用水水槽;2——进水阀;3——排水阀;4——加压装置;5——受试瓶;6——专用接头;
7——压力表;8——截止阀;9——标准压力表;10——加压装置前压力表。
图 1 耐压试验装置典型流程图
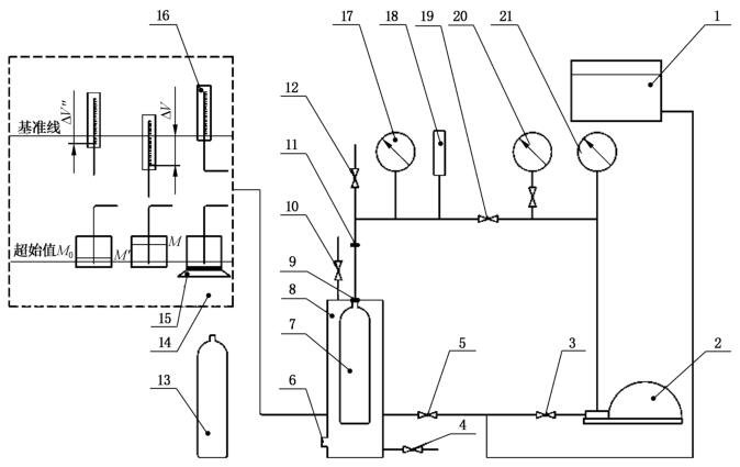
2、外测法试验装置典型流程见图 2。

标引符号说明:
1——试验用水水槽;2——加压装置;3——泵进水阀;4——排水阀;5——水套进水阀;6——安全泄放口;
7——受试瓶;8——水套;9——专用接头;10——排气阀;11——活接头;12——泄压阀;
13——标准瓶;14——水量测量仪表;15——电子天平;16——量筒;17——压力表;
18——压力变送器;19——截止阀;20——标准压力表;21——加压装置前压力表。
图 2 外测法试验装置典型流程图
3、内测法试验装置典型流程见图 3。

标引符号说明:
1——试验用水水槽;2——加水阀;3——加压装置;4——受试瓶;5——专用接头;6——隔离阀;
7——排气阀;8——压力表;9——压力变送器;10——标准压力表;11——加压装置前压力表;
12——泄压阀;13——水量测量仪表;14——量筒;15——电子天平。
图 3 内测法试验装置典型流程图