内燃机全流式机油滤清器滤芯旁通阀特性的试验,试验规定使用两种翁度的机油,以评定滤芯旁通阀在使用低温机油和常用工作温度机油时的性能。
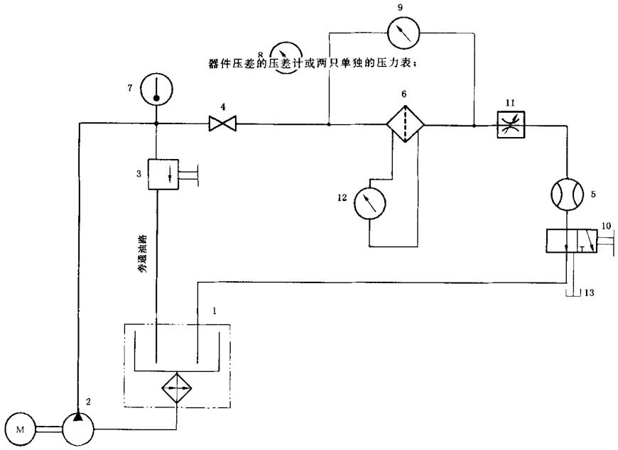
今天我们来学习关于内燃机全流式机油滤清器-滤芯旁通阀特性试验台的相关要求的内容,图 1 为试验台的总体布置图,它应包括 1~5 中所述的零部件,以及必需的管道、接头和支承等。

标号说明:
1——装有恒温控制式加热器和冷却器的油箱(最好隔热);2——电动泵;3——调节阀(调节压力用);
4——开关阀;5——流量计;6——试验滤清器;7——与温度指示仪连接的温度传感器;8——压力表;
9——测量滤清器旁通元器件压差的压差计或两只单独的压力表;
10——设置在滤清器出油管上,将机油引入量筒中的取样阀;
11——调节阀(调节流量用);
12——需要时用以测量滤清器旁通元器件压差的压差计或两只单独的压力表;
13——自然放油管。
图 1 试验台总体布置图
1、油箱
油箱应能贮存足够的机油,并应装有恒温控制式加热器和冷却器,以保持稳定的试验温度。加热器的布置应避免使机油局部过热。当机油循环时,旁通至油箱的回油管和滤清器的出油管,其终端均应低于油箱液面。应调节温度使机油豁度保持在规定范围内。
2、调节阀
调节阀 3 和 11 系用于控制压力和流量,推荐采用针阀或膜片阀。
3、流量计
流量计应适宜使用运动粘度为 24mm²/s1)和 500mm²/s 的机油,并应记录通向滤清器管路中的流量。另外也可将流量计安装在滤清器出口管路中,并可用一只校准量筒和秒表进行测量。
4、滤清器进出油管
进出油管孔径应与滤清器进出油孔尺寸相同,或者由滤清器制造厂与用户共同商定进出油管的尺寸,例如与发动机机体上安装滤清器的孔口相一致。
测量整套滤清器压差的螺孔应设置在滤清器进油孔上游 5 倍管径处和滤清器出油孔下游 10 倍管径处。在滤清器进出油孔上游 8 倍管径和下游 13 倍管径范围内的进出油管应为直管段,不得有任何阻挡。
5、取样阀放油管
为了避免在测量泄漏量时使整套滤清器的出油管放空,应将取样阀 10 的自然放油管与试验滤清器置于同一高度上。
注:放油管未在图 1 中表明。