液压舵机推舵液压缸包括往复式双作用活塞式推舵液压缸和往复式单作用柱塞式推舵液压缸。今天我们来学习其试验原理及试验条件的内容。
1、试验原理
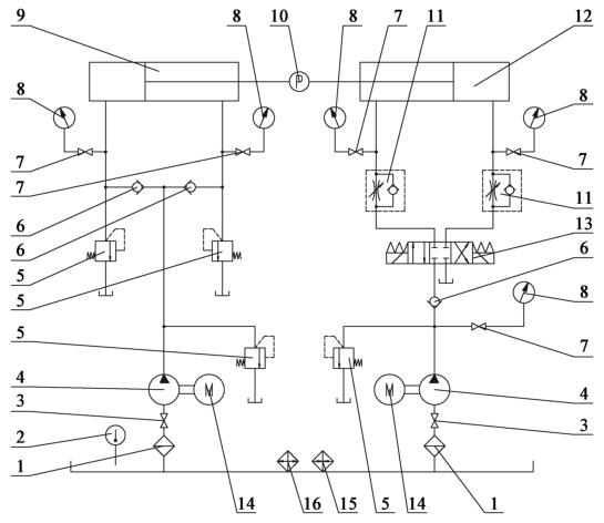
双作用活塞式液压缸型式检验的液压系统原理见图 1,出厂检验的液压系统原理见图 2;单作用柱塞式液压缸型式检验及出厂检验的液压系统原理见图 3。相应液压系统原理也可采用其他等效的系统。

说明:
1——过滤器;2——温度计;3——截止阀;4——液压泵;
5——溢流阀;6——单向阀;7——压力表开关;8——压力表;
9——加载液压缸;10——测力计;11——单向节流阀;12——被试液压缸;
13——换向阀;14——电动机;15——加热器;16——冷却器。
图 1 双作用活塞式液压缸型式检验的液压系统原理

说明:
1——温度计;2——电动机;3——压力表开关;4——压力表;
5——换向阀;6——单向节流阀;7——被试液压缸;8——测力计;
9——加载液压缸;10——单向阀;11——溢流阀;12——液压泵;
13——截止阀;14——过滤器;15——加热器;16——冷却器。
图 2 双作用活塞式液压缸出厂检验的液压系统原理

说明:
1——温度计;2——电动机;3——溢流阀;4——单向阀;5——换向阀;
6——单向节流阀;7——压力表开关;8——压力表;9——被试液压缸;10——液压泵;
11——截止阀;12——加热器;13——冷却器;14——过滤器。
图 3 单作用柱塞式液压缸型式检验及出厂检验的液压系统原理
2、试验条件
2.1 试验台
型式检验、出厂检验均应在专门设计的试验台上进行。
2.2 液压介质
试验时液压介质温度除特殊情况外,应保持在 50℃±5℃ 范围内。液压介质运动黏度在 50℃ 时为 27mm²/s~43mm²/s;液压介质固体颗粒污染度等级代号不高于 -/19/16;液压介质不应锈蚀液压缸本体。
2.3 清洁度
2.3.1 所有零部件应清洗,不应残留毛刺及其他杂物。液压缸内腔污染颗粒质量(行程按 1m 计算)应不大于表 1 的规定。
表 1 清洁度要求
| 内径(mm) | 污染颗粒质量(mg) | 内径(mm) | 污染颗粒质量(mg) |
| 40~63 | 35 | 180~280 | 135 |
| 80~100 | 60 | 320~500 | 260 |
| 125~160 | 90 | - | - |
2.3.2 当行程超过 1m 时,液压缸内腔污染颗粒质量应不大于公式(1)计算出的数值。
m=0.5(1+L)G · · · · · · · · · · · · · · · · (1)
式中:
m——液压缸内腔实际污染颗粒质量的数值,单位为毫克(mg);
L——液压缸行程的数值,单位为米(m);
G——表 1 中液压缸行程为 1m 时内腔污染颗粒质量的限值,单位为毫克(mg)。
2.3.3 当行程不足 1m 时,液压缸内腔污染颗粒质量应不大于公式(2)计算出的数值。
m=LG · · · · · · · · · · · · · · · · (2)