气动 电-气压力控制阀的动态特性试验方法:
1、阶跃响应
1.1 试验回路
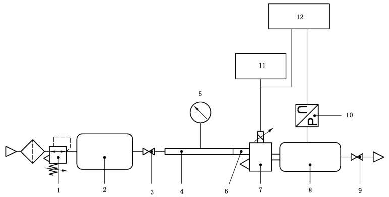
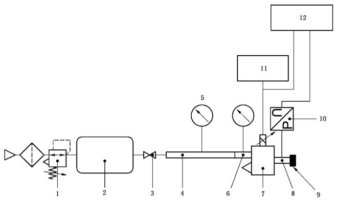
1.1.1 带气罐和不带气罐测试的被测元件的典型试验回路,见图 1 和图 2。
1.1.2 与被测元件连接的试验气罐的接口直径至少应与被测元件的出口相等。
1.1.3 被测元件出口与气罐之间的管路应尽可能短。
1.1.4 用于减小进气压力波动的缓冲气罐 2 应尽可能接近被测元件的进口。
1.1.5 压力传感器 10 是安装于气罐气口上的外部测量装置,应垂直于气罐进气口,见图 1。
在不带气罐回路中,外部压力传感器应安装在有带测压口的管接头上,见图 2,接头的长度(容积)应尽可能短(小)。
注:若被测元件已带有外部传感器,则将该传感器置于同一位置作为测量传感器使用。
1.1.6 使用示波器或其他适当仪器记录与时间有关的电信号和压力变化的响应时间。

标引序号说明:
1——气动减压阀;2——缓冲气罐;3、9——截止阀;4——测压管;5、10——压力表或传感器;
6——进气转换接头;7——被测元件;8——试验气罐;11——信号发生器;12——记录仪。
图 1 带气罐的动态特性试验回路

标引序号说明:
1——气动减压阀;2——缓冲气罐;3——截止阀;4——测压管;5、10——压力表或传感器;6——上游转换接头;
7——被测元件;8——带测压口的管接头;9——堵头;11——信号发生器;12——记录仪。
图 2 不带气罐的动态特性试验回路
1.2 试验程序
1.2.1 按被测元件的气口规格,从表 1 中选择相应的气罐。
1.2.2 按图 1 安装被测元件。按要求施加进口压力 p1,进口压力应满足要求。
1.2.3 电信号由 0 切换至 100% 满量程。在气罐充气过程中,记录电信号和气罐测得的压力变化,直至罐中的压力稳定。
1.2.4 电信号由 100% 满量程切换至 0。在气罐排气过程中,记录电信号和气罐测得的压力变化,直至罐中的压力稳定。
1.2.5 以下列电信号重复试验程序 1.2.3 和 1.2.4:
——25%~75%;
——45%~55%。
1.2.6 从表 1 中选取另外两种容积的气罐重复 1.2.2~1.2.5。
1.2.7 按图 2 安装不带气罐的被测元件。按要求施加进口压力 p1,进口压力应满足要求。重复 1.2.3~1.2.5。
表 2 与控制阀气口规格相对应的试验气罐容积
| 气口规格 | 试验气罐容积 dm³ | |||
| G1/8 | 0 | 0.02 | 0.1 | 0.5 |
G1/4、G3/8 | 0 | 0.1 | 0.5 | 2 |
G1/2、G3/4 | 0 | 0.5 | 2 | 10 |
| ≥G1 | 0 | 2 | 10 | 20 |
1.3 特性计算
1.3.1 充气特性曲线
按相同的时间为三种气罐充气,对不带气罐的数值也绘制在同一图中,绘制出四种容积的充气状态过程对压力变化的时间响应,见 GB/T 39956.1-2021 图 5。
以电信号切换点作为时间参照。
1.3.2 排气特性曲线
按相同的时间为三种气罐排气,对不带气罐的数值也绘制在同一图中,绘制出四种容积的排气状态过程对压力变化的时间响应,见 GB/T 39956.1-2021 图 6。
以电信号切换点作为时间参照。
1.3.3 充气特性
由 1.3.1 得到的充气特性曲线,在两种压力响应情况下,确定控制步骤和四种容积之间的切换时间、响应时间、稳定时间和超调量,见图 3。
把这些数值写成报告,格式见 GB/T 39956.1-2021 表 2。
1.3.4 排气特性
由 1.3.2 得到的排气特性曲线,在两种压力响应情况下,确定每个控制步骤和四种容积之间的每一个切换时间、响应时间、稳定时间和负超调量,见图 4。
把这些数值写成报告,格式见 GB/T 39956.1-2021 表 2。

| a)无振荡的压力响应 | b)带振荡的压力响应 |
标引序号说明:
X——时间,s;Y——气罐压力,%。
a 切换时间;b 稳定时间;c 响应时间;d 超调量,%。
图 3 充气特性压力响应

| a)无振荡压力响应 | b)带振荡的压力响应 |
标引序号说明:
X——时间,s;Y——气罐压力,%。
a 切换时间;b 设定时间;c 响应时间;d 负超调量。
图 4 排气特性压力响应
1.2 频率响应
2.1 试验回路
用于频率特性的试验回路与阶跃响应的试验回路相同,见图 1、图 2。
试验气罐容积从表 1 中选取。
2.2 试验程序
2.2.1 根据被测元件的气口规格,从表 1 中选取相应的气罐。
2.2.2 按图 1 安装被测元件。按要求施加进口压力 p1,进口压力应满足要求。
2.2.3 输入频率为 0.1Hz 的正弦电信号,产生最大调节压力 50% 且振幅为满量程 10% 的压力正弦波(即在 45%~55%),同时记录电信号的变化和气罐测得的压力变化。如有必要,调节电信号的中心值,以便在两个恒定值之间保持压力振荡。如果 0.1Hz 还是太高,频率的起始值可以再降低。
2.2.4 与电信号给出的设定信号相比较,确定气罐压力信号的振幅特性(dB)和相位滞后特性(°)。
2.2.5 逐步增加电信号的频率,同时保持其振幅恒定。
2.2.6 记录气罐压力的振幅特性以其相位滞后随控制信电信号的变化。分别记录下列对应的频率:
——-3dB(振幅比等于 0.7);
——-90°。
2.2.7 用大约 15 个不同频率重复 2.2.5 和 2.2.6,直至达到 -15dB 振幅衰减(振幅比等于 0.18)。
2.2.8 输入频率为 0.1Hz,产生约最大调节压力 50% 的正弦电信号重复 2.2.4~2.2.7,其振幅为 50%(25%~75%)和 90%(5%~95%)。如有必要,调节电信号的中心值,以便在两个恒定值之间保持压力振荡。
2.2.9 按表 1 选取两个其他容积的气罐,重复 2.2.2~2.2.8。
2.2.10 按图 2 安装被测元件。按要求施加进口压力 p1,重复 2.2.3~2.2.8。
2.3 频率响应特性曲线
2.3.1 每个容积和每个电信号振幅,根据 2.2 描述的程序所得到的结果绘制波德图(Bode dia-grams)。
2.3.2 对于给定容积,将不同振幅的曲线绘制在同一图表中,见 GB/T 39956.1-2021 图 7。
2.3.3 一个容积值对应一个图表。
2.4 特性频率
每个容积和每个电信号振幅,衰减 3dB 和 -90° 所对应的频率值由 2.3 得到的特性曲线分别确定并记录,记录表见 GB/T 39956.1-2021 表 3。