加氢枪 hydrogen refueling nozzle,安装在加氢机加氢软管末端,用于连接加氢机与车辆的加注接口。燃料电池电动汽车加氢枪是以压缩氢气为工作介质、额定工作压力不超过 70MPa、介质温度为 -40℃~85℃ 的燃料电池电动汽车加氢枪。
今天我们来学习该型加氢枪耐久性试验方法的内容。
1、加氢枪
对加氢枪进行 100 000 次循环,1 个循环的定义为:
a)正确地将加氢枪连接到试验设备上;
b)将连接装置加压至最大工作压力;
c)将连接装置泄压;
d)断开连接。
在断开连接时,试验设备对加氢枪随机旋转或以一定角度递增模式旋转。
在每 15 000 次循环间隔时替换松、紧配合试验设备,试验设备从表 1 中选择。
加氢枪可在每 15 000 次循环间隔时更换易损件,例如:橡胶密封件、密封垫片、与加氢口配合的密封零件等。
表 1 用于加氢枪寿命试验的设备选择
| 循环次数/千次 | 图示 | 配合方式 |
| 0~15 | 图 A | 紧配合 |
| >15~30 | 图 A | 紧配合 |
| >30~45 | 图 B | 松配合 |
| >45~60 | 图 B | 松配合 |
| >60~75 | 图 A | 紧配合 |
| >75~90 | 图 A | 紧配合 |
| >90~100 | 图 B | 松配合 |
在 100 000 次循环试验后,加氢枪与加氢口(符合 GB/T 26779-2021 中附录 A 的要求)连接,以 1.5 倍额定工作压力额外进行 10 次压力循环。完成 10 次额外压力循环后,在正常断开压力下检查加氢枪的锁止机构,确保其与加氢口正常连接。
2、连接装置
将连接装置接到试验设备上,加氢口的出口与大气相通,加氢枪的进气口连接泄漏试验气源。
每个连接装置进行 30 次循环,一个循环为 2s。每个循环开始于额定工作压力(相当于最高气流工况),在每个循环末期,气源压力不能低于工作压力的 80%,试验期间气源系统不能限制流量。

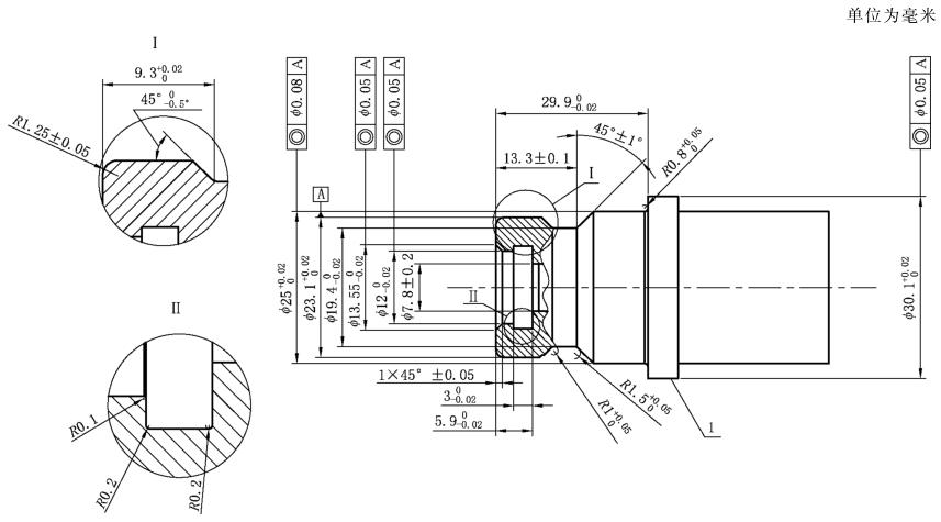
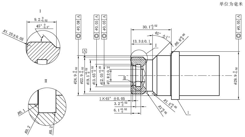
标引序号说明:
1——止动环。
材料为 316L 不锈钢,最小 80B 洛氏硬度(HRB),表面粗糙度 0.4μm±0.05μm,密封面表面粗糙度 0.8μm±0.05μm,止动环厚度应大于 5mm。
图 A.1 JQK-35-25/12 紧配合试验设备

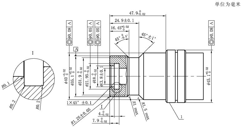
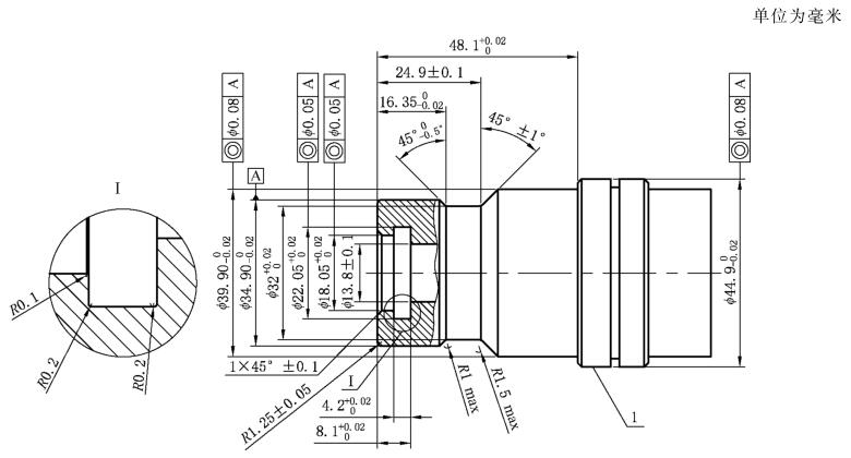
标引序号说明:
1——止动环。
材料为 316L 不锈钢,最小 80B 洛氏硬度(HRB),表面粗糙度 0.4μm±0.05μm,密封面表面粗糙度 0.8μm±0.05μm,止动环厚度应大于 5mm。
图 A.2 JQK-35-40/18 紧配合试验设备

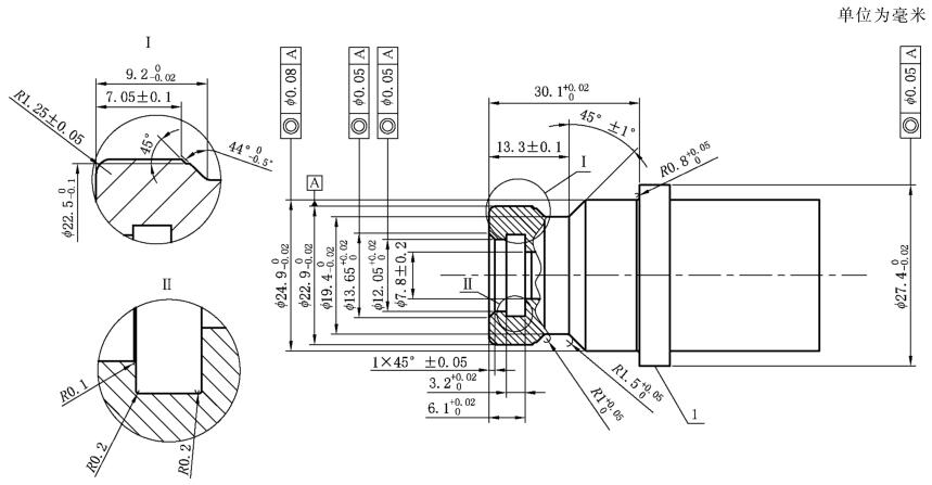
标引序号说明:
1——止动环。
材料为 316L 不锈钢,最小 80B 洛氏硬度(HRB),表面粗糙度 0.4μm±0.05μm,密封面表面粗糙度 0.8μm±0.05μm,止动环厚度应大于 5mm。
图 A.3 JQK-35-25/12HF 紧配合试验设备

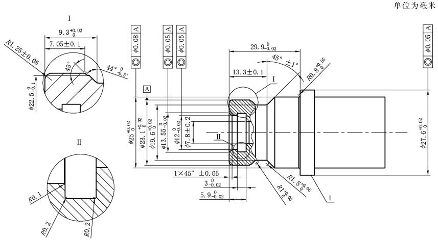
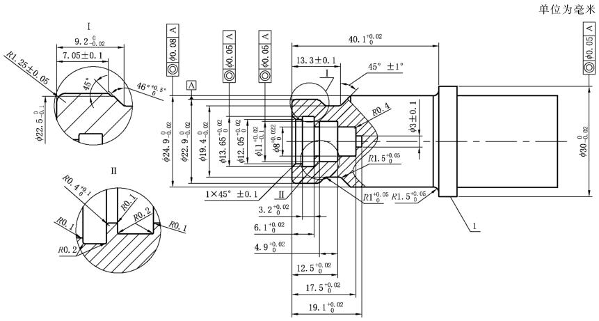
标引序号说明:
1——止动环。
材料为 316L 不锈钢,最小 80B 洛氏硬度(HRB),表面粗糙度 0.4μm±0.05μm,密封面表面粗糙度 0.8μm±0.05μm,止动环厚度应大于 5mm。
图 A.4 JQK-70-25/12 紧配合试验设备

标引序号说明:
1——止动环。
材料为 316L 不锈钢,最小 80B 洛氏硬度(HRB),表面粗糙度 0.4μm±0.05μm,密封面表面粗糙度 0.8μm±0.05μm,止动环厚度应大于 5mm。
图 B.1 JQK-35-25/12 松配合试验设备

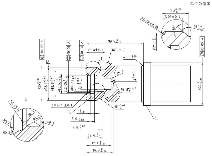
标引序号说明:
1——止动环。
材料为 316L 不锈钢,最小 80B 洛氏硬度(HRB),表面粗糙度 0.4μm±0.05μm,密封面表面粗糙度 0.8μm±0.05μm,止动环厚度应大于 5mm。
图 B.2 JQK-35-40/18 松配合试验设备

标引序号说明:
1——止动环。
材料为 316L 不锈钢,最小 80B 洛氏硬度(HRB),表面粗糙度 0.4μm±0.05μm,密封面表面粗糙度 0.8μm±0.05μm,止动环厚度应大于 5mm。
图 B.3 JQK-35-25/12HF 松配合试验设备

标引序号说明:
1——止动环。
材料为 316L 不锈钢,最小 80B 洛氏硬度(HRB),表面粗糙度 0.4μm±0.05μm,密封面表面粗糙度 0.8μm±0.05μm,止动环厚度应大于 5mm。
图 B.4 JQK-70-25/12 松配合试验设备