气动 电-气压力控制阀的压力调节特性试验:
1、试验回路
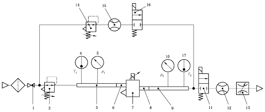
图 1 给出 的正向流量测试的测试回路适用于压力调节测试,1.1~1.6 规定的流量测试回路的一般要求同样适用本测试。
1.1 被测元件进口连接上游转换接头和测压管,排气口通到大气,出口连接转换接头和测压管,以便测量调节压力 p 2。
1.2 测压管和转换接头应按照 ISO 6358-1 的规定。
1.3 图 1 的元件 1~6 是用于测定正向流量的试验回路的上游部分,也用于测定溢流流量。
1.4 图 1 的元件 8~13 是用于测定正向流量的试验回路的下游部分。
1.5 减压阀 2 和电磁阀 11 的声速流导至少应为被测元件正向声速流导的 2 倍。
1.6 流量计应始终位于被测元件的出口处。

标引序号说明:
1——截止阀;2——气动减压阀;3、9——测压管;4——温度计 T 1;5、10——压力表或传感器;
6、8——转换接头;7——被测元件;11、16——电磁阀;12——正向流量计;13——流量控制阀(用于正向流量);
14——气动减压阀(用于溢流流量);15——溢流流量计;17——温度计 T 2(用于溢流流量)。
注:如果被测元件已经有外部传感器在运行,将其自带传感器用作调节压力传感器。
图 1 压力调节特性的试验回路
2、试验程序
2.1 按图 1 安装被测元件, 安装前关闭截止阀、电磁阀和流量控制阀。
2.2 打开截止阀 1 并设定减压阀 2 , 施加进口 压力 p 1 使之高于被测元件的设定值, 但应不超过被测元件进口 承受能力。
2.3 从 0 开始递增电信号, 直至达到相当于调节压力满量程的 20% 。
2.4 打开电磁阀 11 。 调节流量控制 阀使通过的流量为最大流量 q v,f,max 的 10% 。 保持进口 压力 p 1 稳定。
2.5 减少进口 压力 p 1, 保持流量恒定, 利用压力表或传感器 10 测量相应的调节压力 p 2 , 直至达到允许被选取的流量得以保持的最低进口 压力。
2.6 以相当于调节压力满量程约 40%、60%、80%、100% 的电信号, 重复 2.1~2.5 步骤。 无流量变化情况下, 逐步递增电信号直至达到这些数值。
以上就是今天的分享!如果您对用于上述试验的阀门压力调节特性试验装置感兴趣,欢迎与我们联系!
