今天给大家带来的分享是关于金属和合金的腐蚀-海水管路的动水腐蚀试验程序的内容。方法适用于板状材料、管状材料及构件在天然海水中进行的管路动水腐蚀试验。
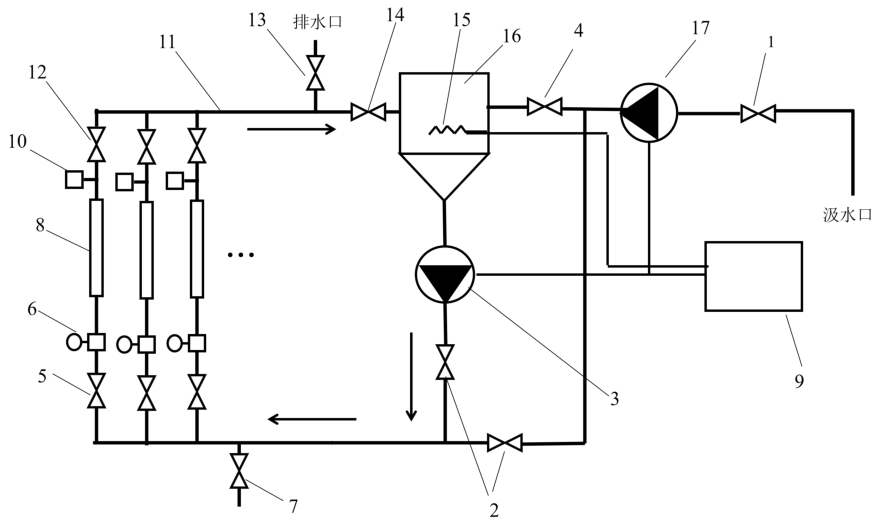
试验所采用的海水管路动水腐蚀试验系统示意图见图 1。对于不需要控制温度和泥沙含量等变量的试验,可直接从水源处吸取海水进行试验,不需安装贮水设施。

1——取水阀门;2——切换阀门;3——内循环水泵;4——切换阀门;5——阀门;6——流量计;7——水质测量阀门;
8——试验管路;9——系统控制柜;10——温度传感器;11——连接管路;12——阀门;13——排水阀门;
14——切换阀门;15——温控系统;16——贮水设施(应带有水量刻度标尺);17——外循环水泵。
图 1 海水管路动水腐蚀试验系统示意图
试验程序:
1、试验前准备
1.1 标识
动水腐蚀试样应在非试验表面进行标识,标识应避免引起局部腐蚀和应力腐蚀,但也应考虑到标识在试验过程中的脱落、磨损及腐蚀等情况。
1.2 预处理
1)电化学试样在非工作面可采用锡焊方法焊接或螺钉(非金属材质或含绝缘层的金属材质)连接测量导线,电连接要牢固。
2)电化学试样除工作面外,其他表面均应采用环氧树脂等进行绝缘密封,工作表面边缘不能有气泡或缝隙存在。
3)电化学试样用水砂纸由粗到细打磨,最后用 800 目的水砂纸打磨。经过打磨处理的试样表面用蒸馏水或去离子水充分洗涤,然后用脱脂棉蘸无水酒精或丙酮清洗,清除油污和其他杂质,烘干后迅速放置在干燥器内保存。动水腐蚀试样至少保存 24 小时以后再测量面积和称重。
4)动水腐蚀试样干燥后应采用精度为 ±1mg 的分析天秤称重。
1.3 初始检测
1)动水腐蚀试样称量,精确到 ±1mg。
2)试验样品尺寸的测量,长度、宽度/直径的测量精度为 ±0.05mm,厚度的测量精度为 ±0.02mm。
3)动水腐蚀试样应留存原始形貌与外观资料。
4)如有需要,电化学试样也应遵循 1.3 的操作。
2、试验
2.1 将组装好试样的试验台架装入系统试验管路中,检查系统密封及阀门的状态是否保证海水流动畅通。若进行电化学测试,则将电化学测量设备与试验台架正确电连接。
2.2 控制水泵电机的启动,调节电机转速和管路中的阀门,使管路中海水流速平稳的由低到高逐渐增加到试验流速。
2.3 若进行控制温度的试验,则通过温度控制装置使海水温度达到试验温度。
2.4 进行电化学试验时,试样需要在试验流速和试验温度条件下冲刷 30~40 分钟后开始进行试验。
2.5 试验期间根据试验要求控制管路中海水的流速和温度,流速控制应保值在设定值的 ±0.5m/s 范围内,温度控制应保持在设定值的 ±1℃ 范围内。
2.6 动水腐蚀实验结束后取出试验样品观察腐蚀形态,必要时应拍照记录。腐蚀产物清除具体方法参见 GB/T 10124 之附录 B。
2.7 试验结束后,排空管路内的海水,将试验管路从试验台架中移出,并回装相应尺寸的替换管段,同时使用淡水冲洗管路系统。
3、试验中断
当设备自身出现故障导致无法正常运转,或者试验受到台风、海啸、地震、赤潮等客观不可抗力的影响,导致试验无法正常进行或试验结果与正常情况结果偏离较大时,应中断试验。
4、试验终止
当继续进行试验已经被确认没有价值时,动水腐蚀试验应该终止。
5、最终检测
5.1 动水腐蚀试验
1)试验样品称量,精确到 ±1mg。(参见 GB/T 10125 中的描述)
2)试验样品的腐蚀形貌与外观资料,并照相/摄像保存。
3)如有需要,电化学试样也应遵循 5.1 的操作。
5.2 电化学试验
除试验另有要求外,电化学试验样品一般情况下不做最终检测。