今天给大家带来的分享是关于小型燃料电池车用低压储氢装置(以下简称:低压储氢装置)安全试验方法之一,爆破试验的内容。
低压储氢装置 low pressure hydrogen storage device,是一种外壳材料为不锈钢、铝合金或者其他合金(或金属)材料,内置储氢合金作为储氢介质,内容积不大于 3L、最高温升压力不大于 25MPa、工作温度不低于 -40℃ 且不高于 65℃ 的储氢装置。主要用于小型燃料电池车。
低压储氢装置的爆破试验要求及方法见如下内容。
1、试验要求
1.1 对 3 个低压储氢装置进行爆破试验。试验前清空低压储氢装置内部的储氢合金,保持装置内部清洁,并拆除与试验无关的附件。
1.2 试验装置应能自动绘制压力-时间曲线和压力-进水量曲线。
1.3 试验装置上的压力表或压力传感器的量程和精度应能满足要求,并经检验合格。
1.4 试验温度为室温,试验介质为洁净水。
2、试验程序
2.1 记录低压储氢装置的型号、额定容量、额定充氢压力等信息,测量记录试验介质温度和环境温度。
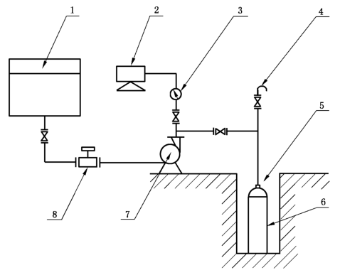
2.2 试验布置应满足图 1 的要求,将低压储氢装置充满洁净水,并排除装置和管路中的空气。
2.3 升压过程应缓慢平稳,并符合以下要求:
a)以小于 0.35MPa/s 的速度缓慢升压至低压储氢装置的 1.5 倍设计压力并保持 30s,观察低压储氢装置各部位是否发生变形;
b)继续以小于 0.35MPa/s 的速度缓慢升压直至低压储氢装置爆破。
2.4 试验完毕后,测量爆破口及其形状尺寸。

说明:1———水槽;2———控制柜;3———压力表;4———排气孔或泄压阀;
5———爆破坑或爆破筒;6———低压储氢装置;7———加压泵;8———计量装置。
图 1 低压储氢装置爆破试验布置图
3、合格指标
3.1 低压储氢装置在 1.5 倍设计压力下保压 30s 后,不发生可见变形。
3.2 低压储氢装置的爆破压力满足式(1)的要求:
P b≥2.4P d…………………………(1)
3.3 低压储氢装置爆破后保持为整体,无碎片产生。
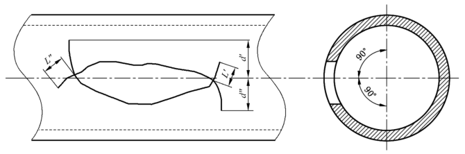
3.4 低压储氢装置为韧性破裂,破口无明显材料缺陷,并符合以下要求:
a)破口沿纵向开裂;
b)破口无分支;
c)破口环向延伸不超过 90°(见图 2);
d)破口未延伸至厚度为筒体壁厚的 1.5 倍处;
e)低压储氢装置的容器为凸形底时,破口不应延伸至容器的底部中心处。

说明:d'———第一象限半径长度;d″———第二象限半径长度;
L'———第一象限裂纹长度;L″———第二象限裂纹长度。
图 2 爆破裂纹的延伸
以上就是今天的分享!如果您对用于上述试验的低压储氢装置爆破试验台感兴趣,欢迎与我们联系!
