车用高压储氢气瓶组合阀门(以下简称组合阀门) assembly valve on high pressure hydrogen storage cylinder for vehicles,是一种由手动截止阀、自动截止阀、单向阀、温度驱动安全泄压装置(TPRD)以及温度传感器等部件组成的安装在车用高压储氢气瓶上的阀门。其工作压力不大于 70MPa、工作温度为 -40℃~85℃、固定在道路车辆上用作燃料箱的组合阀门。
下面我们来学习关于该型组合阀门气密性试验方法(真空舱法)的内容。
组合阀门按照以下的规定,在常温条件下分别在(2±0.5)MPa 和不低于 1.25p 的压力下进行气密性试验,试验介质为纯氦气。根据组合阀门的结构分别进行内漏和外漏试验。
合格指标:氦气漏率不应超过 7.5mL/h。
1、试验原理与方法
1.1 试验原理
将组合阀门与增压管路连接,置于真空舱体中。测试时,将组合阀门用纯氦气加压至试验压力,当组合阀门存在泄漏时,氦气进入真空舱并被吸入检漏仪,检漏仪显示出漏率。
1.2 检漏系统
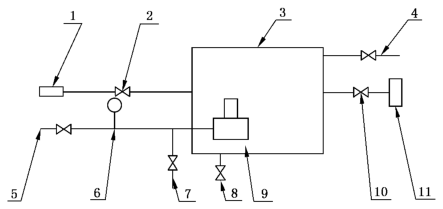
真空舱气密性试验系统原理图见图 1。

标引序号说明:
1——标准漏孔;2——标准漏孔前端阀门;3——真空舱;4——置换气体出口;5——增压管路;6——压力表;
7——排气管路;8——置换气体入口;9——组合阀门;10——检漏仪前端阀门;11——氦质谱检漏仪。
图 1 真空舱气密性试验原理图
2、试验装置、设备和仪器
试验装置、设备和仪器应满足以下要求。
a)检漏仪应采用氦质谱检漏仪,氦质谱检漏仪应满足 GB/T 13979 的技术要求。
b)标准漏孔应选择薄膜渗氦型标准漏孔,标准漏孔漏率 Q 应不大于 1×10-7Pa·m³/s。
c)真空舱容积应与组合阀门尺寸相适应,真空舱内表面应进行电化学抛光处理。
d)检漏系统校准完毕后,试验装置应具备直接显示系统有效最小可检漏率的功能。
e)试验装置应能自动、准确、实时地显示、记录和保存包括时间、压力和泄漏率等在内的试验数据,根据采集的泄漏率和时间数据,自动绘制时间、压力、泄漏率曲线图。时间、压力、泄漏率的数据采集频率不低于 3 次/s。实时存储的所有原始试验记录应不可更改。
3、一般要求
试验过程应满足如下要求:
a)氦质谱检漏仪在检漏前应按照使用说明书调整仪器各项工作参数,使仪器处于最佳工作状态;
b)试验时应实时显示、记录和保存包括时间、压力和泄漏率等在内的试验数据。
4、试验步骤
4.1 系统连接
按图 1 连接气密性试验系统,根据组合阀门容积选择容积相适应的真空舱,标准漏孔应安装在靠近组合阀门位置。保持标准漏孔前端阀门和检漏仪前端阀门处于关闭状态。
4.2 系统校准
开始气密性试验前应对系统进行校准,方法如下。
a)打开检漏仪前端阀门,启动检漏仪,打开标准漏孔直至氦质谱检漏仪信号稳定。
b)将标准漏孔开启至输出信号稳定的时间记录为检测时间 td,将稳定的仪器读数记为 M2。
c)将标准漏孔关闭,待氦质谱检漏仪读数稳定时记录背景读数 M1。
d)初始的系统灵敏度 S1 应按式(1)计算:
S1=Q/(M2-M1)…………………………(1)
式中:Q——标准漏孔漏率,单位为帕立方米每秒(Pa·m³/s)。
e)校准完成后,读取系统有效最小可检漏率,其数值应不大于标准漏孔漏率,同时应满足 M1×S1≤Q。
4.3 氦泄漏检测
4.3.1 保持标准漏孔前端阀门关闭,启动检漏仪,待氦质谱检漏仪读数稳定时记录背景读数 M5。当 M5×S1≤Q 时,继续测试。
4.3.2 用氦气将组合阀门增压至试验压力,完成增压后需静置。
4.3.3 完成静置后开始检测,达到检测时间 td 后,记录仪器输出读数 M6。若输出信号不稳定,延长检测时间至输出信号稳定。
4.4 检测系统最终校准
气密性试验工作完成后,应进行真空舱检测系统最终校准。将组合阀门内压力泄压至 0MPa,组合阀门仍放置在真空舱内并保持标准漏孔关闭,测定仪器读数 M3,再次开启标准漏孔,仪器输出读数增大至 M4。按式(2)计算最终的检测系统灵敏度 S2:
S2=Q/(M4-M3)…………………………(2)
式中:Q——标准漏孔漏率,单位为帕立方米每秒(Pa·m³/s)。
当 M3×S2≤Q、最终灵敏度 S2 与初始灵敏度 S1 偏差在 35% 以内且系统有效最小可检漏率不大于标准漏孔漏率时,检测结果有效。否则,重新校准后再次进行检测。
5、检测结果
对检测系统进行最终校准合格后,由下述规定确定组合阀门氦泄漏率 QHe:
a)当输出信号不改变,即 M6=M5,应记录为"低于系统的可探测范围"和检测合格;
b)当输出信号 M6 超过系统可探测范围,应记录为"大于系统可探测范围"和检测不合格;
c)当输出信号 M6 发生改变(但输出信号在可检范围),应按式(3)确定 QHe:
QHe=S1(M6-M5)…………………………(3)
式中:QHe——组合阀门氦泄漏率,单位为帕立方米每秒(Pa·m³/s)。
注:1 Pa·m³/s=9.9 std·cm³/s=9.9 mL/s=594 mL/min=35 640 mL/h。
以上就是今天的分享!如果您对用于上述试验的车用高压储氢气瓶组合阀门气密性试验装置感兴趣,欢迎与我们联系!
