今天给大家带来的分享是关于气动真空发生器的出厂检验项目和试验方法的内容。
气动真空发生器的出厂检验项目包括最大真空度、最大真空流量、耗气量及抽气时间 4 项内容,且都是必检项目。对应的试验方法见如下内容。

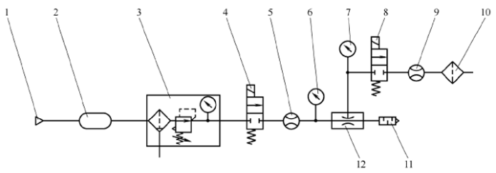
说明:1一一气源;2——储气罐;3——两联件;4,8一一二位二通电磁阀;5,9——流量计;
6——正压表;7——负压表;10——真空过滤器;11——消音器;12——被测真空发生器。
图 1 最大真空度、最大真空流量及耗气量的出厂检验和型式检验原理图
1、最大真空度
被测真空发生器供气口连接气源,真空口连接负压表,将供气压力用调压阀调整至额定供气压力,观察负压表读数变化,待读数达到最高值,并且表值可持续 3s 时间不变化时,确认读数为最大真空度值。该操作重复 3 次,取 3 次平均值,并记录。
试验原理见图 1。
2、最大真空流量
被测真空发生器供气口连接气源,真空口连接流量计(流量计的选择参见表 1),将供气压力用调压阀调整至额定供气压力,观察流量计读数变化,待读数达到最高值,并且表值可持续 3s 时间不变化时,确认此读数为最大真空流量,该方法重复 3 次,取 3 次平均值,并记录。
试验原理见图 1。
表 1 最大真空流量测试范围、流量计量程和真空口配管口径
| 最大真空流量测试范围 L/min | 流量计量程 L/min | 真空口配管口径(内径)mm |
| 0~25 | 0~50 | ≥φ5 |
| 26~50 | 5~100 | ≥φ6 |
| 51~200 | 5~500 | ≥φ8 |
| 201~500 | 5~1000 | ≥φ12 |
3、耗气量
被测真空发生器供气口连接气源和流量计,将供气压力用调压阀调整至额定供气压力,观察流量计读数变化,待读数达到最高值,并且表值可持续 3s 时间不变化时,确认读数为耗气量,该方法重复 3 次,取 3 次平均值,并记录。
试验原理见图 1。
4、抽气时间
被测真空发生器真空口连接容器罐(标准规格 1L),且该容气罐安装有数字式真空压力开关,将数字式真空压力开关连接计时器。被测真空发生器供气口连接气源,将供气压力用调压阀调整至额定供气压力,调节数字式真空压力开关在指定真空度(最大真空度数值的 63.2%)下,开启气源,待负压表达到最大真空度,并且表值可持续 3s 时间不变化时,开启真空管路上的二位二通阀,由计时器记录容气罐到达指定真空度下的抽气时间,抽气时间以 s 为单位。
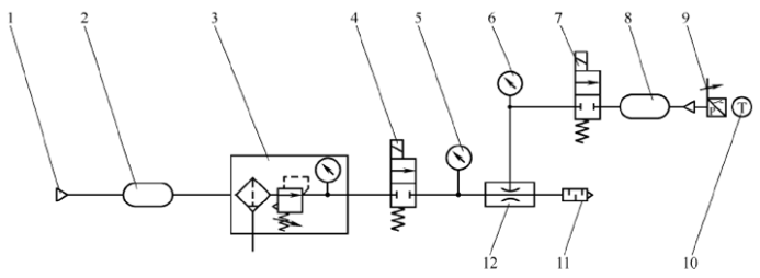
试验原理见图 2。

说明:1一一气源;2——储气罐;3——两联件;4,7——二位二通电磁阀;5——正压表;6——负压表;
8——1L 容器罐;9——数字式真空压力开关;10——计时器;11——消声器;12——被测真空发生器。
图 2 抽气时间出厂检验和型式检验原理图