阀门流量流阻试验装置的有两种结构型式:
试验阀门为直通式或 Z 形连接(进出口不在同一轴线上)的典型流量流阻试验装置布置图如图 1 所示;试验阀门为角式连接的典型流量流阻试验装置布置图如图 2 所示。

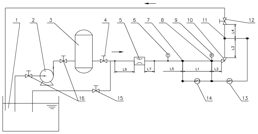
标引序号说明:
1——循环水源;2——水泵;3——稳压容器;4——上游阀门;5——流量计;6——温度测量仪表;
7——直管段取压点;8——上游取压点;9——压力测量仪表;10——试验阀门;
11——下游取压点;12——背压调节阀门;13——试验阀门管段压差(△P1) 测量仪表;
14——直管段压差(△P2) 测量仪表;15——旁通调节阀门;16——截断阀。
注:L1:试验阀门上下游连接管道到取压点之间直管段长度之和, L1=L2+L3;
L2:试验阀门上游连接管道到上游取压点之间直管段长度;
L3:试验阀门下游连接管道到下游取压点之间直管段长度;
L4:试验阀门下游取压点到背压调节阀门之间长度;
L5:试验阀门上游取压点或L1取压点前的直管段长度;
L6:流量计前直管段长度;
L7:流量计后直管段长度。
图 1 流量流阻试验装置典型示意图(直通式阀门)

标引序号说明:
1——循环水源;5——流量计;9——压力测量仪表;13——试验阀门管段压差(△P1)测量仪表;
2——水泵;6——温度测量仪表;10——试验阀门;14——直管段压差(△P2)测量仪表;
3——稳压容器;7——直管段取压点;11——下游取压点;15——旁通调节阀门;
4——上游阀门;8——上游取压点;12——背压调节阀门;16——截断阀。
注:L1:试验阀门上下游连接管道到取压点之间直管段长度之和,L1=L2+L3;
L2:试验阀门上游连接管道到上游取压点之间直管段长度;
L3:试验阀门下游连接管道到下游取压点之间直管段长度;
L4:试验阀门下游取压点到背压调节阀门之间长度;
L5:试验阀门上游取压点或L1取压点前的直管段长度;
L6:流量计前直管段长度;
L7:流量计后直管段长度。
图 2 流量流阻试验装置典型示意图(角式阀门)