空调与制冷用电磁阀的密封性与最大(小)动作压差试验方法:
1、技术要求
1.1 密封性
密封性可采用水检或氦气检测。
a)水检:按 2.1 的 a)进行密封性试验,电磁阀外部及各连接处应无气泡溢出。
b)氦检:按 2.1 的 b)进行密封性试验,电磁阀的漏率不应大于 2.83g/a。当设备条件不具备时,允许采用降压氦检,此时的漏率限值应进行相应的等效转换。
1.2 最大动作压差
电磁阀正常动作的最大动作压差参见表 1。在 85% 的额定电压下,电磁阀应能正常开闭。
表 1 工作条件
| 项目 | 工作条件 | ||
| 制冷剂 | R22、R134a、R600a、R290 | R407C、R404A | R410A、R32 |
| 最高工作压力/MPa | 3.0 | 3.5 | 4.3 |
| 最大动作压差/MPa | 2.1 | 2.1 | 3.1 |
| 流体温度/℃ | -30~105 | ||
| 环境温度/℃ | -20~55 | ||
| 环境相对湿度 | ≤95% | ||
1.3 最小动作压差
电磁阀正常动作的最小压差:直动型电磁阀为 0MPa,先导型电磁阀为不大于 0.03MPa 及电压为 85% 的额定电压下,电磁阀应能正常开闭。
2、试验方法
2.1 密封性试验
电磁阀密封试验如下:
a)水检:卸下电磁阀线圈,把电磁阀安装到图 1 所示的测试装置上,确保电磁阀导阀处于打开状态,电磁阀一端用堵头封堵,一端接气源,然后缓慢地输入压力直至表 1 规定的最高工作压力,接着使整个电磁阀浸入水槽中,保持 1min,最后检测电磁阀各部位的泄漏情况;
b)氦检:按表 1 规定的最高工作压力,给试验系统充注纯度为 100% 的氦气(允许降低氦检用气的纯度,但漏率的限值应进行相应的等效转换),然后用氦检仪进行检漏。当采用降压氦检时,应先采用 1.1 倍表 1 规定的最高工作压力进行不短于 10s 的气压冲击,然后再充注不低于 1.0MPa 的氦气进行密封性检查。

标引序号说明:
1——气源;2——截止阀;3——减压阀;4——压力表;5、6——电磁阀;7——被测电磁阀;8——堵头。
图 1 密封性水检试验装置
2.2 最大动作压差试验
把电磁阀安装在图 2 所示装置上,使电磁阀规定流向与试验系统介质流向相同,电磁阀线圈接通 85% 的额定电压;将电磁阀的工作压力(水压或气压)缓慢升高到最大动作压差值,正常开闭 1 次,实验结果应符合 1.2 的要求。

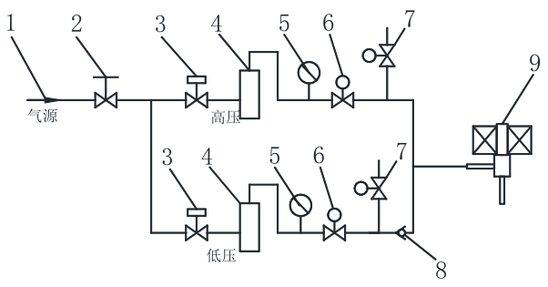
标引序号说明:
1——气源;2——截止阀;3——减压阀;4——储气罐;5——压力表;6——进气电磁阀;7——排气电磁阀;
8——单向阀;9——被测电磁阀。
图 2 动作压差试验装置
2.3 最小动作压差试验
把电磁阀安装在图 2 所示装置上,使电磁阀规定流向与试验系统介质流向相同,电磁阀线圈接通 85%的额定电压;将电磁阀的工作压力(水压或气压)开启为最小动作压差值,正常开闭 1 次,实验结果应符合 1.3 的要求。