气动减压阀和过滤减压阀的流量特性测试:
1、试验安装
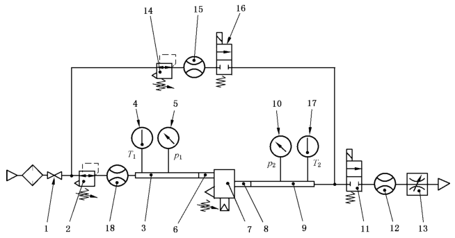
正向流量或溢流流量测试的测试回路,见图 1,测试回路包括:
——上游压力(管路)恒定情况下的测试回路,如 ISO 6358-1 描述的元件及上游和下游的测压管和转接头(用于正向流量的测试);
——上游压力(排大气)变化情况下的测试回路,如 ISO 6358-1 描述的回路(用于溢流流量的测试)。

标引序号说明:
1——截止阀;2——气动减压阀;3、9——测压管;4——温度计 T1;5、10——压力表或传感器;
6、8——转接头;7——被测元件;11、16——电磁阀;12、15、18——流量计;
13——流量控制阀(用于正向流量);14——气动减压阀(用于溢流流量);17——温度计 T2(用于溢流流量)。
注:只有测试不带排气减压阀正向流量时才可选择 18 位置安装流量计。
图 1 流量-压力特性测试回路
2、一般要求
2.1 被测元件 7 安装在测试回路中,进口连接转接头和测压管。出口连接转接头和测压管,以便测量调节压力 p2。在溢流的测试回路中,压缩空气通过溢流口排向大气。
2.2 测压管 3 和 9,转接头 6 和 8 应符合 ISO 6358-1 的规定。
2.3 元件 1、2、3、4、5 和 6 是正向流量测试回路的上游部分,也用于溢流流量测试。被测元件的进口压力由气源提供。
2.4 元件 8、9、10、11、12 和 13 是正向流量测试回路的下游部分。
2.5 元件 8、9、10、14、15、16 和 17 是溢流流量测试回路的上游部分。
2.6 正向流量测试时,气动减压阀 2 和电磁阀 11 的声速流导至少是被测元件正向声速流导的 2 倍;溢流流量测试时,气动减压阀 14 和电磁阀 16 的声速流导至少是被测元件溢流声速流导的 2 倍。
3、测试程序
3.1 测试准备
3.1.1 按图 1 测试回路安装被测元件,关闭截止阀 1、电磁阀 11、16 和流量控制阀 13。
3.1.2 开启截止阀 1,调节气动减压阀 2,按要求设定被测元件进口压力 p1。在按 3.2、3.3 和 3.4 要求进行每次稳态测量时,进口压力应保持在要求的范围内(通过气动减压阀 2 的恒定调节)。
3.1.3 增大被测元件的出口压力 p2,达到最大调节压力的 25%。
3.1.4 先按 3.2 进行正向流量-压力测试,再按 3.3 进行溢流流量-压力测试。
3.2 正向流量-压力测试
3.2.1 开启电磁阀 11,然后缓慢开启流量控制阀 13,让被测元件通过比较低的流量。
3.2.2 流量稳定后,用流量计 12 测量流量,用压力表或传感器 10 测量出口压力 p2,用温度计 4 测量进口温度 T1。
3.2.3 递增流量继续测试,记录流量稳定后的测试条件和对应的数据,直至测试回路的最大流量。然后通过递减正向流量,直至为零(流量控制阀 13 关闭),测量得一组附加数据(流量、压力、温度)。在改变正向流量(递增与递减)过程中应保持进口压力 p1 稳定并符合规定。
3.3 溢流流量-压力测试
3.3.1 设定气动减压阀 14 与被测元件的出口压力值相同,处在 3.2.3 描述的最后没有流量的状态。
关闭电磁阀 11,开启电磁阀 16,气动减压阀 14 的出口压力作用在被测元件的出口,压缩空气开始通过被测元件的溢流口流出(此时也可以无流出)。
3.3.2 调节气动减压阀 14 缓慢增加被测元件的出口压力,当溢流流量稳定时,用流量计 15 测量溢流流量,用压力表或传感器 10 测量出口压力 p2,用温度计 17 测量出口温度 T2。
3.3.3 递增溢流流量继续测试(用气动减压阀 14 增加被测元件的出口压力),记录溢流流量稳定后的测试条件和对应的数据,直至被测元件出口压力符合的进口压力。然后逐步减小溢流流量,直至流量接近为零。在溢流流量变化(递增和递减)过程中,应保持进口压力 p1 稳定并符合规定。
3.3.4 在进行下一步测量前关闭电磁阀 16。
3.4 测试其他调节压力值的程序
重复 3.2 和 3.3 测试正向流量和溢流流量的程序,将调节压力值分别设定为最大调节压力的 40%、63% 和 80%,设定压力时,应保证气动减压阀流量为零,并逐渐增大压力值,直到达到设定的调节压力值。如果需降低减压阀的调节压力值,则需先将出口压力降低至设定值以下,然后逐步增大压力至设定值。
4、计算
4.1 流量-压力特性曲线
4.1.1 调节压力 p2 设定为满量程的 25%。对于每一个正向流量值,按 3.2 的程序分别按递增和递减正向流量测试对应的调节压力,然后计算两个相应调节压力的平均值,绘制出调节压力平均值和对应正向流量的函数曲线,如图 2 第一象限所示。
4.1.2 调节压力 p2 设定为满量程的 25%。对于每一个溢流流量值,按 3.3 的程序分别按递增和递减溢流流量测试对应的调节压力,然后计算两个相应调节压力的平均值,绘制出调节压力平均值和对应溢流流量的函数曲线,如图 2 第二象限所示。
4.1.3 重复上述步骤,计算和绘制调节压力 p2 设定为满量程的 40%、63%、80% 时的特性曲线。
4.2 流量-压力滞环
对每一个正向流量值或溢流流量值,根据 3.2 和 3.3 描述的程序,分别以按递增和递减正向流量值或溢流流量测试调节压力值 p2,然后计算两个相应调节压力的差值。
确定最大差值 Δp2h,max,并利用式(1)计算滞环特性值,以调节压力满量程的百分比表示。

4.3 最大正向声速流导
4.3.1 在图 2 中用作图法延长在 4.1 中所得到正向流量-压力特性曲线外伸线与横坐标轴(调节压力相对值为零)相交,此交点确定为最大正向流量 qvf,max。
4.3.2 依据 ISO 6358-1 将此流量值除以进口压力计算最大正向声速流导值 Cf,max,见式(2)。

注:依据 ISO 6358-1,考虑到试验上游温度 T1 对参考温度 T0 的偏移,此平方根是必要的。

标引序号说明:
X1——流量,dm³/min(ANR);X2——溢流流量,dm³/min(ANR);Y——调节压力,p2,kPa;
1——进口压力,p1,kPa;2——第一象限;3——第二象限;4——渐近线;
S1,S2 等——设定的调节压力。
图 2 流量-压力特性曲线
4.4 最大溢流声速流导
4.4.1 在按 4.1.2 规定测得的溢流流量-压力特性曲线的渐近曲线上选 5 点,如图 2 所示。每一点对应的溢流流量值 qvr 和调节压力值 p2r。
4.4.2 依据 ISO 6358-1(在本例中为上游压力),把此流量值除以调节压力,对于这些点逐一计算相应的溢流声速流导 Cr,见式(3)。

注:依据 ISO 6358-1,考虑到试验上游温度 T2 对参考温度 T0 的偏移,此平方根是必要的。
4.4.3 这 5 个点的平均值定为最大溢流声速流导。