今天给大家带来的分享是关于内燃机 全流式机油滤清器压差-流量特性试验台的相关要求的内容。
1、滤清器类型
为在试验台上安装试验滤清器,应考虑下列几种类型的滤清器:
a)可更换组件中不包括滤座(可能有或没有滤芯旁通阀)的旋装式滤清器;
b)可更换组件中包括滤座及滤芯旁通阀的旋装式滤清器;
c)其他滤清器,通常为可更换式滤芯,并常带自己的滤座。
2、试验台
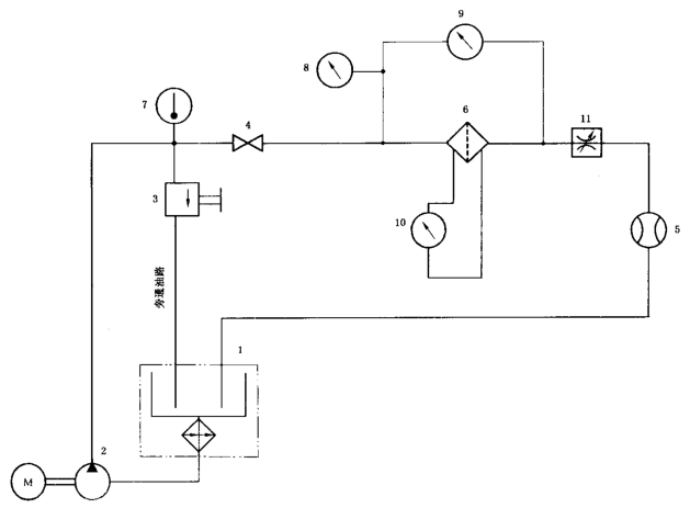
图 1 为试验台的总体布置图,它应包括 2.1~2.4 中所述的零部件,以及必需的管道、接头和支承等。

标号说明:1——装有恒温控制式加热器和冷却器的油箱(最好隔热);2——电动泵;3——调节阀(调节压力用);
4——开关阀;5——流量计;6——试验滤清器;7——与温度指示仪连接的温度传感器;8——压力表;
9——测量滤清器压差的压差计或两只单独的压力表;10——测量滤芯压差的压差计或两只单独的压力表;11——调节阀(调节流量用)。
图 1 试验台总体布置图
2.1 油箱
油箱应能贮存足够的机油,并应装有恒温控制式加热器和冷却器,以保持稳定的试验温度。加热器的布置应避免使机油局部过热。当机油循环时,旁通至油箱的回油管和滤清器的出油管,其终端均应低于油箱液面。应调节温度使机油私度保持在规定范围内。
2.2 调节阀
调节阀 3 和 11 系用于控制压力和流量。推荐采用针阀或膜片阀。
2.3 流量计
流量计应适宜使用运动猫度为 24mm²/s1) 和 500mm²/s 的机油,并应记录通向滤清器管路中的流量。另外,也可将流量计安装在滤清器出口管路中。并可用一只校准量筒和秒表进行测量。
2.4 滤清器安装
2.4.1 对 1a)中所指各类滤清器,需要有一只专用的试验滤座。典型示例见图 2 所示。拆去 C,用标有 A 和 B 的测压孔测量整套滤清器总成的压差,而用滤芯外壳上的进油测压孔和标有 C 的出油测压管来测量滤芯的压差。
2.4.2 对 1b)和 1c)中所指各类滤清器,进出油管孔径应与滤清器进出油孔尺寸相同,或者由滤清器厂商与用户共同商定进出油管的尺寸,例如与发动机机体上安装滤清器的孔口相一致。
测量整套滤清器压差的螺孔应设置在滤清器进油孔上游 5 倍管径处和滤清器出油孔下游 10 倍管径处。在滤清器进出油孔上游 8 倍管径和下游 13 倍管径范围内的进出油管应为直管段,不得有任何阻挡。
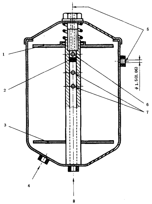
2.4.3 对 1b)和 1c)中所指各类滤清器,测量滤芯压差的螺孔应设置在试验滤清器内,使其与滤芯的上下游侧相沟通。无论实际安置在何处,这些测压孔均应设置在滤清器内流速较低和没有紊流的区域,或者也可以用专门的试验外壳来测量滤芯的压差,典型外壳见图 3 所示。

标号说明:1——进油测压孔 A 直接设在进油道上;2——进油连接孔;3——滤芯出油测压孔 C;
4——出油连接孔;5——出油测压孔 B;6——端面尺寸和螺纹按 ISO 6415 规定,或与试验滤清器相配;
7——管子外径 φ3mm,内径 φ1.5mm,
a d=10、14mm、24mm 或 28mm,按滤清器出口直径定。
图 2 典型旋装式滤清器专用试验滤座,可更换组件中不包括滤座

尺寸:毫米(英寸)
标号说明:1——顶部密封板与中心管接触处必须密封;2——中心管内的油封塞;
3——密封板应采用油封连接安装在中心管上;4——进油孔;5——滤芯压差测量孔
6——倒角孔;7——中心管上各孔总面积至少应等于进油接头有效截面积的 1.5 倍;8——出油孔
图 3 典型试验用外壳