汽车液压比例阀包括汽车使用的液压定值比例阀、液压惯性比例阀和液压感载比例阀等。今天我们来学习用于该型液压比例阀试验设备的相关要求。
1、性能试验装置
1.1 真空密封性测量系统测试回路的总有效容积应在 450mL~500mL 范围内,真空度显示或记录装置的分辨率不应低于 1.5Pa。
1.2 液压密封性和工作特性试验装置原理图见图 1、图 2,其相关要求如下:

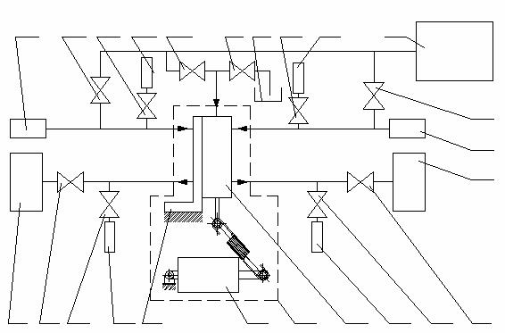
说明:1——测量容积调节装置;2、4、7、8——截止阀;
3、9——压力测量装置(压力传感器或压力表);5——压力源;6——负载装置;
10——高、低温试验箱;11——试验样件;12——试验样件夹具;13——试验样件工作状态驱动装置。
图 1 液压惯性比例阀液压密封性、工作特性测试原理图
a)压力源应能使样件进液口的压力以设定的升压速率建立压力,到达规定的压力后应能在该压力下保持稳定。当需要快速卸压时,应能不受阻碍地快速卸压至 0.01MPa 以下。
b)测量容积调节装置应能调节所在液压测试回路的总有效容积。当进行液压密封性试验时,每个液压测试回路的总有效容积应为 135mL~150mL。
c)压力测量装置的安装位置距样件进液口、出液口不宜超过 800mm;压力显示或记录装置的分辨率不应低于 0.01MPa。
d)当进行液压惯性比例阀的工作特性试验时,试验装置应能根据试验要求实现样件内的惯性球在非工作状态和工作状态之间的转换。
e)负载装置宜模拟实车负载。
f)试验装置的布置形式要有利于排尽整个液压系统内的空气。

说明:1、12——测量容积调节装置;2、3、5、6、8、11、14、15、22、23——截止阀;
4、9、16、21——压力测量装置(压力传感器或压力表);7——油箱;10——压力源;13、24——负载装置;
17——试验样件;18——高、低温试验箱;19——试验样件工作状态驱动装置;20——试验样件夹具。
图 2 液压定值比例阀和液压感载比例阀液压密封性、工作特性测试原理图
1.3 耗液量试验装置的原理图见图 3。在(0~25)MPa 范围内的任何压力下,各截止阀保压 30s 的泄漏量应为零。量管的分辨率不应低于 0.01mL,压力显示或记录装置的分辨率不应低于 0.01MPa。
2、温度耐久性试验装置
2.1 试验原理图可参考图 1、图 2。
2.2 压力监控装置的准确度等级不应低于 1.5 级。
2.3 试验装置应能自动记录温度耐久性的试验次数。

说明:1——压力源;2、5——截止阀;3——压力测量装置(压力传感器或压力表);
4——量管;6——试验样件;7——试验样件夹具。
图 3 耗液量测试原理图
3、夹具
3.1 液压定值比例阀试验的样件夹具应能模拟实车安装状态。
3.2 液压惯性比例阀试验的样件夹具应能模拟实车安装状态,样件的安装角度可模拟样件的惯性球在非工作状态和工作状态之间进行转换,其角度变化率可调。
3.3 液压感载比例阀试验的样件夹具应能模拟汽车的空载和满载状态,其安装误差不应引起其输入-输出特性曲线的变化;在进行感载弹簧耐久性试验时,感载弹簧与汽车本体连接端应能模拟汽车空载和满载状态变化时的位置变化,其移动速度应可调。
4、高、低温试验箱
试验箱的实际温度与设定温度的误差不应超过 ±2℃,试验箱应有连接液压管路的通道,并且该通道应有隔热、隔湿的密封措施,试验箱内应有足够安装样件及连接液压管路的空间。
5、振动试验设备
振动设备的振动波形为正弦波,加速度波形失真不应超过 25%,频率误差不应超过 ±1%。
6、盐雾试验箱
盐雾试验箱应满足 GB/T 10125 中的中性盐雾试验的要求。
以上就是今天的分享!如果您对用于上述试验的液压比例阀试验设备感兴趣,欢迎与我们联系!
