井口装置和采油树有 PSL1、PSL2、PSL3、PSL3G 和 PSL4 五种产品规范级别,这五种级别分别代表了不同等级的技术质量要求。今天我们来学习井口装置和采油树 PSL1 级别的试验内容。
1、通径试验一全径阀
适用下列各项:
a)试验方法:
在阀经过装配、操作和压力试验后,用图8及表33所述的通径规贯通阀孔。
b)验收规则:
通径规应完全贯通阀孔。
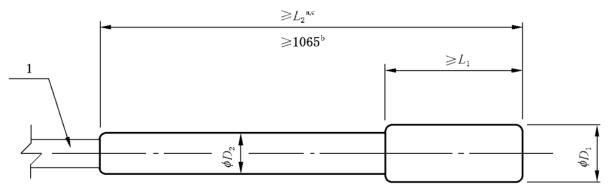
2、通径试验——采油树(见图 1 及表 1)
适用下列各项:
a)试验方法:
通径规贯通采油树总成的主孔通径。
b)验收准则:
通径规应完全贯通采油树主孔通径。

说明:1——手柄;a 为单阀最小长度;b 为采油树最小长度;c 为阀端距。
图 1 通径规
表 1 单个阀和采油树的通径尺寸
单位为毫米

3、本体静水压强度试验——单独装置
适用下列各项:
a)试验方法:
单独装置在制造商运输前,进行本体静水压强度试验。本体静水压强度试验应是最先进行的压力试验。试验压力不应是阀关闭机构两端的压力差。试验液可用水或带添加剂的水。试验在涂漆前完成,但如果本体和其他承压件是由锻造材料制成的,则试验可在涂漆后完成。
单件连接装置、管堵和阀拆卸堵不要求静水压强度试验。
单独装置的本体静水压强度试验应包括三部分:
1)初始保压期;
2)压力降至零;
3)第二次保压期。
试验在本体充填油脂之前进行,装配中允许使用润滑剂。
两次保压期均应不少于 3min;直到达到试验压力,装置和压力测量仪表已与压力源隔离,本体构件外表面完全擦干后,才开始计时。
本体静水压强度试验压力根据装置的额定工作压力和类型来确定。表 2 给出了最小的静水压强度试验压力值。
b)特殊考虑:
1)端部和出口连接具有不同工作压力的装置,用其最低的额定工作压力值来确定本体静水压试验压力(转换连接装置和节流阀除外)。
2)转换连接装置的试验压力根据其上部连接的额定工作压力值来确定,试验压力施加在其内部和下部连接的限面封隔机构以上;其下部连接应按限面封隔机构以下的额定工作压力值确定其试验压力。
3)入口连接的额定工作压力比出口连接高的节流阀,从入口连接至可更换阀座或节流油嘴的阀体-油嘴密封点的部分,按入口连接的相应压力进行静水压试验。密封点下游的阀体其余部分,按出口连接相应压力进行试验。试验可采用临时阀座密封件进行。
4)阀和节流阀在试验期间应部分开启。
5)多孔装置的每一个孔逐一进行试验。
c)验收准则:
装置在试验压力下,不应有可见的渗漏。当用螺纹式试验工装连接时,进行螺纹式井口零件的静水压试验期间,超过螺纹的额定工作压力后,沿螺纹渗漏是允许的。
表 2 本体静水压强度试验压力
单位为 MPa

4、本体静水压密封试验——采油树
除完全采用已进行过本体静水压强度试验的装置(非单件连接装置)组装的采油树,仅需试验至额定工作压力外,其他要求与 3 的相应要求相同。
5、阀座静水压密封试验——阀
适用下列各项:
a)试验方法:
双向阀以额定工作压力施加于闸板或旋塞的每一侧,另一侧通大气,进行阀座静水压密封试验。
除止回阀应在下游试验外,单向阀按阀体指明的方向施加压力。
保压期应至少 3min。
在各保压期之间,将压力降到零。
闸板或旋塞的每一侧,至少试验两次。
b)验收准则:
在每一保压期内,应无可见的渗漏。