液压件脉冲试验装置的规格和性能参数(参考件):
液压脉冲试验压力波形:
脉冲压力的冲击频率为 30~75 次/分。每一脉冲周期波形压力由 0 升至峰值再降至 0 构成,峰值压力为额定压力的 1.43~1.57 倍,如图 1 所示。

图 1 液压脉冲试验压力波形
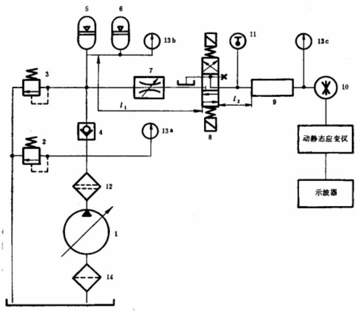
1、无增压器脉冲试验装置的规格及性能参数(参照图 2)
1.1 规格
a)试件试验压力=额定压力 6.3〜16MPa,峰值压力 9.5〜24MPa(97〜245kgf/cm²),
b)试件及容腔的最大液体容积:112*10-6m³;
C)蓄能器预充气压力:试件额定压力的 0.4〜0.8 倍;
d)单位时间脉冲数:30〜75min-1。
1.2 主要元件性能及尺寸参数
a)变量液压泵:额定压力 21MPa,额定流量 10L/min,一般调整为 5〜6L/min;
b)蓄能器:皮囊式蓄能器单个容积 1.6L,采用两个并联,额定压力 16MPa;
c)溢流阀:额定压力 20MPa,额定流量 40L/min;
d)电磁换向阀:额定压力 20MPa,额定流量 63L/min;
e)节流阀:额定压力 20MPa,额定流量 63L/min;
f)电磁换向阀前配管长及通径:l1=1.65m,d=1*10-2m;
g)电磁换向阀后配管长及通径:l2=0.65m,d=1*10-2m。

1——泵;2、3——溢流阀;4——单向阀;5、6——蓄能器;7——节流阀;8——电磁换向阀;
9——试件及容腔;10——压力传感器;11——温度计;12——精滤器;13——压力表;14——粗滤器
图 2 不带增压脉冲试验回路
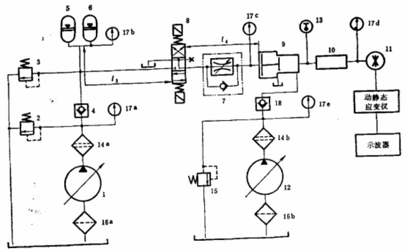
2、带增压器脉冲试验装置的规格及性能参数(参照图 3)
2.1 规格
a)试件试验压力:额定压力 20〜40MPa,峰值压力 30〜60MPa;
b)试件及容腔的最大液体容积,250*10-6m3;
c)蓄能器预充气压力,应为增压前油源定压力的 0.4〜0.8 倍;
d)单位时间脉冲次数:30〜75min-1。
2.2 主要元件性能及尺寸参数
a)变量液压泵 1:额定压力 21MPa,额定流量 10L/min;
b)液压泵 12,额定压力 2.5MPa,额定流量 6.3L/min。一般在系统中调定压力为 0.4〜0.6MPa;
c)增压器,大端活塞直径 2.2*10-2m,小端活塞直径 1.4*10-2m,增压比 2.47,增压活塞的最大行程 8.5*10-2m;
d)蓄能器:皮囊式蓄能器单个容积 1.6L,采用两个并联,额定压力 16MPa;
e)溢流阀:额定压力 20MPa,额定流量 40L/min;
f)电磁换向阀:额定压力 20MPa,额定流量 63L/min,
g)节流阀:额定压力 20MPa,额定流量 63L/min;
h)电磁换向阀前配管长及通径:d3=0.7m,d=l*10-3m;
i)电磁换向阀后配管长及通径:l4=1.85〜4.00m(试件容腔较大,则 l4 取较长的值),d=1*10-2m。

1、12——泵;2、3、15——溢流阀;4——单向阀;5、6——蓄能器;7——单向节流阀;
8——电磁换向阀;9——增压器;10——试件及容腔;11——压力传感器;13——温度计;
14——精滤器;16——粗滤器;17——压力表;18——单向阀
图 3 带增压器脉冲试验回路
以上就是今天的分享,如果您对上述试验所需要的脉冲试验设备感兴趣,欢迎与我们联系!亿威仕公司生产的脉冲试验台采用电脑+PLC控制,控制精度高,智能化,更安全,一键完成脉冲试验,还可同时对多个工件同时进行测试。欢迎咨询!电话:0755-88898859 QQ:459675648。
