波纹金属软管的性能试验项目包括:耐压试验、气密试验、静态弯曲试验、动态弯曲试验以及爆破试验5个项目,对应的试验方法如下。
1、耐压试验
1.1 水压试验
试验介质为氯离子含量不超过 25mg/L 的水。试验装置为加压泵、压力监测仪表。将试件平直放置,一端安装带有排气阀的堵头,另一端和泵出口连接。将水注入软管内,排尽空气,关闭排气阀,密封试件,然后缓慢加压至试验压力,至少保压 5min,试验压力下检查试件,结果应符合要求。
1.2 气压试验
试验介质为无毒、无腐蚀性、非可燃的干燥、洁净气体。试验水槽用水的氯离子含量不超过 25mg/L。试验装置为气泵(或气瓶组)、压力监测仪表、水槽。试件一端安装堵头,另一端与进气口相接,将试件浸没于水槽中,通入气体缓慢加压至试验压力,至少保压 10min,试验压力下检查试件,结果应符合要求。
2、气密试验
气密试验应在耐压试验合格后进行,当耐压试验采用气压试验时,可不进行气密试验。试验介质为无毒、无腐蚀性、非可燃的干燥、洁净气体;试验水槽用水的氯离子含量不超过 25mg/L。试验装置为气泵(或气瓶组)、压力监测仪表、水槽。试件一端安装堵头,另一端与进气口相接,将试件浸没于水槽中,通入气体缓慢加压至试验压力,至少保压 10min,试验压力下检查试件,结果应符合要求。
3、静态弯曲试验
在软管不充压的情况下进行试验,试验装置为静态弯曲试验台。按图 1 安装试件,将试件一端刚性固定,另一端以 5次/min~25次/min 的频率,围绕并贴合定形圆柱体进行弯曲,软管由直线状态至弯曲状态,再恢复至直线状态为 1 次弯曲循环,弯曲角为 90°,反复弯曲 10 次后,对试件按 2 的方法进行气密试验,结果应符合要求。

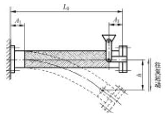
图 1 软管静态弯曲试验原理图
进行单项的静态弯曲试验时,试件最小长度 L1 应按公式(1)进行计算,当软管的波纹管之间有环焊缝时,试件中应至少包含一个焊接段。
L1=1.7Rj+A1+A2…………………………(1)
式中:
L1——静态弯曲试件最小长度,单位为毫米(mm);
Rj——软管静态弯曲半径,单位为毫米(mm);
A1、A2——试件的刚性段长度,单位为毫米(mm)。
4、动态弯曲试验
公称尺寸 DN<100 的试件进行 U 型弯曲试验,公称尺寸 DN≥100 的试件进行摆动弯曲试验,结果应符合要求。
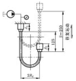
4.1 U 型弯曲试验
试验介质为水或液压油。试验装置为 U 型弯曲试验台、加压泵、压力监测仪表。按图 2a)或图 2b)安装试件,启动加压泵,将水或液压油注入管内,排尽空气,关闭排气阀,密封试件,然后缓慢加压至设计压力 Ps,启动弯曲试验台,以 5次/min~30次/min 的频率往复运动,在试验过程中检查试件有无渗漏和异常变形;当达到规定的最少弯曲次数后,在设计压力 Ps 下检查软管,结果应符合要求。
U 型弯曲试件长度 L2 按公式(2)进行计算:
L2=4Rd+A1+A2+S/2…………………………(2)
式中:
L2——U 型弯曲试件长度,单位为毫米(mm);
Rd——软管动态弯曲半径(见表 9),单位为毫米(mm);
S——试验行程:250mm。
![]() | ![]() |
| a)垂直位移安装方式 | b)水平位移安装方式 |
注:图 2b)水平位移安装方式仅适用于 DN≤32 软管。
图 2 软管 U 型弯曲试验原理图
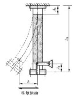
4.2 摆动弯曲试验
试验介质为水或液压油。试验装置为摆动弯曲试验台、加压泵、压力监测仪表。按图 3a)或图 3b)安装试件,启动加压泵,将水或液压油注入管内,排尽空气,关闭排气阀,密封试件,然后缓慢加压至设计压力 Ps,启动摆动弯曲试验台,按表 1 规定的行程 h,以 3次/min~15次/min 的频率往复运动,在试验过程中检查试件有无渗漏和异常变形;当达到规定的最少弯曲次数后,在设计压力 Ps 下检查软管,结果应符合要求。
![]() | ![]() |
| a)垂直位移安装方式 | b)水平位移安装方式 |
图 3 软管摆动弯曲试验原理图
| 表 1 摆动弯曲试验行程 | 单位为毫米 | |
| ||
摆动弯曲试件长度 L3 按公式(3)进行计算:
L3=k1×DN+A1+A2…………………………(3)
式中:
L3——摆动弯曲试件长度,单位为毫米(mm);
k1——长度系数。
5、爆破试验
试验介质为水或液压油。试验装置为加压泵、压力监测仪表。将试件平直放置,一端安装带有排气阀的堵头,另一端和泵出口连接。启动加压泵,将水或液压油注入试件内,排尽空气,关闭排气阀,密封试件,然后缓慢加压,直至试件渗漏或破坏并记录试件的损坏情况,结果应符合要求。若压力超过规定的最小爆破压力 Pb 时试件仍未爆破,允许不将试验持续至渗漏或破坏。
进行单项的爆破试验时,试件柔性段最小长度 L4 应符合表 2 的规定,当软管的波纹管之间有环焊缝时,应至少包含一个焊接段。
| 表 2 爆破试件柔性段最小长度 | 单位为毫米 | |
| ||
爆破试件最小长度 L5 按公式(4)进行计算:
L5=L4+A1+A2…………………………(4)
式中:
L4——试件柔性段最小长度,单位为毫米(mm);
L5——爆破试件最小长度,单位为毫米(mm)。