今天给大家带来的分享是关于内燃机废气再循环冷却器(EGRC,以下简称冷却器)耐热冲击性能试验用试验装置的要求及试验方法。
1、耐热冲击性能试验装置
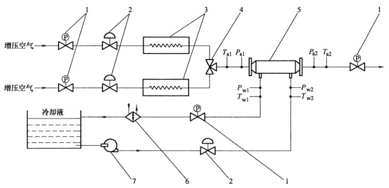
1.1 耐热冲击性能试验装置原理如图 1 所示,但不限于图 1 所示形式。

说明:1——调节阀;2——流量计;3——空气加热器;4——换向阀;5——试验件;6——冷却器;7——水泵。
图 1 耐热冲击性能试验装置原理
1.2 耐热冲击性能试验装置的主体应能按试验规范的要求对试验件进行加热和冷却,试验装置应能准确测量和记录试验件或试验介质的最高温度、最低温度、温度变化的周期和温度交变次数。试验装置至少应包括以下几个部分:
a)气侧“热”介质加热和输送装置;
b)气侧“冷”介质加热和输送装置;
c)液侧介质加热、冷却和输送装置;
d)介质流量调节和控制装置;
e)介质或试验件温度控制、测量与记录装置;
f)冷热循环次数测量与记录装置:
g)压力测量装置。
1.3 试验装置的参数控制精密度应满足试验规范的要求。试验参数的测量准确度应符合以下要求:
a)试验介质或试验件温度测量准确度应为 ±5℃ 以内:
b)试验介质流量测量准确度应为实际值的 ±1.5% 以内;
c)温度交变周期或频率测量准确度应为实际值的 ±1% 以内;
d)压力测量准确度应为实际值的 ±1.5% 以内;
e)温度交变次数计数准确度应为实际值的 ±0.5% 以内,次数累计计数准确度应为 10 次以内。
1.4 试验介质应使用与实际工况相同或相近的介质,本标准推荐使用以下试验介质:
a)气侧采用干燥压缩空气或燃烧气体;
b)液侧采用 50% 乙二醇+ 50% 清水的混合液(体积比)。
1.5 试验工装应根据产品的实际情况进行设计,在试验件试验时尽可能模拟实际使用情况。密封材料应保证介质在测试过程中不发生泄漏。
2、耐热冲击性能试验方法
2.1 试验前应对试验件进行完好性检查,确认试验件完好。
2.2 将试验件上不是试验介质循环所需要的通道口牢固堵塞。
2.3 将试验件与试验装置的介质循环管路连接,起动液侧介质循环泵,使试验件内充满试验介质并排尽空气,之后气路通入一定流量的气体,分别检查气侧和液侧管路是否已完全密封。
2.4 试验件液侧持续通入试验介质,介质温度为试验规范要求的温度 ±5℃,介质流量为试验规范要求的介质流量。
2.5 试验件气侧交替通入高温介质和低温介质。高温介质的温度为试验规范要求的高温温度 ±5℃,低温介质的温度为试验规范要求的低温温度 ±5℃;介质流量为试验件工作时的介质额定流量。
2.6 试验过程分为温度控制和时间控制两种方式,但不限于这两种方式。试验时应根据 JB/T 11327 的要求或客户指定的技术要求进行设置。温度控制方式和时间控制方式的试验过程如下:
a)温度控制方式:先通入高温介质,运行到指定温度,当试验件的气侧出口温度变化梯度不大于 10℃/min 时,可以认为试验件的温度达到了稳定,然后将高温介质切换为低温介质,再运行到指定温度,并确保气侧出口温度变化梯度不大于 10℃/min,以此过程为一个循环,连续运行直到完成规定的温度交变次数;
b)时间控制方式:先通入高温介质,运行指定时间,然后将高温介质切换为低温介质,再运行指定时间,此过程为一个循环,连续运行直到完成规定的温度交变次数。
2.7 在试验过程中,应监测试验件的完好性。每完成 100 次循环进行一次密封性检查,若发现试验件有规范不允许的任何形式的损坏现象,应立即停止试验,并记录已完成的温度交变次数和试验件损坏情况。
2.8 试验结束后,检查试验件的完好性。当发现试验件有损坏或泄漏时,应详细记录损坏或泄漏的部位和程度。
2.9 试验记录应包括以下内容:
a)试验设备的名称、型号规格及设备状况;
b)试验开始和结束时间;
c)试验件的名称、型号规格及试验时随带附件情况;
d)试验件在进行耐热冲击性能试验前经历过的试验项目;
e)试验前试验件完好性检查情况;
f)试验介质名称;
g)温度交变范围、交变频率或周期,介质温度和流量,完成的温度交变次数;
h)耐热冲击性能试验结束后试验件完好性检查情况。
以上就是今天的分享!如果您对用于上述试验的内燃机废气再循环冷却器(EGRC)耐热冲击性能试验装置感兴趣,欢迎与我们联系!
