今天给大家带来的分享是关于气动减压阀(以下简称减压阀)的流量-压力特性与压力调节特性的测试方法。
1、流量-压力特性
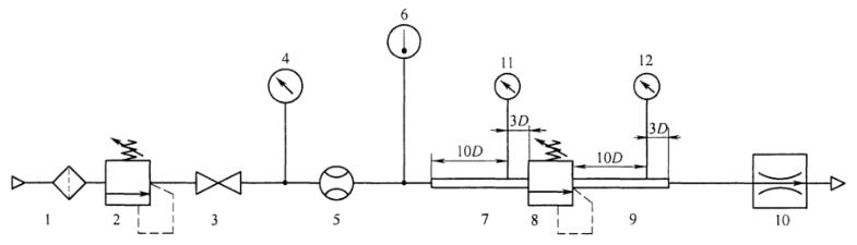
测试回路如图 1 所示。
输入压力为额定压力,试验输出压力按表 1 的规定,关闭旁通二位二通阀 15 使流量为零,试验过程中应维持输入压力恒定。调节被测减压阀输出压力至最小值,逐渐增大(非减小)至表4规定的压力组点的最低点。调节流量控制阀,逐点记录其流量和相对应的输出压力值,直至测试回路中达到最大流量;然后减小流量,记录数据直至回复到零流量,在低流量区域数据应相对密集,并测出流量升高段压力降达到 50kPa 时的流量值。测试开始和结束时记录输入口温度,其他输出压力重复以上程序,应保证压力是在无流量且逐步增加的状况下达到设定值的。

说明:1——气源和过滤器;2——减压阀;3——截止阀;4、11、12、14——压力表;5——流量计;6——温度计;
7、9——压力测量管;8——被测气动减压阀;10——流量控制阀;13——控制减压阀(非溢流);15——旁通二位二通阀。
注:D 为压力测量管的有效内径。
图 1 流量-压力特性测试回路
2、压力调节特性
测试回路按图 2。

说明:1——气源和过滤器;2——减压阀;3——截止阀;4、11、12——压力表;5——流量计;
6——温度计;7、9——压力测量管;8——被测气动减压阀;10——恒节流孔。
注:D 为压力测量管的有效内径。
图 2 压力调节特性测试回路
恒节流孔结构按图 3 规定,其中,d≤15mm时,φ 为 1mm;d>15mm时,φ 为 1.5mm。

说明:d——公称通径;φ——恒节流孔径。
图 3 恒节流孔结构
试验输出压力按表 1 的规定,输入压力为减压阀的可调节压力范围的上限或 800kPa,调节被测减压阀输出压力至最小值,逐渐增大(非减小)至表4规定的压力组点的最低点。调节输入压力和输出压力,使得起始条件达到稳定。降低输入压力,直至降低至输出水平或直至通过减压阀的流量不能被维持为止,记录测试过程中输入压力及对应的输出压力,并计算出压力变化值。测试开始和结束时记录输入口温度,其他输出压力重复以上程序。
表 1 试验输出压力
单位为千帕
| 试验项目 | 额定压力 | |||||||
| 630 | 1000 | 1600 | ||||||
| 试验输出压力 | ||||||||
| 流量特性 | 250 | 400 | 250 | 400 | 630 | 630 | 1000 | |
| 压力调节特性 | 250 | 400 | 250 | 400 | 630 | 630 | 1000 | |