今天给大家带来的分享是关于双线分配器(40MPa)(是指公称压力为 40MPa 的双线干油集中润滑系统中的双线分配器)的技术要求及试验方法。
1、技术要求
1.1 起动压力
分配器的起动压力不应大于 1.5MPa。
1.2 漏损量
分配器在 30MPa 压力下,每个给油口 6min 的漏损量不应大于 5mL。
1.3 密封性
分配器在 30MPa 压力下,外部各密封处不应有渗漏现象。
1.4 给油量
1.4.1 分配器给油口无背压时,其给油量应符合表 1 的规定。
表 1 给油量
| 型号 | 每给油口额定给油量 mL/次 | 每给油口给油量 mL/10次 | |
| 指示杆侧给油口 | 指示杆侧给油口 | ||
| XSSPX-P0.5 | 0.5 | 4~7.5 | 2.5〜6 |
| XSSPX-P1.5 | 1.5 | 13~17 | 11.5〜12.5 |
| XSSPX-P3.0 | 3.0 | 27〜33 | 21.5〜30.5 |
1.4.2 分配器给油口在 15MPa 背压时,其给油量不应少于表 1 规定值的 95%。
1.5 发讯功能
带接近开关的分配器应能发送信号。
1.6 清洁度
分配器每对给油口清洗出的杂质重量不应大于 14mg。
1.7 寿命
分配器使用寿命应不少于 50 000 次。给油口的给油量小于表 1 规定值的 80% 以下,视为分配器的使用极限。
2、试验方法
2.1 试验条件
分配器的试验介质为 N68 机械油(寿命试验介质除外),供油量为 120ml/min。压力表量程:高压为 60MPa,低压为 2.5MPa。压力表准确度等级:出厂试验为 2.5 级,型式试验为 1.5 级。
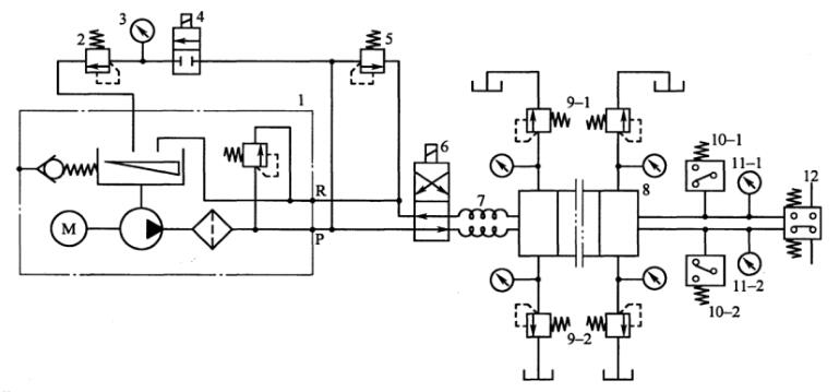
2.2 试验系统原理
分配器的试验系统原理如图 1 所示。

说明:1——电动润滑泵;2——氐压调压阀;3、11——压力表;4、6——换向阀;5——高压调压统;
7——盘形管(5m);8——被试分配器;9——给油口调压阀;10——压力继电器;12——压差开关。
图 1 试验系统原理图
2.3 起动压力试验
起动电动润滑泵,调节高压调压阀 5,将系统压力调至 30MPa。然后将换向阀 4 置于通油位置,调节低压调压阀 2,将系统压力调至 1.5MPa。分配器在所有给油口无背压,给油量最大时,指示杆应运动。换向阀 6 换向后,做同样试验。
2.4 漏损量试验
将换向阀 4 置于关闭位置,系统压力调至 30MPa,所有给油口无背压时,保压 6min,测量每个给油口的漏损量,其值应符合 1.2 的规定。
2.5 密封性试验
系统压力为 30MPa 时,保压 2min,目视检查分配器外部各密封处,不应有渗漏现象。换向阀 6 换向后,做同样试验。
2.6 给油量试验
2.6.1 将分配器所有给油口给油量调至最大,无背压,测量每个给油口 10 次的给油量,其值应符合 1.1.1 的规定。
2.6.2 将分配器所有给油口给油量调至最大,背压调至 15MPa,测量每个给油口 10 次的给油量,其值应符合 1.1.2 的规定。
2.7 发讯功能试验
带接近开关的分配器在运行时,用万用表测量接近开关的触头,当指示杆伸出和退回时,相应的触头应接通和断开。
2.8 清洁度检查
将分配器解体,用经过过滤的石油醚冲洗所有零件通油部位。将冲洗后的石油醚用已在温度为 120℃ 的烘箱内烘干 60min 且已称重的中速定量过滤纸过滤,然后把过滤纸放入温度为 120℃ 的烘箱内烘干 60min。取出烘干的过滤纸再次称重。过滤纸过滤后的重量与过滤前的重量之差值即为杂质重量。其值应符合 1.6 的规定。
2.9 寿命试验
分配器的寿命试验应在模拟工况的试验台上进行。试验介质为锥入度 265*0.1mm(25℃,150g)的润滑脂。将分配器所有给油口给油量调至最大,无背压。运行 50 000 次后,再按 2.6.2 的规定进行给油量试验,其值应符合 1.7 的规定。
以上就是今天的分享!如果您对用于上述试验的分配器性能试验系统感兴趣,欢迎与我们联系!
