汽车液压比例阀包括汽车使用的液压定值比例阀、液压惯性比例阀和液压感载比例阀。今天我们来学习其性能试验的相关要求的内容。
1、试验设备
1.1 性能试验装置。
1.1.1 真空密封性测量系统测试回路的总有效容积应在 450mL~500mL 范围内,真空度显示或记录装置的分辨率不应低于 1.5Pa。
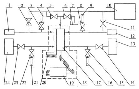
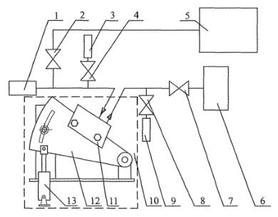
1.1.2 液压密封性和工作特性试验装置原理图见图 1、图 2,其相关要求如下:

1、12——测量容积调节装置;2、3、5、6、8、11、14、15、22、23——截止阀;
4、9、16、21——压力测量装置(压力传感器或压力表);7——油箱;10——压力源;13、24——负载装置;
17——试验样件;18——高、低温试验箱;19——试验样件工作状态驱动装置;20——试验样件夹具
图 1 液压定值比例阀和液压感载比例阀液压密封性、工作特性测试原理图

1——测量容积调节装置;2、4、7、8——截止阀;3、9——压力测量装置(压力传感器或压力表);
5——压力源;6——负载装置;10——高、低温试验箱;11一试验样件;12——试验样件夹具;
13——试验样件工作状态驱动装置
图 2 液压惯性比例阀液压密封性、工作特性测试原理图
a)压力源应能使样件进液口的压力以设定的升压速率建立压力,且能在到达规定的压力后保持稳定。当需要快速卸压时,应能不受阻碍地快速卸压至 0.01MPa 以下。
b)测量容积调节装置应能调节所在液压测试回路的总有效容积。当进行液压密封性试验时,每个液压测试回路的总有效容积应为 135mL~150mL。
c)压力测量装置的安装位置距样件进液口、出液口不宜超过 800mm;压力显示或记录装置的分辨率不应低于 0.001MPa。
d)当进行液压惯性比例阀的工作特性试验时,试验装置应能根据试验要求在惯性球的非工作状态和惯性球的工作状态之间不断转换。
e)负载装置宜模拟实车负载。
f)试验装置的布置形式应有利于排尽整个液压系统内的空气。
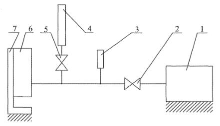
1.1.3 耗液量试验装置的原理图见图 3。在 0~25MPa 范围内的任何压力下,各截止阀保压 30s 的泄漏量应为零。量管的分辨率不应低于 0.01mL,压力显示或记录装置的分辨率不应低于 0.01MPa。

1——压力源;2、5——截止阀;3——压力测量装置(压力传感器或压力表);
4——量管;6——试验样件;7——试验样件夹具
图 3 耗液量测试原理图
1.2 温度耐久性试验装置。
1.2.1 试验原理图可参考图 1、图 2。
1.2.2 压力监控装置的准确度等级不应低于 1.5 级。
1.2.3 试验装置应能自动记录温度耐久性的试验次数。
1.3 夹具。
1.3.1 液压定值比例阀试验的样件夹具应能模拟实车安装状态。
1.3.2 液压惯性比例阀试验的样件夹具应能模拟实车安装状态,样件的安装角度能模拟样件在惯性球的非工作状态和惯性球的工作状态间转换,其角度变化率可调。
1.3.3 液压感载比例阀试验的样件夹具应能模拟汽车的空载和满载状态,其安装误差不应引起其输入-输出特性曲线的变化;在进行感载弹簧耐久性试验时,感载弹簧与汽车本体连接端应能模拟汽车空载和满载状态变化时的位置变化,其移动速度应可调。
1.4 高、低温试验箱。
试验箱的实际温度与设定温度的误差不应大于 ±2℃。试验箱应有连接液压管路的通道,并且该通道应有隔热、隔湿的密封措施。试验箱内应有足够安装样件及连接液压管路的空间。
1.5 振动试验设备。
振动设备的振动波形为正弦波,加速度波形失真不应大于 25%,频率误差不应大于 ±1%。
1.6 盐雾试验箱。
盐雾试验箱应满足 GB/T 10125 中的中性盐雾试验的要求。
2、样件
2.1 样件应为按经规定程序批准的技术文件制造的产品。
2.2 样件数量和试验项目宜根据不同的试验目的按表 1 进行选择,或供需双方协商确定。
2.3 试验所用制动液牌号应与实车使用的制动液相同。
表 1 样件数量和试验项目
| 试验顺序 | 试验项目 | 样件编号及要进行的试验项目 | |||||
| 1 | 2 | 3 | 4 | 5 | 6 | ||
| 1 | 真空密封性 | * a | * | * | * | - b | - |
| 2 | 液压密封性 | * | * | * | * | - | - |
| 3 | 耗液量 | * | * | * | * | - | - |
| 4 | 常温工作特性 | * | * | * | * | - | - |
| 5 | 低温缓加压特性 | * | * | * | * | - | - |
| 6 | 高温缓加压特性 | * | * | * | * | - | - |
| 7 | 耐冲洗性 | - | - | - | - | * | - |
| 8 | 耐振性能 | - | - | - | * | - | - |
| 9 | 温度耐久性 | * | * | * | - | - | |
| 10 | 耐腐蚀性 | - | - | - | - | - | * |
注:a"*"表示要进行的试验项目。
b"-"表示不进行的试验项目。