今天给大家带来的是关于滤清器的压差-流量特性试验程序的内容。
试验规定使用两种黏度的机油,以评定滤清器在使用低温机油和常用工作温度机油时的性能。
具体试验程序如下:
1、整套滤清器试验
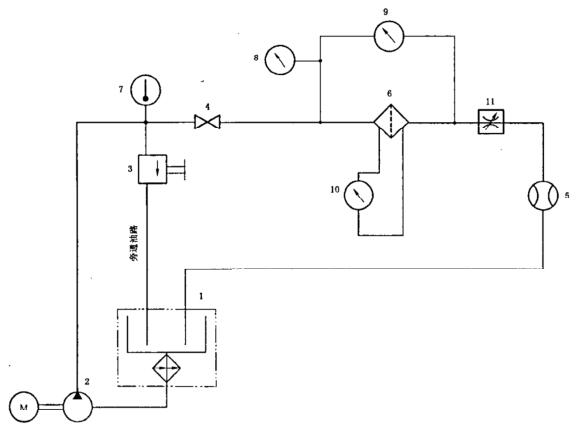
1.1 按图 1 所示安装试验滤清器。
1.2 将清洁试验液按需要加入油箱 1 内,并让其只经旁通管在试验台内循环。在此阶段,试验液应不流经滤清器。
1.3 接通加热器或冷却器,调节恒温器至所要求的温度,使温度逐渐稳定。
1.4 当油箱 1 内机油温度达到稳定时,使试验液以约 50% 的额定流量通过试验滤清器,并再次使温度达到稳定。必要时,可放掉系统内的试验液。
1.5 当温度指示仪 7 显示滤清器进口处的机油温度已稳定在要求值时,在滤清器 10% 与 110% 额定流量之间,按大致相等的增量至少取 4 个流量点(最好 8 个),测量滤清器在每点处的压差。通过调节压力调节阀 3 和流量调节阀 11 使流量达到所要求的值,以确保进口压力大于指示压差,使滤清器出口处保持正压。然后保持流量不变,使压力达到稳定时再测取每一压差的读数值。
1.6 对每种黏度的机油按 1.3~1.5 所述的程序进行试验。
2、滤芯试验
如要测取滤芯压差,应按 1.1~1.6 所述的试验程序进行单独试验。滤清器的安装应根据滤清器的类型符合相关规定。

标号说明:
1——装有恒温控制式加热器和冷却器的油箱(最好隔热);
2——电动泵;3——调节阀(调节压力用);4——开关阀;5——流量计;6——试验滤清器;
7——与温度指示仪连接的温度传感器;8——压力表;
9——测量滤清器压差的压差计或两只单独的压力表;
10——测量滤芯压差的压差计或两只单独的压力表;
11——调节阀(调节流量用)。
图 1 试验台总体布置图
以上就是今天的分享!如果您对用于上述试验的滤清器压差-流量特性试验台感兴趣,欢迎与我们联系!
