焊接连接铰接管接头常用于管子外径为 10mm~28mm、最大工作压力不超过 32MPa、工作温度为 -40℃~100℃ 的液压流体传动和一般用途的管路系统。今天我们来学习关于该型管接头性能试验的内容。

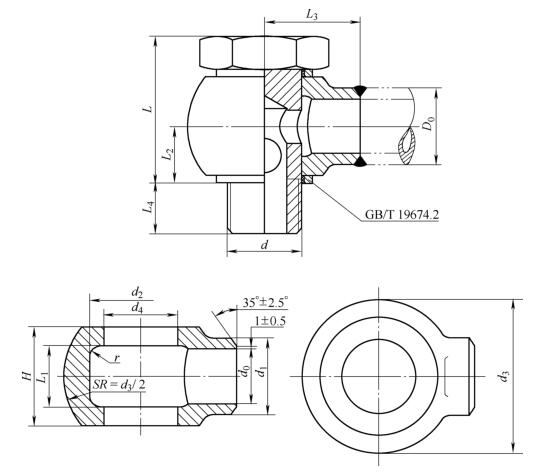
图 1 焊接连接铰接管接头
1、一般要求
当改变加工工艺或原材料变动时,制造商应对管接头做型式试验。型式试验分为气密性试验和耐压试验。
型式试验具有一定的危险性,在进行试验时,必须严格遵守相应的安全防护措施,特别需防范爆裂、细喷(能穿透皮肤)和气体膨胀造成的能量释放。为了降低气体膨胀能量释放的危险性,在进行耐压试验时,加压前应排放尽试验样件中的空气。试验人员需经过适当培训。
2、试验介质
气密性试验流体介质应采用空气、氮气或氦气。耐压试验流体介质应采用符合 GB/T 7631.2 要求的粘度不大于 GB/T 3141 规定的 VG32 液压油(如 HM)或水。除非另有规定,所有试验用流体介质温度应在 15℃~80℃ 之间。
3、气密性试验
管接头应通过泄漏试验,将组装好的管接头试验组件浸没在水中,加压至 4.8MPa。保压 3min,观察是否有气泡冒出。应在测试报告中明确注明测试流体介质是空气、氮气或氦气。
通过本试验的零件可继续用于耐压试验,但不得投入实际使用。
4、耐压试验
管接头试验组件应能在 64MPa 的工作压力下(升压速度每秒不得超过最大工作压力值的 16%)保压 1min 而不产生渗漏、破裂或拔脱。应在测试报告中明确注明测试流体介质是油或水。
通过本试验的零件不得投入实际使用。
以上就是今天的分享!如果您对用于上述试验的管接头气密性试验装置和耐压试验装置感兴趣,欢迎与我们联系!
