液压手动及滚轮换向阀是以液压油或性能相当的其他液体为工作介质的液压手动及滚轮换向阀。根据相关标准规定液压手动及滚轮换向阀的型式试验项目包括出厂试验的所有项目(耐压性、滑阀机能、换向性能、压力损失、内泄漏量、密封性)以及稳态试验。今天我们就来学习其中唯一不在出厂试验项目的项目-稳态试验的内容。

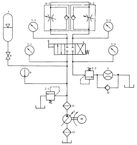
1——液压泵;2-1、2-2——溢流阀;3-1、3-2、3-3、3-4——压力表;4——被试阀;5——流量计;
6-1、6-2——单向节流阀;7——蓄能器;8——截止阀;9——温度计;10——单向阀;
11——精过滤器;12——粗过滤器。
图 1 试验回路原理图
1、按“出厂试验”的规定,试验全部项目,并按以下方法试验和绘制特性曲线图:
a)在压力损失试验时,将被试阀的阀芯位置于各通油位置,使通过被试阀的流量从零逐渐增大到试验流量,其间设定几个测量点(设定的测量点数应足以描出流量-压力损失曲线),分别用压力表 3-1、3-2、3-3、3-4 测量各设定点的压力。绘出图 2 所示流量-压力损失曲线。

图 2 流量-压力损失曲线
b)在内泄漏量试验时,将被试阀的阀芯置于规定的测量位置,使被试阀 P 油口压力从零逐渐增高到公称压力,其间设定几个测量点(设定的测量点数应足以描出压力-内泄漏量曲线),分别测量各设定点的内泄漏量。绘出图 3 所示压力-内泄漏量曲线。

图 3 流量-内泄漏量曲线
2、工作范围试验:
将被试阀的阀芯置于某通油位置,完全打开单向节流阀 6-1(或 6-2)和溢流阀 2-2,使压力表 3-2(或 3-3)的指示压力为最低负载压力。然后,使通过被试阀的流量从零逐渐增大到大于额定流量的某一最大设定流量(此最大设定流量各制造厂可根据本厂的产品水平情况自定),其间设定几个流量点记录各流量点所对应的压力表 3-1 的指示压力,绘出如图所示的曲线 OD,调节溢流阀 2-1 和单向节流阀 6-1(或 6-2),使压力表 3-1 的指示压力为被试阀的公称压力。逐渐增大通过被试阀的流量,被试阀应均能换向和复位(对中)。当流量增大到某一值被试阀不能换向和复位为止。按此试验法,直到最大设定流量。根据上述试验中记录的数据,绘出如图 4 所示的曲线 ABC。曲线 ABCDO 所包区域为被试阀能正常换向和复位(对中)的工作范围,曲线 BC 为转换域。
重复上述试验不少于三次,绘出图 4 所示的工作范围图。

注:qVR——额定流量;qVB——转换域 B 点时的流量;qVmax——最大设定流量.
图 4 工作范围图