今天给大家带来的分享是关于阀门流量系统和流阻系数试验装置和测量仪表的相关要求的内容。
1、试验装置
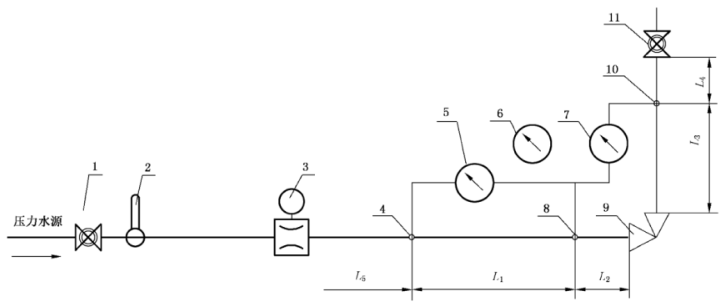
1.1 试验阀门为直通式或Z形连接(进出口不在同一轴线上)的典型试验系统布置如图 1 所示;试验阀门为角式连接的典型试验系统布置如图 2 所示。

说明:
1——上游阀门;2——温度计;3——流量测量仪表;4——直管段取压孔;5——直管段差压(△pt)测量仪表;6——压力测量仪表;
7——试验阀门管段差压(△p1)测量仪表;8——上游取压孔;9——试验阀门;10——下游取压孔;11——下游调节阀门。
图 1 直通式或 Z 形连接试验阀门的典型试验系统布置图

说明:1——上游阀门;2——温度计;3——流量测量仪表;4——直管段取压孔;5——直管段差压(△pt)测量仪表;6——压力测量仪表;
7——试验阀门管段差压(△p1)测量仪表;8——上游取压孔;9——试验阀门;10——下游取压孔;11——下游调节阀门。
图 2 角式连接试验阀门的典型试验系统布置图
1.2 当试验阀门有多个进出端口的,应按 1.1 的要求,在需要测试的两端或多端布置试验系统。
1.3 除非因试验阀门连接形式的原因,试验阀门连接管道无法水平安装的,其他所有的试验阀门连接管道都应采取试验阀门和连接管道均水平布置方式布置进行试验。
1.4 应保证试验过程中,管道内全部充满水,不会有空气进入管道内。
1.5 试验时,应保证下游调节阀门前管道内的水压力应不小于 35kPa。
1.6 下游调节阀门应采用不会造成管道内水流量波动的阀门(阀芯节流件不会是在水流中有晃动)。
1.7 安装后,连接管道与流量测量仪表、试验阀门各处应当同轴,各连接处应无泄漏。连接处的密封垫片的内孔应不小于管道内径,应无影响管道流通的凸台、棱边等现象存在。
2、连接管道
2.1 流量仪表连接管道、试验阀门前后的所有管道应是圆形直管,不得有凸台、凹坑等现象,管道的尺寸及偏差应符合 GB/T 17395 的规定。管道内表面应清洁,无氧化皮和其他可能引起流体扰动的障碍物。安装流量测量仪表和试验阀门的管道的连接端部都应是平直的。
2.2 如图 1 或图 2 所示,L1~L5 是指与试验阀门同一公称尺寸的直管段长度。L1 是用来测量试验阀门连接管道本身的流量-差压的测量管段;L2 和 L3 是试验阀门上下游连接管道取压点管段,L4 是试验阀门下游取压点后的直管段;L5 是指管道取压点前直管段长度。
2.3 试验阀门连接管道及取压点的长度要求为:L2 应是大于或等于管道公称尺寸的 5 倍,L3 应是大于或等于管道公称尺寸的 10 倍,L4 应大于连接管道公称尺寸的 5 倍。试验系统中设置 L1 直管段的,L1 应是 L2 和 L3 的长度之和,L5 的长度应是大于管道公称尺寸的 15 倍;若试验系统未设置 L1 直管段的,L5 的长度应是大于管道公称尺寸的 18 倍。L5 管段若采用了整流导叶,则长度可缩短到管道公称尺寸的 8 倍。
2.4 流量测量仪表连接管道的长度应满足流量测量仪表对连接管道长度的要求,该连接管道和法兰的内径应不小于流量计的内径,以接近流量计的内径为宜。
2.5 除螺纹端连接的阀门外,连接试验阀门的管道的内径应不小于试验阀门的连接端的内径。
2.6 螺纹端阀门的连接管的端面应设法抵触到阀门螺纹底部的台阶。
3、取压孔和接管
3.1 测量管道上的每个取压截面应有 1 个、2 个对称或 4 个对称布置的取压孔;公称尺寸大于 DN300 的测量管道及耍求测量精度高于 1% 的所有管道,都应在测量管道的每个取压截面有 4 个对称布置的取用孔,然后将各个取压孔汇集合成一个总取压孔。测量管道取压孔的内径按表 1 的规定。
表 1 测量管道取压孔内径
| 公称尺寸 DN | 取压孔内径范用 mm |
| <20 | 1.5~2 |
| 20~50 | 2~3 |
| >50 | 3~5 |
3.2 取压孔应与测量管道垂直,偏角最大不得超过 5°。取压孔在测量管道内外表面的边应是锐角,且不应有毛刺、钻削飞边存在。汇集合成的总取压孔与差压测量仪表间连接管道的内径应至少为测量管道上各个取压孔内径的 2 倍,汇集合成的总取压孔接管口应水平方向设置。
4、测量仪表
4.1 对于公称尺寸不大于 DN500 的阀门的试验系统,流量测量仪表可采用可测量水介质的电磁、涡轮或文丘里等流量测量仪表,精度等级应不低于 1.0 级。
4.2 对于公称尺寸不大于 DN500 的阀门的试验系统,差压测量仪表可采用可测量水介质的差压计或水银 U 形管,差压计精度等级应不低于 1.0 级,水银 U 形管的分辨率应不低于 1mm。
4.3 压力测量仪表可采用压力表或压力传感器,精度等级应不低于 1.0 级。
4.4 温度测量仪表可采用温度传感器或水银温度计测量水的温度,温度的分辨值不低于 ±1℃。
4.5 所有仪表应按国家有关校准或检定规程进行校准或检定。
以上就是今天的分享!如果您对用于上述试验的阀门流量/流阻系统试验装置感兴趣,欢迎与我们联系!
