复合材料滤清器是一种以温敏复合材料制造的旋装式或其他形式的机油滤清器(以下简称滤清器)。今天我们来学习关于该型滤清器静压耐破度试验用试验台、试验液、试验准备和试验程序的要求。
1、试验台
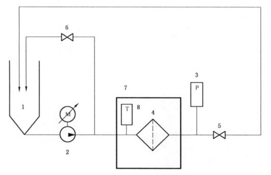
试验台(见图 1)应包括:能产生所需压力的一台手动液压泵或其他合适技术装置;高压油管和阀门;量程为 0kPa〜3000kPa 或更高以满足规定压力目标值[见 3.1g],且安装于试验滤清器下游的测压装置;用于连接整个滤清器的接头。
为达到 -30℃〜+150℃ 的试验温度条件,推荐使用环境箱。
默认情况下,滤清器进行试验的温度为 -30℃〜+150℃。
记录压力值或监测达到最大压力值的方式,应能对压力进行连续跟踪并确定泄漏时的压力值。
所设计的试验台应确保试验人员能安全地进行试验操作。

说明:1——油箱;2——油泵;3——压力传感器;4——试验滤清器;5——开关阀;6——压力调节阀;
7——环境箱;8——温度传感器;M——电动机;T——温度计 a;P——压力表 a。
a 测量仪器的准确度见表 1。
图 1 静压耐破度试验台液压系统示意图
表 1 仪器准确度
| 试验参数 | 单位 | 工作范围 | 测量准确度 |
| 温度 | ℃ | -30℃〜+150℃ | ±3℃ |
| 压力 | kPa | 0kPa~3000kPa a | ±5% |
| a 如要求更高的压力,应调整此范围以满足需要。 | |||
2、试验液
试验用机油在 -30℃〜+150℃(或用户与制造商商定的其他温度范围)温度下应不出现着火或凝胶现象,并且在该温度范围内的黏度应在 5mm²/s〜10000mm²/s 之间。
3、试验准备和试验程序
3.1 滤清器满足技术要求的验证
a)按照推荐的拧紧力矩(如旋装滤试验样件相对于滤座等)安装整个滤清器。如拧紧力矩给出了公差,应采用下偏差。与滤清器连接的接头应等效于发动机上的连接接头,并经用户和制造商商定认可。
b)将液压泵与滤清器或接头的进口相连接,并在滤清器或接头的出口处接一出油阀,出油阀的出口应置于整个系统的最高点。
C)操纵液压泵,将机油泵入系统,直至出油阀出口处观察到机油流出。此时表明全部空气已从系统中排出。
d)关闭出油阀,在试验观察者与滤清器之间装上防护罩。
e)设定试验液温度以使滤清器试件达到规定温度,然后加热或冷却试件(如可行,将温度传感器置于壳体内或壳体表面)。
f)当达到规定试验温度后,保温至少 1h,然后逐渐升高油压到 200kPa,保压 1min 以上,检查滤清器及所有接合处是否渗漏。
注:若已知破裂压力近似值,首次压力可升至已知破裂压力近似值的 50%。这样对耐高压滤清器可缩短试验时间,且不会影响数据质量。
g)以每 10s 大约 100kPa 的控制压力梯度升高油压,每次压力递增后应保压 1min 以上,并检查滤清器是否渗漏;继续升高油压,直至达到规定的压力值并保压 1min 以上(除非出现失效)。
h)将油压降至零,使试验油液和环境箱温度回到室温,然后测量接头与端盖和旋装滤芯之间的残余拧紧力矩,拧下滤清器或滤帽,并确定发生永久变形的形式。
3.2 测定速滑器失效压力
a)用另一滤清器按 3.1a)〜f)进行试验。
注:若已知破裂压力近似值,首次压力可升至已知破裂压力近似值的 50%。此时对耐高压滤清器可缩短试验时间,且不会影响数据质量。
b)继续以每 10s 大约 100kPa 的压力梯度逐渐升高压力,每次压力递增后保压 10s,直至滤清器发生失效,如破裂或渗漏等。
c)检查滤清器失效模式的具体形式。
以上就是今天的分享!如果您对用于上述试验的滤清器静压耐破度试验台设备感兴趣,欢迎与我们联系!
