今天给大家带来的分享内容是:用于气动元件-调压阀可靠性评估的试验设备。如果您对下文所述调压阀的性能试验设备感兴趣,欢迎与我们取联系!
1、基本试验设备
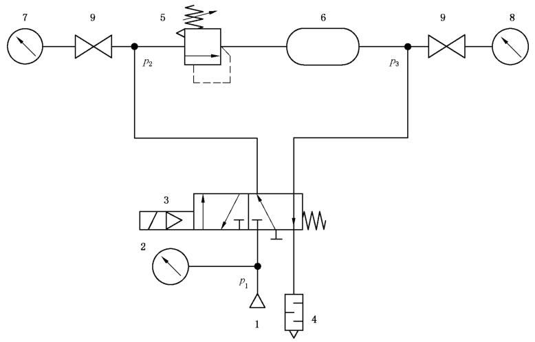
1.1 被测调压阀的试验回路见图 1 或图 2。多个试验回路使用同一压缩空气气源时,每个试验回路应使用相同的元件。附录 A 给出了一种扩展试验回路,其中包含隔离测量仪器的附加元件。图 1 所示的基本试验回路未包含所有必要的安全装置,应采取防护措施以防元件失效引起的伤害。负责测试的人员应充分考虑人员和设备的安全。

标引序号说明:
1——气源;2——测量 p1 的压力表;3——二位五通换向阀;4——消声器;
5——被测调压阀(即被测元件);6——气容;7——测量 p2 的压力表或压力传感器;
8——测量 p3 的压力表或压力传感器;9——截止阀或快换接头。
图 1 试验回路
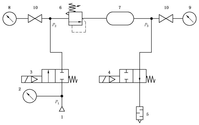
1.2 如果图 1 中使用的二位五通换向阀(元件 3)流量规格大,也可使用图 2 所示的替代试验回路。在该回路中,两个二位二通阀应同时动作。

标引序号说明:
1——气源;2——测量 p1 的压力表;3——二位二通阀(常闭);4——二位二通阀(常开);
5——消声器;6——被测调压阀(即被测元件);7——气容;8——测量 p2 的压力表或压力传感器;
9——测量 p3 的压力表或压力传感器;10——截止阀或快换接头。
图 2 可选试验回路
1.3 如果被测元件主体具有两个或三个不同尺寸的接口,则选择最大的接口。
1.4 在安装被测元件前,先按照 ISO6953-3 对被测元件进行流量测试,确定每个被测元件的正向声速流导 Cf。
1.5 图 1 中元件 2、7、8 或图 2 中元件 2、8、9 所示的压力测量仪器(压力表或压力传感器)分别与试验回路中的截止阀或快换接头连接。
2、换向阀
试验回路中使用外部先导式或直动式换向阀。换向阀的声速流导值 C 应不小于被测元件的正向声速流导 Cf,也应满足 7.3.1 中 b)的要求。
3、气容
图 1 中气容 6 和图 2 中气容 7 的尺寸应符合 ISO19973-1:2015 的规定。
附录 A
(资料性)
可选的扩展试验回路
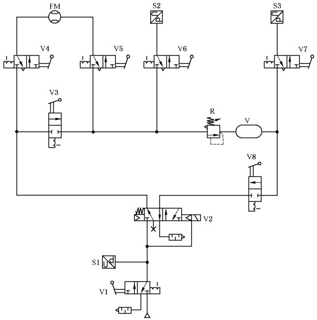
图 1 所示试验回路中的元件是必不可少的。图 A.1 所示的扩展回路是可选的,包含了隔离测量仪器的附加元件。隔离阀可防止在循环工作期间使仪器承受压力,但可在测量期间开启进行测量并记录。
表 A.1 列出了图 A.1 所示扩展试验回路的测量步骤。

标引序号说明:
FM——流量计;S1、S2、S3——压力传感器;R——被测元件;V——气容;V1——进口截止阀;
V2——起循环作用的阀;V3、V8——起隔离作用的阀;V4、V5、V6、V7——隔离传感器的截止阀。
图 A.1 可选的扩展试验回路
表 A.1 测量步骤
