地面安全阀(SSV)和水下安全阀(USV)的设计确认程序:
1、总则
1.1 目的
附录C提供了如下要求:
a)确认:对设计和生产均满足 PR2 级要求的阀,可用作下列一类或两类要求的地面安全阀/水下安全阀(SSV/USV)的阀组件:
1)Ⅰ类:该性能要求级别预期用于没有砂蚀有害作用的井。
2)Ⅱ类:该性能要求级别预期用于砂粒类物质可能引起 SSV/USV 阀组件失效的井。
b)证明:本附录包含的设计确认试验,用以鉴定按本标准的Ⅱ类阀组件制造的特定阀孔密封机构。
1.2 性能要求
为了鉴定按Ⅰ类或Ⅱ类设计的特定 SSV/USV,制造商应对相同基本设计和相同材料结构的 SSV/USV,按照本标准 PR2 级、PSL2 的要求进行试验。
为了鉴定Ⅰ类环境条件的 SSV/USV,该阀应通过 3 规定的设计确认试验。
为了鉴定Ⅱ类环境条件的 SSV/USV,该阀应通过 4 规定的设计确认试验。
鉴定合格的Ⅱ类阀也满足Ⅰ类阀的要求。
1.3 设计确认试验
本附录的设计确认试验要求并不完全代表实际井况。完全符合 SY/T 10006 或 API Spec 6AV1(有效期内的)确认试验要求的确认试验,满足本附录的要求。
1.4 设计确认试验要求
应使用法兰标称尺寸 21/16in(52mm)、额定工作压力为 34.5MPa 的 SSV/USV 阀组件来进行鉴定试验。被试验的阀应按要求进行静水压和功能试验,并满足规定的 PR2 要求。成功完成的试验应鉴定该制造商的所有尺寸和所有额定工作压力的、用于Ⅰ类使用条件、相同的基本设计和材料结构的 SSV/USV 均合格。能影响到 SSV/USV 阀孔密封机构的设计或材料结构的任何重大改变,均应按确认试验的要求重新鉴定。
注:虽然 1.4 的要求摘自 API Spec 6AV1。但,API Spec 6AV1 还包含了另外的要求,即当鉴定试验完成后,所有的相同基本设计和相同材料结构的Ⅱ类的 SSV/USV 也进行了确认。希望 1.4 将来与 API Spec 6AV1 完全匹配。
1.5 文件(鉴定档案)
要求制造商保存每一个试验文件(包括要求鉴定特殊的 SSV/USV 设计和材料结构的任何重新试验),这些文件至少应包含满足 E.1.15 的足够文件,并应在设计被废止后至少保存 10 年。
1.6 试验装置的校准要求
试验装置的校准要求应满足 E.1.16 的要求。
压力测试装置应满足 7.2.2 的要求。
1.7 热敏开-关装置
制造商应有相关的资料,表明热敏开-关装置已进行了足够的试验,以确保其能够满足 10.20.2.5 的设计要求。
2、Ⅰ类或Ⅱ类 SSV/USV 设计确认试验设备的一般要求
2.1 总则
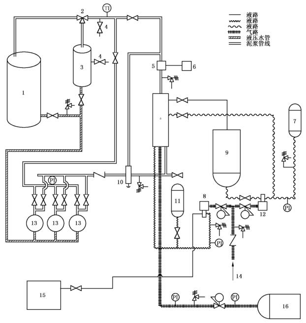
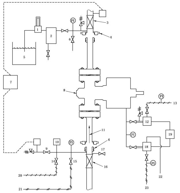
Ⅱ类 SSV/USV 设计确认试验的试验设备,其典型管线排列和试验段详图如图 1 和图 2 所示。
2.2 设计考虑
适用下列各项:
a)设计的试验设备应允许进行 3 和 4 所祥述的确认试验。
b)循环管线应具有足够的额定工作压力以承受循环压力。试验段中的上游隔离阀,压力测试装置、阀以及其与所测试 SSV/USV 阀组件之间的配件,应设计成至少满足被测试阀的额定工作压力,较低额定工作压力值的组件应采用合适的泄压阀进行保护。
2.3 仪器——循环系统组件
2.3.1 清水罐
至少具备 1m³ 的容积、并装有具有关闭控制的低液位泵。
2.3.2 泥浆罐及其附件
提供至少具有 1m³ 容积的带锥底的圆柱形泥浆罐,并装有搅拌器,以获得均匀的泥浆。
在罐和罐的回流管线上应具有取样接头,以便获得具有代表性的含砂量和粘度分析样品。罐应装有高低液位关闭控制装置,以发出停止循环泵的信号。粘度和含砂量应按 GB/T 16783.1 来确定。
2.3.3 循环泵和控制设备
带驱动的循环泵和控制设备按要求的流量及压力泵送泥浆和清水。
至少有一台泵应装有变速马达,以便控制循环流量。每台泵的马达应装有不可修改的计时装置,以便监测泵送持续时间。
2.3.4 循环管线和控制设备
循环管线和控制设备按与图 1 所示的相似布置安装,并应按图 2 所示设置截断阀。在泥浆罐的回流管线上应安装能提供搅拌的装置,以有利于阻止泥浆沉积在罐底。应按图 2 所示,在循环泵和试验段之间安装节流阀或其他如背压控制装置,以便在循环试验中将 SSV/USV 的压差控制在 2.8MPa。
2.3.5 循环流量计
循环流量计量程的最小流量为 0.3m³/min,并提供一个适合于条带线记录仪的输出信号。
2.3.6 记录仪
用来监测如下数据:
——所有流程试验期间的循环流量;
——阀座渗漏试验期间的 SSV/USV 阀组件上游试验压力;
——关闭试验期间,正在经受试验的 SSV/USV 阀组件两侧的压差。
记录仪应具有适当的范围和配置不同走纸速度,以适应模拟信号随时间变化的分辨率。当用适当的文件规定和有资格的人员认可后,其他基于时间记录的工艺方法也可使用。
3、Ⅰ类 SSV/USV 阀设计确认试验——试验程序
下列程序为一般程序,并为此给出了Ⅰ类使用条件的 SSV/USV 设计确认试验的限制和范围。
a)按图 1 和图 2 所示,在流体循环系统试验段中安装 SSV/USV。
b)用清水在额定工作压力和用氮气在 13.8MPa下,进行 SSV/USV 压力完整性的座封试验。在 3min 保压期内应不允许有渗漏。
c)在 SSV/USV 全开孔位置情况下,循环水或其他合适流体通过 SSV/USV,循环 50h。在终了时,重复 3b)的座封试验。在 3min 保压期内应不允许有渗漏。
d)在进行循环的 SSV/USV,从全开到全关位置情况下,循环水或其他适合流体通过 SSV/USV。当 SSV/USV 每一次关闭时,SSV/USV 阀座两侧的压差应增至约 2.8MPa。这样操作 500 个循环后,重复进行 3b)的 SSV/USV 座封试验,在 3min 保压期内应不允许有渗漏。在此项试验期间,如果制造商的操作手册中规定了预防性维护程序,则执行正常的预防性维护程序,但试验中最后 100 个操作循环应不允许进行预防性维护。SSV/USV 在每一个保压期内不应有可见渗漏。在保压期的开始和结束时,记录试验压力和时间。
4、Ⅱ类 SSV/USV 设计确认试验
4.1 总则
为了鉴定Ⅱ类特定的 SSV/USV 的设计,制造商应按本标准 PR2 和 PSL2 的要求,对基本设计和材料结构均相同的 SSV/USV 进行试验。
4.2 Ⅱ类 SSV/USV 使用条件下的 SSV/USV 阀座渗漏试验程序执行下列程序,并按要求记录结果。
a)第 1 步:在试验段中安装 SSV/USV。
b)第 2 步:用清水检查 SSV/USV 的渗漏:
1)在 SSV/USV 全开情况下,以最小 0.30m³/min 流量的清水循环至少 10min;
2)通过释放驱动器的动力来关闭 SSV/USV;
3)关闭 SSV/USV 上游和下游的隔离阀;
4)打开下游液体渗漏检查阀;
5)在 SSV/USV 上游,施加清水压力为 SSV/USV 额定工作压力的 95%~105%;
6)稳压至少稳定了 3min 后,在下游渗漏检查阀处,进行至少 5min 的 SSV/USV 阀座渗漏检查,不允许渗漏。
c)第 3 步:用氮气检查 SSV/USV 的渗漏:
1)关闭上游和下游的隔离阀;
2)在 SSV/USV 两侧进行泄压和排水(在排水过程中打开和关闭 SSV/USV 阀三次);
3)关闭 SSV/USV;
4)打开放空阀,将与此相连的软管另一端浸入盛水容器中;
5)在 SSV/USV 的上游施加 13.8MPa±0.68MPa 压力的氮气;
6)稳压至少 3min后,通过观察气泡,进行至少 5min 的阀座渗漏检查,不允许有渗漏。
4.3 Ⅱ类 SSV/USV 使用条件下的泥浆流动试验程序
执行下列程序,并按要求记录结果。
第 1 步:用泥浆搅拌器搅拌,并以最小 0.30m³/min 的流量旁通试验段循环泥浆,使泥浆黏度和含砂量达到稳定;
第 2 步:根据 GB/T 16783.1 的要求,确定泥浆的含砂量,并通过加入 40 目~60 目的砂粒或用清水稀释,以调整循环流体的含砂量达(2±0.5)%;
第 3 步:根据 GB/T 16783.1 的要求,用马氏漏斗粘度计取样确定泥浆黏度,通过增加黏度或用清水稀释的办法来调整黏度为 100+20-10s;
第 4 步:如果在第 3 步中进行过稀释或加稠,则返回到该程序的第 1 步;
第 5 步:调整流量至少为 0.30m³/min,记录流量、含砂百分比和黏度;
第 6 步:泵送泥浆通过 SSV/USV,持续 25h±1h;
第 7 步:按第 2 步和第 3 步检查泥浆的含砂量和黏度,按要求加以调整;
第 8 步:在至少 0.30m³/min 的流量下,泵送泥浆通过 SSV/USV,持续 25h±1h;
第 9 步:按 4.2b)的程序用清水进行渗漏检查;
第 10 步:按 4.2c)的程序用氮气进行渗漏检查。
4.4 Ⅱ类 SSV/USV 使用条件下循环期间,阀的泥浆流动循环试验执行下列程序,并按要求记录结果。
第 1 步:用泥浆搅拌器搅拌,并以最小 0.30m³/min 的流量旁通试验段循环泥浆;
第 2 步:见 4.3 的第 2 步;
第 3 步:见 4.3 的第 3 步;
第 4 步:见 4.3 的第 4 步;
第 5 步:见 4.3 的第 5 步;
第 6 步:从全开到全关循环 SSV/USV 阀组件,每分钟最多循环 7 次;
第 7 步:调整 SSV/USV 阀组件上游的节流阀等装置,使 SSV/USV 阀在关闭状态下,SSV/USV 阀组件两端的压差为 2.8MPa±0.28MPa;
第 8 步:打开和关闭 SSV/USV,循环 500+100 个循环;
第 9 步:见 4.3 的第 9 步;
第 10 步:见 4.3 的第 10 步。

说明:1——水罐;2——二位三通换向阀;3——泥浆罐;4——含砂量和黏度分析取样连接;
5——流量计;6——流量记录仪;7——液压油蓄能器(液压油供给);8——高压水供给泵;
9——液压油箱;10——可调背压控制;11——高压水蓄能器(高压水供给);12——液压油供给泵;
13——循环泵;14——空气供给;15——清洁清水罐;16——氮气罐。
a 见图 2 试验段详图。
图 1 Ⅱ类含砂环境条件下 SSV/USV 确认试验的管线布置、试验设备示例

说明:1——空气流量计;2——漏失氮气分离器;3——下游隔离阀;4——锤击活接头(由壬);
5——水;6——下游泄漏检查阀(下游泄压阀);7——差压变送器;8——SSV/USV;
9——差压变送器隔离阀;10——上游压力变送器;11——试验流体流向;12——气动三通电磁阀;
13——空气供给;14——氮气压力管汇阀;15——高压水管汇阀;16——上游隔离阀;
17——上游泄漏检查阀(上游泄压阀);18——液动三通电磁阀;19——控制气动和液动电磁阀的开关循环计次仪;
20——氮气供给;21——高压水供给;22——液压油返回油箱;23——液压油供给。
图 2 SSV/USV 确认试验段详图示例
以上内容转摘自《GB/T 22513-2013石油天然气工业 钻井和采油设备 井口装置和采油树》。