今天给大家带来的分享是关于柴油机 油气分离器的压力冲击性能试验方法的内容。适用于中小功率(350kW以下)柴油机油气分离器。
油气分离器,位于柴油机曲轴箱通风系统下游,用于分离曲轴箱混合气体中的油,包括壳体、进气口、出气口、排油口及一个或多个油气分离单元,如有需要,还包括安全阀、压力调节阀及单向阀,具有调节和控制曲轴箱内压力的装置。
其压力冲击性能技术要求及试验方法要求如下:
1、压力冲击性能技术要求
总成应耐交变压力,按 2.4 的规定试验后,不得有开裂、变形、脱胶、零件松脱及阀类元件失效等缺陷。
2、压力冲击试验方法
2.1 需要进行试验的类型:滤芯油气分离器、带安全阀的油气分离器、带压力调节阀的油气分离器和带单向阀的油气分离器。
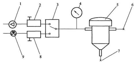
2.2 按图 1 所示将油气分离器与压力冲击试验台架连接并固定。

说明:1——空气压缩机;2、8——气罐(带压力控制装置);3——转换阀;
4——压力表;5——被试总成;6、7——堵头;9——真空泵。
图 1 压力冲击试验装置
2.3 试验时,离心油气分离器试验件的离心机应正常旋转工作,静电油气分离器试验件的静电场应正常工作。
2.4 油气分离器压力冲击试验按表 1 的规定进行,若无法兼顾到安全阀件、压力调节阀或单向阀,则需按"阀类元件耐久性试验方法"的规定进行补充试验。
表 1 压力冲击试验
| 类型 | 交变压力 a kPa | 循环次数 105 次 | |
| 低压 | 高压 | ||
| 开式油气分离器(带阀元件) | 0 | 5 | 10 |
| 闭式油气分离器(带阀元件) | -7 | 5 | 10 |
| 开式油气分离器(不带阀元件) | 0 | 5 | 5 |
| 闭式油气分离器(不带阀元件) | -7 | 5 | 5 |
| a 压力也可以按超出产品图样规定的 20% 设置。 | |||
2.5 完成表 1 规定的试验后,若总成符合 1 的要求,则进行"密封性试验、原始压力差试验以及原始分离效率试验"规定的试验。若不符合要求则需分析处理重新试验。
2.6 当油气分离器未达到规定的试验次数就出现损坏时应停止试验,记录并统计试验次数。
以上就是今天的分享!如果您对用于上述试验的油气分离器压力冲击性能试验装置感兴趣,欢迎与我们联系!
