今天给大家带来的分享是关于全液压转向器配套阀 优先阀(以下简称优先阀)的试验项目与试验方法,适用于以液压液油或性能相当的其他矿物油为工作介质的优先阀,不适用于其他类型的优先阀。
1、气密性检查
优先阀的气密性检查应在性能试验前进行。
在被试优先阀内腔充满 0.55MPa 以上压力的洁净气体,浸没在含有防锈功能的溶液中停留 15s 以上时间,观察有无气泡产生。
2、出厂试验
出厂试验项目有以下 6 项,对应的试验方法见以下内容。
2.1 转向溢流阀启闭特性(必试)
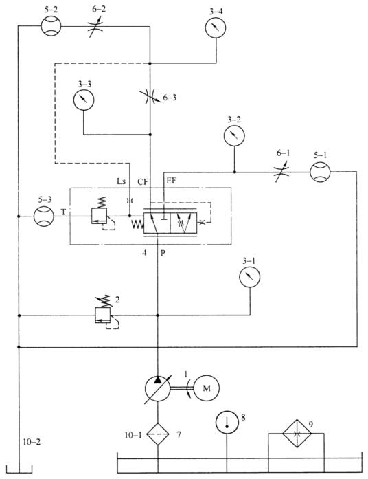
试验油路参见图 1,将溢流阀 2 的转向溢流阀开启压力调至比被试阀 4 的高 2MPa;将节流阀 6-1、节流阀 6-3 调到全开状态;
将转向溢流阀开启压力调至出厂调定值,调节节流阀 6-2,逐渐增加 CF 油路压力,记录 T 油口溢流量为 1L/min 时 CF 油路的压力 Pk 值,继续调节节流阀 6-2,增加 CF 油路压力,直至压力值不再上升为止,记录此时 CF 油路的压力值 Rt;调节节流阀 6-2,记录 T 油口溢流量下降至 1L/min 时 CF 油路的压力 Pb 值,全闭至全开反复试验,不少于 3 次,并计算出开启率和闭合率。
2.2 内外密封(必试)
将节流阀 6-2 调至全开状态,关闭节流阀 6-1、节流阀 6-3,调节溢流阀 2,使被试阀 4 的入口压力达到最高入口压力的规定值的 1.5 倍,保持压力 5min,观察外泄漏情况。
2.3 压力损失(抽试)
将节流阀 6-1、节流阀 6-2 调至全开状态,关闭节流阀 6-3,将被试阀的 EF 油口与 Ls 油口连通,被试阀 4 的入口流量不超过最大入口流量的 5%,记录此时 P 油口与 EF 油口之间的压差,逐渐增加被试阀 4 的入口流量,直至达到最大入口流量的规定值,记录 P 油口与 EF 油口间的压差;
将节流阀 6-2、节流阀 6-3 调至全开状态,关闭节流阀 6-1;逐渐增加被试阀 4 的入口流量,直至达到最大入口流量规定值的 30%,记录 P 油口与 CF 油口间的相应压差。
2.4 输出压力变化对转向流量的影响(必试)
被试阀 4 的入口流量为最大流量的规定值,调节节流阀 6-3,使 CF 油路的流量为入口流量的 1/3;
将节流阀 6-2 调至全开状态,逐渐关闭节流阀 6-1,直至 P 油口压力达到最高入口压力的规定值,记录 EF 油口压力和 CF 油路相应流量值,计算流量变化率;
完全打开节流阀 6-1,逐渐关闭节流阀 6-2,使 CF 油口压力达到转向溢流阀开启压力的 80%,记录 CF 油口压力和 CF 油路流量,计算流量变化率。
2.5 入口流量变化对转向流量的影响(必试)
将节流阀 6-1、节流阀 6-2 调至全开状态,调节节流阀 6-3,使 CF 油路流量为最大入口流量规定值的 30%;逐渐增加入口流量至最大入口流量的规定值,记录入口流量和 CF 油路流量值,计算流量变化率。
2.6 观察试验(必试)
在以上试验的全过程中,应无外渗及明显的振动和噪声。
3、型式试验
3.1 型式试验项目包括全部的出厂试验项目。
3.2 弹簧控制压力
将节流阀 6-1、节流阀 6-2 调至全开状态,关闭节流阀 6-3,将被试阀的 EF 油口与 Ls 油口连通;被试阀 4 的入口流量不超过最大入口流量的 5%,记录此时 P 油口与 EF 油口之间的压差。

1——变量泵;2——溢流阀;3-1~3-4——压力表;4——被试阀;5-1~5-3——流量计;
6-1~6-3——节流阀;7——滤油器;8——温度计;9——油温调节器;10-1~10-2——油箱。
注:图中的图形符号符合GB/T786.1的规定。
图 1 试验系统原理
以上就是今天的分享!如果您对用于上述试验的全液压转向器配套阀 优先阀的性能试验系统感兴趣,欢迎与我们联系!
