机车平均软管连接器性能检验方法-「亿威仕」

机车平均软管连接器性能检验方法

0     编辑:亿威仕 | 市场部     2022-01-19    

今天给大家带来的分享是关于机车平均软管连接器的性能检验方法的内容。机车平均软管连接器由螺纹接头 R21、套箍、钢编胶管、过滤接头 R21、连接器体、热圈等组成,各部件对应的检验项目及试验方法如下。

1、外观检查

检查总风软管连接器的长度,目视检查螺纹接头 R21、钢编胶管外观质量,用符合 GB/T 7306.2-2000 的螺纹环规检查螺纹接头 R21 的螺纹,用量规对连接器体进行检查。

2、过球试验

水平放置总风软管连接器,将 Sφ17mm 金属球放在总风软管连接器一端,倾斜总风软管连接器,金属球应能通过总风软管连接器的另一端。

3、气密性试验

3.1 常温气密性试验

将总风软管连接器完全浸入水中,充入压力为 2.0MPa 的压缩空气,保压 3min,观察是否出现局部膨胀和连续泄漏等异常现象,允许有随时间延长而逐渐减少的非连续性气泡。

3.2 低温气密性试验

将总风软管连接器置于 -50℃ 温度下,放置 48h,充入压力为 1.0MPa 的压缩空气,保压 3min,观察每分钟压力下降值。

4、静液压试验

水平放置总风软管连接器,距套箍标志位置 40mm~50mm 处做出标记,测量软管此处的外径,并标记出 400mm 胶管长度。

按 GB/T 5563-2013 中规定的方法,采用红足1世足球网加压至 2.0MPa,保压 2min,测量直径膨胀和长度变化。

5、爆破压力试验

将总风软管连接器试样内充满试验用液体,排尽空气,连接到试验装置上,按 GB/T 5563-2013 的规定对钢编胶管进行爆破强度试验。

6、拔脱试验

将总风软管连接器装在拉力机上,以 50mm/min 的速度拉伸,拉力值达到 8kN 时,接头不应与钢编胶管拔脱。

7、弯曲疲劳试般

以距离套箍 200mm 范圈内的钢编胶管为试样,将其弯曲 120°,保持弯曲状态 2h,在此期间有褶皱和压瘪为正常现象,然后恢复为自然状态,放置 4h,观察弯曲处有无压瘪现象。

8、高温试验

将总风软管连接器弯曲,弯曲直径为 300mm,然后放置在温度为 100℃±2℃ 的热空气老化箱中,保持 70h±2h,取出总风软管连接器,冷却至室温,将总风软管连接器拉直,肉眼检查钢编胶管的内外表面,钢编胶管内外表面不应有裂纹、炭化及热裂解等异常现象。

9、耐紫外线疲劳试验

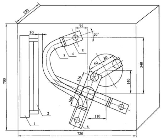
取一根长度为 570mm±5mm 的钢编胶管作为试样,将试样一端用卡箍固定在耐紫外线弯曲疲劳试验机的固定接头上,另一端用卡箍固定在活动接头上,开启耐紫外线弯曲疲劳试验机的运动开关,使胶管做疲劳运动,调整紫外线灯管位置,使其与胶管弯曲表面的最近距离为 30mm±2mm,开启紫外线光源和计时开关,开动试验机,连续运动(或累计运动)120h。取出胶管,检查胶管紫外线照射弯曲表面,无任何可见裂纹方为合格。胶管耐紫外线弯曲疲劳试验机如图 1 所示。

紫外线光源为交流 220V 的灯管,功率 15W,波长 254nm,使用 1000h 后应更换。

紫外线光源距胶管弯曲表面的最小距离为 30mm±2mm。胶管运动的振幅为 45°±2°,摆动频率为(50±2)次/min。



单位为亳米

图 1 钢编胶管耐紫外线弯曲疲劳试验机示意图

说明:1——紫外线灯管固定架;2——紫外线灯管;3——胶管;4——卡箍;5——固定接头;6——活动接头。

图 1 钢编胶管耐紫外线弯曲疲劳试验机示意

10、耐油污浸润性试验

按 GB/T 1690-2010 对胶管的内层橡胶和外层橡胶进行耐油试验,试验介质为 IRM903 号油,试验温度为 100℃±2℃,试验时间为 70h±2h,体积变化应在 0~100% 之间。

11、耐臭氧性能

按 GB/T 24134-2009 中方法 1 进行试验,试验时间为 120h,取出钢编胶管,放大 2 倍观察,外层橡胶应无龟裂或其他老化现象。

12、低温曲挠试验

试验温度为 -50℃,试验方法按 GB/T 5564-2006 的规定执行,胶管内层橡胶和外层橡胶不应有龟裂或破裂现象。