润滑系统 液压换向阀(20MPa、31.5MPa)是一种用于输送和控制的润滑脂锥入度为 265〜385(25℃,150g)1/10mm 的润滑系统 液压换向阀(20MPa、31.5MPa)(以下简称换向阀)。今天我们来学习该型换向阀的耐压性和寿命的试验方法。
1、试验条件
a)基准温度:25℃。
b)系统流量应符合表 1 的规定。
表 1 系统流量
| 型号 | 流量 mL/min |
| YHF-L1 | 585±5% |
| YHF-L2 | 195±5% |
| YHF-N3 | 585±5% |
c)试验介质:N46 全损耗系统用油(GB/T 443),寿命试验应采用锥入度不低于 310(25℃,150g)1/10mm 的润滑脂。
1、耐压性试验
1.1 技术要求
YHF-L1 和 YHF-L2 在 1.25 倍公称压力下,YHF-N3 在 1.15 倍公称压力下,应无零件损坏等异常现象。
2.2 试验方法
6.2.1耐压试验:
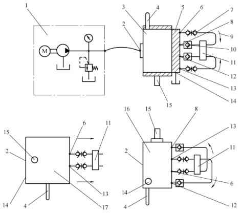
如图 1 所示,在 P 口对于 YHF-L1 和 YHF-L2 加压至 1.25 倍公称压力,对于 YHF-N3 加压至 1.15 倍公称压力,分别将出油口Ⅰ、出油口Ⅱ,回油口Ⅰ、回油口Ⅱ堵死各 10min,要求无泄漏且指示杆动作无阻滞。此项试验应采用专用耐压试验箱进行,耐压性能应符合 1.1 的规定。

说明:1——检查装置;2——P 口;3——YHF-L2 换向阀;4——指示杆;5——试验海贝;6——出油口Ⅰ;
7——双向逆止接头;8——回油口Ⅰ;9——油流方向;10——单向阀;11——定比减压阀;12——回油口Ⅱ;
13——出油口Ⅱ;14——油箱外漏口;15——压力调节螺钉;16——YHF-L1 换向网;17——YHF-N3 换向阀。
图 1 换向阀的试验原理
2、寿命试验
2.1 技术要求
换向阀在公称压力下,以 2次/min 的频率换向应不少于 100 000 次。耐压性低于公称压力或内部泄漏量和换向压差超出规定的范围,可视为换向阀达到了使用寿命极限。
2.2 试验方法
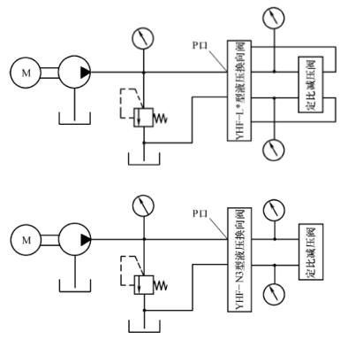
如图 2 所示,对于换向阀 YHF-L1 和 YHF-L2 将 P 口压力调定为 20MPa,通过定比减压阀使换向阀的换向压力为 6MPa,对于换向阀 YHF-N3 将 P 口压力调定为 31.5MPa,通过定比减压阀使换向阀的换向压力为 15MPa,使换向阀以 2次/min 的频率换向 100 000 次,其性能应符合 2.1 的规定。

图 2 寿命试验原理图
以上就是今天的分享!如果您对用于上述试验的换向阀耐压性试验装置和寿命试验装置感兴趣,欢迎与我们联系!
