液压隔离式蓄能器的试验项目和方法:
1、型式试验项目和方法见以下规定。
1.1 气密性试验
将蓄能器油口通大气,从充气阀口向蓄能器气室内充入 0.85 倍公称压力的氦气,在环境温度下记录压力表数值,保压 12h 后检查是否漏气。
1.2 密封性和耐压试验
将蓄能器安装在试验系统中,按表 1 规定进行试验,在保压时间内检存各密封处的漏气、渗油现象。
表 1
| 类型 | 公称压力MPa | 充气压力MPa | 试验压力MPa | 保压时间min |
| 囊式蓄能器B型隔膜式蓄能器 | P | 0.35p | 1.25p | 10 |
| A、C型隔膜式蓄能器 | 0.35p | 1.5p | 10 |
1.3 反复动作试验
将蓄能器安装在试验系统中,按表 2 的规定各试验阶段进行试验,在第 1、2 阶段结束后和第 3 阶段每动作 2 万次后,应用充气工具测量充气压力值,并经常检查各密封处的渗油情况。
表 2
| 试验阶段 | 公称压力MPa | 反复动作次数 | 充气压力MPa | 动作压力MPa | 油温℃ | 充放频率1/min | |
| 1 | p | ≥1000 | 0.35p | +5% 0 | (0.5~1)p | 70〜80 | 3〜12 |
| 2 | ≥500 | 0.17P | (0.1~1)p | 5〜70 | 3〜8 | ||
| 3 | ≥10000 | 0.35p | (0.5-1)p | 5~70 | 3〜12 | ||
1.4 漏气检查
反复动作试验后,给囊式蓄能器的胶囊或隔膜式蓄能器的气室充入 0.85 倍公称压力的氦气。浸入水中,保压时间不少于 1h,检查漏气情况。
1.5 渗油检查
漏气检杳后,放掉蓄能器胶囊中的气体,拆去充气阀,从油口施加压力为公称压力的压力油,保压时间不少于 1h,观察充气阀座处是否渗油。
1.6 解体检查
上述试验后,解体蓄能器,检查各零件。
1.7 内部清洁度检查
按 JB/T 7858 规定进行。

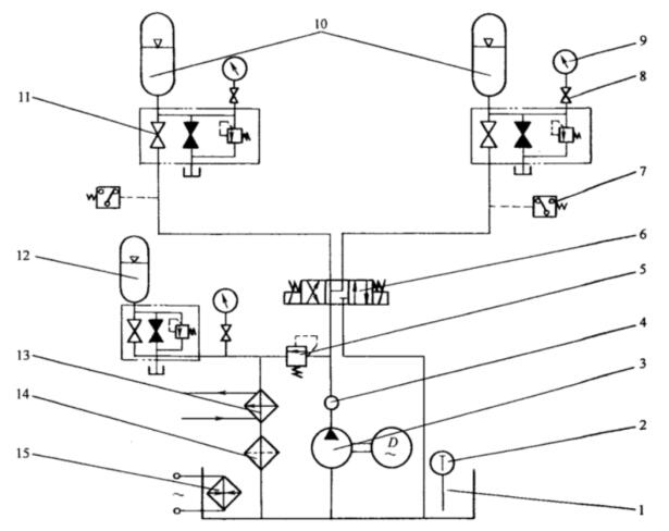
1——油箱;2——温度计;3——泵装置;4——单向阀;5——溢流阀;6——电磁换向阀;7——压力继电器;8——压力表开关;9——压力表;10——被试蓄能器;11——蓄能器阀组;12——蓄能器;13——冷却器;14——过滤器;15——电加热器。
图 1 蓄能器液压试验原理图
2、出厂试验项目和方法应按以下的规定。
2.1 密封性和耐压试验
将蓄能器安装在试验系统中,按表 3 规定进行试验,在保压时间内检查各密封处的漏气、渗油现象。
表 3
| 类型 | 公称压力MPa | 充气压力MPa | 试验压力MPa | 保压时间min |
| 囊式蓄能器B型隔膜式蓄能器 | P P | 0.35p | 1.25p | 3 |
| A、C型隔膜式蓄能器 | 0.35p | 1.5p | 3 |
2.2 反复动作试验
密封性试验后,按表 4 规定进行动作试验。动作试验过程中检查各密封处的漏气、渗油情况和进油阀有无卡死现象。
表 4
| 公称压力MPa | 充气压力MPa | 动作次数 | 动作压力MPa | 油温℃ | 充放频率1/min |
| p | 0.35p | ≥60 | (0.5〜1)p | 5〜70 | 3〜12 |
3、胶囊的试验项目和方法应符合 HG 2331 的规定。
4、壳体的试验项目和方法应符合 JB/T 7038 的规定。
5、所有试验项目和方法应同时符合《压力容器安全技术监察规程》和《在用压力容器检验规程》的规定。