今天给大家带来的分享是关于的液压齿轮泵(外啮合液压齿轮泵,以下简称齿轮泵)的出厂与型式试验项目与试验方法的内容,详见下表 1 及下表 2。
表 1 出厂试验项目与试验方法
| 序号 | 试验项目 | 试验方法 | 试验类型 | 备注 |
| 1 | 排量试验 | 在额定转速a、空载压力下,测量排量。 | 必试 | |
| 2 | 容积效率试验 | 在额定转速a、额定压力下,测量容积效率。 | 必试 | |
| 3 | 总效率试验 | 在额定转速a、额定压力下,测量总效率。 | 抽试 | |
| 4 | 超载性能试验 | 在额定转速a和下列压力之一的工况下进行试验: a)125% 的额定压力(当额定压力低于 20MPa 时),连续运转 1min以上。 b)最高压力或 125% 的额定压力(当额定压力不低于 20MPa时),连续运转 1min以上。 | 必试 | |
| 5 | 外渗漏检查 | 在上述试验全过程中,检查各部位渗漏情况。 | 必试 | |
| a可采用试验转速代替额定转速。试验转速可由制造商根据试验设备条件自行确定,但应保证产品性能。 | ||||

说明:
1——被试泵;2-1、 2-2、 2-3——压力表;3-1、 3-2——温度计;4-1、 4-2——流量计;
5——溢流阀;6——加热器;7——冷却器;8——扭矩仪;
9——转速仪;10——马达;11——油箱。
图 1 开式试验回路原理图
表 2 型式试验项目与试验方法
| 序号 | 试验项目 | 试验内容和方法 | 备注 |
| 1 | 排量验证试验 | 应按照 GB/T 7936 的规定进行。 | |
| 2 | 效率试验 | a)在额定转速至最低转速范围内的五个等分转速 a 下,分别测量空载压力至额定压力范围内至少六个等分压力点 b 的有关效率的各组数据。 b)在额定转速下,进口油温为 20℃~35℃ 和 70℃~80℃ 时,分别测量被试泵在空载压力至额定压力范围内至少六个等分压力点 b 的有关效率的各组数据。 c)绘制 50℃ 油温、不同压力时的功率、流量、效率随转速变化的曲线。 d)绘制 20℃~35℃、50℃、70℃~80℃ 油温时,功率、流量、效率随压力变化的曲线。 | |
| 3 | 自吸试验 | 在额定转速、空载压力工况下,测量被试泵吸入口真空度为零时的排量。以此为基准,逐渐增加吸入阻力,直至排量下降 1% 时,测量其真空度。 | |
| 4 | 噪声试验 | 在 1500r/min 的转速下(当额定转速小于 1500r/min 时,在额定转速下),并保证进口压力在 -16kPa 至设计规定的最高进口压力的范围内,分别测量被试泵空载压力至额定压力范围内,至少三个等分压力点 b 的噪声值。 a)本底噪声(来自被测声源以外所有其他声源的噪声)应比被试泵实测噪声至少低 10dB(A),否则应进行修正。 b)本项目为考查项目 | |
| 5 | 低温试验 | 使被试泵和进口油温均为 -25℃~-20℃,油液粘度在被试泵所允许的最大粘度范围内,在额定转速、空载压力工况下起动被试泵至少五次。 a)有要求时做此项试验。 b)可以由制造商与用户协商确定,在工业应用中进行。 | |
| 6 | 高温试验 | 在额定工况下,进口油温为 90℃~100℃ 时,油液粘度不低于被试泵所允许的最低粘度条件下,连续运转 1h 以上。 | |
| 7 | 低速试验 | 在输出稳定的额定压力,连续运转 10min 以上测量流量、压力数据、计算容积效率并记录最低转速。 | |
| 8 | 超速试验 | 在转速为 115% 额定转速或规定的最高转速下,分别在额定压力与空载压力下各连续运转 15min 以上。 | |
| 9 | 超载试验 | 在被试泵的进口油温为 80℃~90℃、额定转速和下列压力之一工况下: a)125% 的额定压力(当额定压力低于 20MPa 时)做连续运转。 b)最高压力或 125% 的额定压力(当额定压力不低于 20MPa 时)做连续运转。 试验时间应符合规定。 | |
| 10 | 冲击试验 | 在 80℃~90℃ 的进口油温和额定转速、额定压力下进行冲击。冲击频率 20次/min~40次/min。冲击次数应符合规定。记录冲击波形。 | |
| 11 | 满载试验 | 在额定工况下,被试泵进口油温为 30℃~60℃ 时作连续运转。 试验时间应符合规定。 | |
| 12 | 效率检查 | 完成上述规定项目试验后,测量额定工况下的容积效率和总效率。 | |
| 13 | 密封性能检查 | 将被试泵擦干净,如有个别部位不能一次擦干净,运转后产生"假"渗漏现象,在满载试验前允许再次擦干净。 a)静密封:将干净吸水纸压贴于静密封部位,然后取下,纸上如有油迹即为渗油。 b)动密封:在动密封部位下方放置白纸,在整个试验过程中纸上不应有油滴。 | |
| 注:试验项目序号 9~11 属于耐久性试验项目。 | |||
a 包括最低转速和额定转速。 b 包括空载压力和额定压力。 | |||

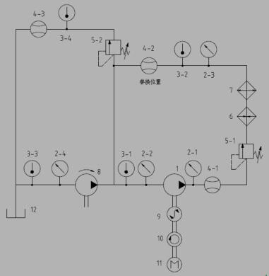
说明:
1——被试泵;2-1、 2-2、 2-3、 2-4——压力表;3-1、 3-2、 3-3、 3-4——温度计;
4-1、 4-2、 4-3——流量计;5-1、 5-2——溢流阀;6——加热器;
7——冷却器;8——补油泵;9——扭矩仪;
10——转速仪;11——马达;12——油箱。
图 2 闭式试验回路原理图