波纹金属软管(以下简称“软管”)是一种用于管道系统中为补偿位移和安装偏差、吸收振动及降低噪声所采用的软管。今天我们来学习该型软管的静态及动态弯曲试验的方法。
1、静态弯曲试验方法
在软管不充压的情况下进行试验,试验装置为静态弯曲试验台。按图 1 安装试件,将试件一端刚性固定,另一端以 5次/min~25次/min 的频率,围绕并贴合定形圆柱体进行弯曲,软管由直线状态至弯曲状态,再恢复至直线状态为 1 次弯曲循环,弯曲角为 90°,反复弯曲 10 次后,对试件进行气密试验,结果应符合的要求。

图 1 软管静态弯曲试验原理图
进行单项的静态弯曲试验时,试件最小长度 L1,应按公式(1)进行计算,当软管的波纹管之间有环焊缝时,试件中应至少包含一个焊接段。
L1=1.7Rj+A1+A2 …………………………(1)
式中:
L1——静态弯曲试件最小长度,单位为毫米(mm);
Rj——软管静态弯曲半径(见表 1),单位为毫米(mm);
A1、A2——试件的刚性段长度,单位为毫米(mm)。
表 1 软管最少弯曲次数和最小弯曲半径

2、动态弯曲试验
公称尺寸 DN<100 的试件进行 U 型弯曲试验,公称尺寸 DN≥100 的试件进行摆动弯曲试验,结果应符合 2.1 的要求。
2.1 动态弯曲要求
软管最少动态弯曲次数见表 1。软管在设计压力 Ps 下, 以动态弯曲半径 Rd 弯曲表 1 规定的最少动态弯曲次数后,软管应无渗漏、无异常变形。
2.2 U 型弯曲试验方法
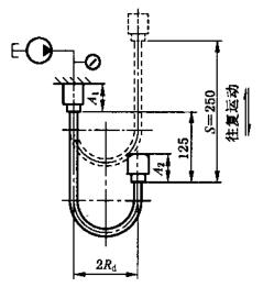
试验介质为水或液压油。试验装置为 U 型弯曲试验台、加压泵、压力监测仪表。按图 2a)或图 2b)安装试件,启动加压泵,将水或液压油注入管内,排尽空气,关闭排气阀,密封试件,然后缓慢加压至设计压力 Ps,启动弯曲试验台,以 5次/min~30次/min 的频率往复运动,在试验过程中检查试件有无渗漏和异常变形;当达到表 1 规定的最少弯曲次数后,在设计压力 Ps 下检查软管,结果应符合 2.1 的要求。
U 型弯曲试件长度 L2 按公式(2)进行计算:
L2=4Rd+A1+A2+S/2 …………………………(2)
式中:
L2——U型弯曲试件长度,单位为毫米(mm);
Rd——软管动态弯曲半径(见表 1),单位为毫米(mm);
S——试验行程:250mm。
![]() | ![]() |
| a)垂直位移安装方式 | b)水平位移安装方式 |
注:图 7b)水平位移安装方式仅适用于 DN≤32 软管。
图 2 软管 U 型弯曲试验原理图
2.3 摆动弯曲试验
试验介质为水或液压油。试验装置为摆弯曲试验台、加压泵、压力监测仪表。按图 3a)或图 3b)安装试件,启动加压泵,将水或液压油注入管内,排尽空气,关闭排气阀,密封试件,然后缓慢加压至设计压力 Ps,启动弯曲试验台,按表 2 规定的行程 h,以 3次/min~15次/min 的频率往复运动,在试验过程中检查试件有无渗漏和异常变形;当达到表 1 规定的最少弯曲次数后,在设计压力 Ps 下检查软管,结果应符合 2.1 的要求。
![]() | ![]() |
| a)垂直位移安装方式 | b)水平位移安装方式 |
图 3 软管摆弯曲试验原理图
表 2 摆弯曲试验行程 单位为毫米

摆弯曲试件长度 L3 按公式(3)进行计算:
L3=k1*DN+A1+A2 …………………………(3)
式中:
L3——摆动弯曲试件长度,单位为毫米(mm);
k1——长度系数。