减压型倒流防止器是一种通过进水止回阀产生的压差来控制泄水阀启闭的防倒流水力控制装置。下面我们来学习该型倒流防止器的循环试验方法。
1、循环试验要求
在公称压力下,倒流防止器分别在表 1 规定流量的 25%、50%、75% 和 100% 下,各启闭 1250 次。
在 5000 次循环启闭过程中,倒流防止器部件应无损坏,止回阀部件性能应符合性能要求,泄水阀性能应符合性能要求。
表 1 流量与允许压力损失对应值

2、循环试验方法
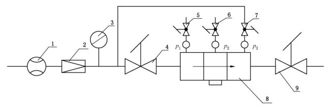
试验装置如图 1 所示,试验程序如下:
a)通过调压阀 2,使倒流防止器进水端压力 p1 稳定在 0.4MPa。
b)全开截断阀 4,缓慢开启截断阀 9,使流量计 1 的读数为 25% 额定流量,流量保持 5s。
c)关闭截断阀 9 后再关闭截断阀 4,保持倒流防止器零流量状态 5s。
d)开启检测球阀 7,向出水腔注入进水端压力,然后关闭检测球阀 7,出水腔压力 p3 保持为进水端压力保持 5s,此时泄水阀应紧闭不漏水。
e)开启检测球阀 5,使倒流防止器进水腔压力 p1 下降至零,保持 5s,此时泄水阀开启。
f)重复 b)~e)步骤 1250 次。
g)全开截断阀 4,通过调节截断阀 9,将步骤 b)流量计 1 的读数调节为 50% 额定流量,保持 5s。
h)重复 b)〜e)步骤 1250 次。
i)全开截断阀 4,通过调节截断阀 9,将步骤 b)流量计 1 的读数调节为 75% 额定流量,保持 5s。
j)重复 b)〜e)步骤 1250 次。
k)全开截断阀 4,通过调行截断阀 9,将步骤 b)流量计 1 的读数调节为 100% 额定流量,保持 5s。
I)重复 b)〜e)步骤 1250 次。
m)在 5000 次循环试验后,再进行“止回阀性能试验”和“泄水阀性能试验”的测试,评定结果是否符合规定。

说明:1——流量计;2——调压阀;3——压力表;
4、9——截断阀;5、6、7——检测球阀;8——被测倒流防止器。
图 1 循环试验装置示意图