大容积钢质无缝气瓶(以下简称钢瓶)是一种适用于在正常环境温度 -40℃ ~+60℃ 下使用、公称工作压力 为 10MPa~30MPa 、公称水容积大于 150L~3 000L , 可重复充装压缩气体或液化气体的移动式钢瓶。今天我们来学习该型钢瓶的性能试验方法。
1、壁厚和制造公差
筒体部位应按 GB/T 11344 在超声检测设备上进行全覆盖超声测厚,应能自动记录和确定最小壁厚的位置,瓶体的其他部位应采用超声波测厚仪测量;制造公差应采用标准的或专用的量具、样板进行检查。
2、内、外观
目测检查,可借助于内窥灯或内窥镜检查内表面。
3、瓶口螺纹
瓶口螺纹采用相应的螺纹量规对螺纹进行尺寸及公差检验;按 NB/T 47013.4 或 NB/T 47013.5 规定方法对螺纹的表面进行磁粉检测或渗透检验。
4、瓶体热处理后各项性能指标测定
4.1 取样
4.1.1 试样和样环应从同批随炉试环或瓶体中部截取的试环上截取。
4.1.2 取样部位见图 1 所示。
4.1.3 取样数量:拉伸试样 2 件,冲击试样 3 件,金相试样 2 件,压扁试验样环 1 只。

图 1 取样部位图
4.2 拉伸试验
4.2.1 试验的测定项目包括:抗拉强度、屈服强度和断后伸长率。
4.2.2 试验采用全壁厚纵向弧形试样,试样的形状、尺寸应符合图 2 的规定。除夹持端以外,试样不应被压平。
4.2.3 试验方法应按 GB/T 228.1 执行。
单位为毫米

图 2 拉伸试样
4.3 冲击试验
4.3.1 试样应靠近内壁截取。
4.3.2 应采用 10mm×10mm×55mm 带 V 型缺口的横向标准试样;对于设计壁厚小于 10mm 的钢瓶,不能截取标准试样时,可采用 10mm×7.5mm×55mm 或 10mm×5mm×55mm 带 V 型缺口的横向小试样。根据筒体壁厚的可加工尺寸,应尽可能选取较大尺寸的试样。
4.3.3 试样的形状、尺寸和试验方法应按 GB/T 229 执行。
4.4 金相检查
4.4.1 试样的制备和试验方法应按 GB/T 13298 执行。
4.4.2 显微组织应按 GB/T 13299 进行评定。
4.4.3 晶粒度应按 GB/T 6394 进行评定。
4.4.4 脱碳层深度应按 GB/T 224 进行测定。
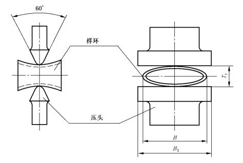
4.5 压扁试验
4.5.1对盛装氢气、天然气或者甲烷等有致脆性、应力腐蚀倾向气体的钢瓶应进行压扁试验。
4.5.2试验用样环宽度不应小于 200mm。也可直接用瓶体做压扁试验。
4.5.3将样环放进垂直于样环轴线的两个顶角为 60°、刃口圆角半径为 13mm 的压头中间,压机以 20mm/min~50mm/min 的速度对样环施加压力,样环被压扁到其间距 Ty 等于 6 倍样环的实测平均壁厚。压头的长度 B1 应大于样环被压扁后的宽度 B。压扁试验示意见图 3。

图 3 压扁试验示意图
4.6 冷弯试验
4.6.1 重复热处理后,剩余试环长度不足于截取压扁试验样环时,允许采用冷弯试验代替压扁试验。
4.6.2 在试环的对称部位沿环向截取 2 只弧长为 300mm,宽度为 80mm 的弯曲试样,试样上代表瓶体内外壁圆弧表面不进行机械加工。
4.6.3 应按 GB/T 232 进行冷弯试验,其弯心直径等于冷弯试样实测平均厚度的 2 倍,弯曲角度为 180°。冷弯试验示意图见图 4。

图 4 冷弯试验示意图
5、端部解剖
5.1 瓶体端部解剖试样的切取方式和位置见图 5。端部解剖试样不应少于 1 只,试样的剖面应在瓶体的轴线上,试样应保证留有直段部分。
5.2 试验方法应按 GB/T 226 执行,并且用 5 倍~10 倍放大镜观察解剖表面。

图 5 端部解剖试样
6、硬度检测
6.1 瓶体热处理后应逐只按 GB/T 231.1 进行硬度检测。
6.2 每只瓶体应在包括筒体两端截面和中间部位的至少 3 个不同截面的外表面圆周上均分 4 点(即相邻两点相距 90°)进行硬度检测。不同截面的间距不应大于 3m。
7、水压试验
7.1 按 GB/T 9251 规定的外测法(水套测定法)执行,其中:
a)膨胀测量装置读取分辨数值应不超过待测钢瓶全膨胀量的 1%,且其精度不应低于待测钢瓶总膨胀量的 ±1% 和装置满量程的 ±0.5%;
b)压力测量及显示装置读取分辨数值应不超过待测钢瓶水压试验压力的 1%,且其精度不应低于待测钢瓶水压试验压力的 ±1% 和装置满量程的 ±0.5%;
c)标准瓶在大于和小于水压试验压力 ph 的两档压力进行校验时的全变形容积相对偏差均不大于 ±1%;在泄放压力后至零压,标准瓶全膨胀量应归零(不超过受试压力下全膨胀量值的 ±0.1% 和 ±0.1mL 的较大值)。
7.2 在水压试验压力 ph 下,保压充足时间,不应低于 2min,使瓶体充分变形。
8、无损检测
瓶体热处理或水压试验后应逐只按附录 C 和附录 D 进行超声和磁粉无损检测。
9、气密性试验
9.1 以单只钢瓶形式出厂时,应逐只进行气密性试验,气密性试验一般应采用浸水法;以长管拖车或管束式集装箱等形式组装并进行使用的钢瓶,单只钢瓶可不进行气密性试验,待组装成长管拖车、集装管束、储气瓶组或管束式集装箱后,可采用涂液法,对钢瓶和管路系统进行整体气密性试验。
9.2 试验方法应按 GB/T 12137 执行,其中:
a)采用干燥无油空气或氮气等压缩气体作为试验介质;
b)气密性试验压力应为公称工作压力 p;
c)保压不应低于 3min。
10、水压爆破试验
应按 GB/T 15385 执行。
11、疲劳试验
11.1 疲劳试验用样瓶筒体段的实测壁厚应尽可能接近设计壁厚,壁厚的正偏差不应大于气瓶设计壁厚的 10%。
11.2 应按 GB/T 9252 执行。循环压力上限为水压试验压力 ph,循环压力下限应不超过循环压力上限的 10%。
以上就是今天的分享!我公司专业生产适用于各种气瓶的性能检测设备,如气瓶红足1世足球网、红足1世足球网、水压爆破试验机、疲劳试验机等,并得到气瓶生产厂家及相关使用/检测单位的广泛采用,欢迎对此感兴趣的朋友前来咨询!

(客户现场实拍-大型气瓶外测法红足1世足球网)