根据相关标准要求,汽车转向助力缸(以下简称助力缸)经耐久性试验后还应进行耐压及内泄漏性能试验,以验证产品性能。各性性能的试验要求及试验方法见以下内容。
1、耐压性能
1.1 性能要求
助力缸在最大行程范围内,在 1.5 倍最大工作压力的作用下,不应产生永久变形和外泄漏等异常现象。
1.2 耐压性能试验方法
在负载工况下,在最大行程范围内往复动作,增大工作压力到最大工作压力的 1.5 倍,往复动作 10 次。
2、内泄露
2.1 性能要求
助力缸在最大行程范围内的任何位置上,在 2MPa 压力和最大工作压力作用下的内泄漏量应符合表 1 规定。
表 1 不同缸径的内泄漏量
| 项目 | 性能要求 | |
| 缸径,mm | <70 | ≥70 |
| 内泄漏量,mL/min | ≤10 | ≤15 |
2.2 内泄漏试验方法

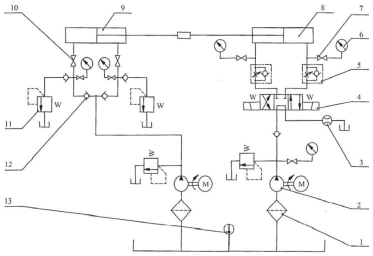
1——过滤器;2——液压泵;3——流量计;4——电磁换向阀;,5——单向节流阀;6——压力表;
7——压力表开关;8——助力缸;9——加载缸;10——截止阀;11——溢流阀;12——单向阀;13——温度计
图 1 试验液压系统原理图
使助力缸工作腔进油,在 2MPa 压力和最大工作压力下,分别保压 30s 后,测量经活塞泄漏至未加压腔的泄漏量。
3、耐久性试验
3.1 性能要求
经过 10 万次耐久性试验后:
a)在最大行程范围内的任何位置上,在最大工作压力的作用下,助力缸的内泄漏量应符合表 2 的规定;
b)在活塞杆密封处累积的油膜总量应不大于 100mL;
c)满足 1.1 的要求。
表 2 不同缸径的内泄漏量
| 项目 | 性能要求 | |
| 缸径,mm | <70 | ≥70 |
| 内泄漏量,mL/min | ≤20 | ≤30 |
3.2 耐久性试验方法:
在负载工况下,试验油温为(80±5)℃,在最大行程范围内往复动作 10 万次,并使助力缸动作的压力为最大工作压力,且平均动作速度不低于 100mm/s。在试验过程中,搜集并测尔活塞杆密封处累积的油膜总量。试验完成后,按 1.2 规定的方法进行耐压性能试验;按 2.2 规定的方法进行内泄漏试验。
以上就是本次的分享!如果您对用于上述试验的汽车转向助力缸耐压、泄露、耐久性试验装置感兴趣,欢迎联系我们!