今天给大家带来的分享是关于止回阀的耐火试验方法。该方法适用于石油管线用止回阀和井口装置用止回阀。
1、安全防护
止回阀的耐火试验是具有潜在危险的试验,被试止回阀在火烧时阀体腔内压力增加,有可能产生破裂。因此,在试验场地内应设置防护人身安全的保护措施。
2、试验要求
2.1 被试止回阀在正常的安装位置试验,用水做试验介质,应在其指定流向的反向端施加试验压力,保持到火烧结束。
2.2 试验的燃料应采用气体燃料,火源应有足够的能力使被试止回阀完全被火焰包裹。被试止回阀不得隔火保护。
2.3 火烧过程持续时间 30min,火焰的温度应在 761℃~980℃ 之间,火焰的温度由 4.3 所指定位置的热电偶和测温块进行监测。
2.4 火烧时,应观察阀门的情况。火烧结束后,同时检测阀门的内漏量和外漏量。
3、试验系统
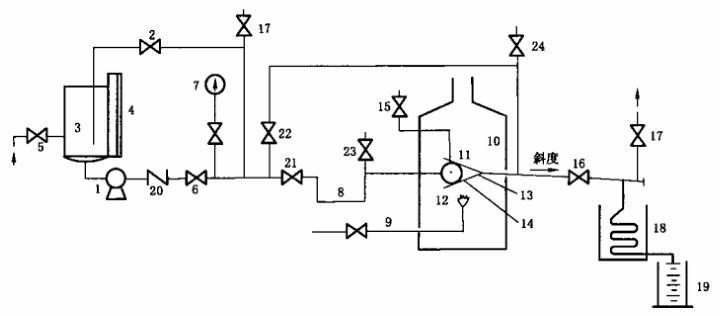
止回阀耐火试验装置系统按图 1 所示。

说明:
1——试验泵;2——压力泄放阀3——储水罐;4——液位计;5——供水阀;6——截止阀;
7——压力表;8——阻汽管;9——燃料供给阍;10——试验炉;11——被试止回阀;12——燃气火头;
13——火焰热电偶;14——火焰测温块;15——泄压阀;16——截止阀;17——排气阀;18——冷凝器;
19——计量筒;20——止回阀;21——截止阀;22——截止阀;23——排气阀;24——排气阀。
a)用泵作为压力源的试验系统

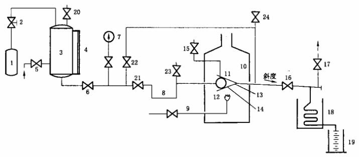
说明:
1——压缩气源;2——气体压力调节阀;3——储水罐;4——液位计;5——供水阀;6——截止阀;
7——压力表;8——阻汽管;9——燃料供给阀;10——试验炉;11——被试止回阀;12——燃气火头;
13——火焰热电偶;14——火焰测温块;15——泄压阀;16——截止阀;17——排气阀;18——冷凝器;
19——计量筒;20——泄压阀;21——截止阀;22——截止阀;23——排气阀;24——排气阀。
b)用压缩气体作为压力源的试验系统
图 1 耐火试验系统图
4、试验装置
4.1 试验装置不应有外力施加在被试止回阀上。
4.2 试验炉与被试止回阀在各个方向的间隔应不小于 150mm。火源距被试止回阀、热电偶和测温块的距离至少应为 150mm。
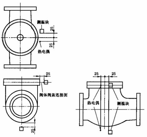
4.3 公称尺寸不大于 DN150 或 SY/T 5127 标准 77/16" 的被试止回阀,应按图 2 或图 4 所示布置火焰热电偶和 2 个测温块。其他尺寸被试止回阀应按图 3 或图 5 所示布置火焰热电偶和 3 个测温块。
单位为毫米

图 2 公称尺寸不大于 DN150 法兰连接端止回阀的热电偶和测温块的位置
单位为毫米

图 3 其他尺寸法兰连接端止回阀的热电偶和测温块的位置
单位为毫米

图 4 公称尺寸不大于 DN150 对夹连接止回阀的热电偶和测温块的位置
单位为毫米

图 5 其他尺寸对夹连接止回阀的热电偶和测温块的位置
4.4 被试止回阀进口连接管道应不小于 DN25 或被试止回阀公称尺寸的二分之一。
4.5 被试止回阀出口连接管道应不小于 DN15。安装后,应有一定的斜度,使泄漏的水能从管道内完全流出。
4.6 与被试止回阀的连接处应具有良好的密封性。若有泄漏,该泄漏量不能作为允许最大外漏量的一部分进行计算。
5、仪表和计量器具
5.1 系统中的压力表的满量程读数应为测量压力的 1.5 倍至 4 倍之间,压力表的分辨率应达到在任意刻度点能读到最大刻度值 3% 以内的值。
5.2 测温块应用碳钢材料制作,尺寸应按图 6 的规定;在测温块中心放置一个热电偶。
单位为毫米

图 6 测温块的尺寸
5.3 计量容器的容积应满足试验过程中水的最大泄漏量。
6、试验操作程序
6.1 将被试止回阀的两端用专用试验盲板封闭,使止回阀处于水平状态,安装到试验装置上,连接好阀前后的试验管道,在止回阀流向的出口端对其施加试验压力。
6.2 按图 2~图 5 所示的指定要求,安装定位火焰口、热电偶、阀体热电偶和测温块位置。
6.3 打开阀门(图 1 中的序号 5,6,15,21,22,23 和 24),关闭阀门(图 1 中的序号 16 和 17),以给系统内注水和排气。
6.4 关闭供水阀(图 1 中的序号 5,15,22,23 和 24),打开下游的截止阀(图 1 中的序号 16),使管道系统上游的被试止回阀充满水,系统下游的水排掉。放空带有刻度的下游容器(图 1 中的序号 19)。
6.5 施加气压或启动试压泵,系统上游的试验压力按表 1 的规定,记录带有刻度的计量表上的读数(图 1 中的序号 4),在火烧和冷却期间应维持这个压力。瞬时的压力损失是允许的,但累积的时间应不超过 2min。
表 1 耐火试验时的试验压力

6.6 打开燃料供应阀(图 1 中的序号 9),点火并稳定火焰温度。在 2min 之内,两个传感器的平均温度应达到 761℃,维持火焰温度在 761℃~980℃。
6.7 在 15min 的火烧时间内,测温块的平均温度应达到 650℃。对于火烧的剩余时间,测温块的温度应不小于 565℃。
6.8 试验期间至少每隔 30s 记录一次火焰热电偶和测温块的温度值。
6.9 在燃烧时间到后,切断燃气供应。
6.10 记录此刻计量容器所收集到的水量,以确定通过阀座的总泄漏量。继续用计量的容器收集水以确定外泄漏量。
6.11 冷却阀门或强制冷却使阀门温度低于 100℃。记录液位计(图 1 中的序号 4)和量筒(图 1 中的序号 19)的读数。
6.12 对于公称压力不大于 PN100 的阀门。降低系统上游的试验压力,按表 1 的低压试验压力。在 5min 后,再测量 5min 时间通过阀座泄漏量和外泄漏量。
6.13 减小系统试验压力到阀门最大允许工作压力的 1% 或者更低,排除放空阀中的空气和水(图 1 中的序号 15 和 23),关闭下游的截止阀(图 1 中的序号 16)。
6.14 打开阀(图 1 中的序号 22 和 24),使水充满系统下游管道,并排除管道的空气,然后关闭放空阀(图 1 中的序号 24)。
6.15关 闭截止阀(图 1 中的序号 21),以断开被试止回阀上游的压力来源。
6.16 打开上游的放空阀(图 1 中的 23)。确保被试止回阀的阀座没有密封,通过放空阀观察水流动,然后关闭放空阀。
6.17 增加试验压力至表 1 规定高压试验压力,可通过打开阀体空腔放空阀(图 1 中的序号 15)观察,确保整个被试止回阀阀体内有试验压力。稳定高压试验压力 5min 后,再测量 5min 时间的被试止回阀的外部泄漏量。
以上就是今天的分享!如果您对用于上述试验的止回阀耐火试验装置感兴趣,欢迎与我们联系!电话:0755-8889 8859.
