根据相关标准规定,只有 B 型消防软管(B 型消防软管应由可曲挠的热塑性塑料材料构成,由埋置在其中的刚性聚合物材料螺旋线支撑。软管壁的增强层和可曲挠组件应固定,并应无裂纹、孔隙、杂质或其他缺陷。)才需要进行耐压力脉冲性能试验。
消防软管进行耐压力脉冲性能试验时,要求在最少10000次周期之前试样不应泄漏或破裂。如果在距试样其中一端一个直径长度之内失效,那么该次试验应作废,而应再试验一个试样。试验要求及方法应符合以下内容的规定。
1、试样
应试验至少 3 根带有管接头的软管试样。管接头之间的净距离应至少为软管内径的 5 倍。
2、试验设备
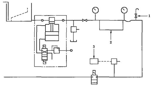
一套试验装置能够施加一种可在预定水平释放,迟延一固定时间,然后能够重复脉冲周期的液压内压的环路,脉冲周期应符合图 1 的压力-时间要求。一套适合的试验装置应符合图 2。

图 1 压力脉冲周期

1——放气阀;2——试样;3——定时期。
图 2 适合的脉冲试验回路
3、试验流体
试验流体应为可适当染色的水。
4、调节
在软管制造之后 24h 以内不应进行试验。试样应在试验前在(23±2)℃ 下调节至少 3h。
注:调节的 3h 可包括在制造后的 24h 之内。
5、程序
将试样以平直状态连接到试验装置上,并确保试验流体和环境条件的温度都为(23±2)℃。排除试样中所有空气,并施加 10 000 次脉冲循环。
试验周期(见图 1)的最大压力应为 0.18MPa。
注:由于该试验时间长,允许有短时间的中断。试验可从中断点恢复,但是这应在试验报告中加以说明。
6、试验报告
试验报告应包括下列内容
a)少于 10 000 次的失效周期;
b)每个试样失效的位置和方式;
c)如适用,所使用的试验流体和染料。
以上就是本次的分享!如果您对用于上述试验的消防软管压力脉冲性能试验装置感兴趣,欢迎与我们联系!
