不锈钢无缝气瓶(以下简称钢瓶)是一种设计、制造公称工作压力不大于 30MPa,公称容积不大于150L,使用环境温度为 -40℃~60℃,用于盛装压缩气体或液化气体的可重复充装的移动式钢瓶。根据相关标准规定,中容积及以上钢瓶,水压试验应采用外测法,小容积钢瓶可采用内测法。今天我们学习该型钢瓶的水压试验方法。
1、钢瓶水压试验检验规则
在水压试验压力 Ph 下,保压时间不少于 30s,压力表指针不应回降,瓶体不应泄漏或明显变形。大于 12L 钢瓶的容积残余变形率应不大于 10%。
水压试验报告应包括钢瓶实测水容积和重量,水容积和重量应保留三位有效数字,水容积和重量圆整原则为水容积舍掉尾数,重量尾数进一。
示例:水容积或重量的实测值为:20.675,水容积表示为:20.6,重量表示为:20.7。
2、钢瓶水压试验方法
2.1 外测法测定钢瓶容积变形
2.1.1 测试装置流程
外测法测试装置有称量型和量管型。
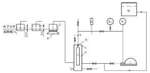
称量型外测法装置流程见图 1。

说明:
W———试验用水水槽; J———增压装置; R———专用接头; S———活接头; U———水套; L———水套盖; I———受试瓶; | KC———压力测量仪表(指示、控制泵出口压力用); K———压力测量仪表(读取试验压力用); KT———精密压力表(校验其他压力测量仪表用); H———电子天平; G———量杯; Q———安全泄放口。 |
图 1 称量型外测法测试装置流程图
2.1.2 测试操作守则
2.1.2.1 受试瓶加压前,应把专用水套及连接管路内的空气排尽。
2.1.2.2 测试专用水套应经过校准瓶的校验。校准瓶的大小应与专用水套相适应。
2.1.2.3 受试瓶装入水套后,应先静置 30s,在此期间,电子秤的示值应稳定无飘移。
2.1.2.4 调整电子秤的起始示值,确保其起始示值、量杯重量和受试瓶全变形值之和应在电子秤量程范围内。
2.1.2.5 受试瓶内的压力升至公称工作压力时,应暂停升压,进行检查。电子秤的示值不应继续上升,压力测量仪表指示的压力值不应下降。
2.1.2.6 试验升压速度,应满足相关规定。
2.1.2.7 受试瓶在试验压力下至少保持 30s,压力不应下降,电子天平的指示值也应稳定。
2.1.3 受试瓶容积残余变形率的计算
受试瓶容积残余变形率按式(1)计算:
![]()
式中:M0、M、M′分别为试验前、试验压力下和卸压后电子秤指示值,单位为克(g)。
2.1.4受试瓶的测试结果应有测试记录。测试记录至少包括下列内容:
a)试验日期;
b)实际试验压力;
c)实测试验温度;
d)实际保压时间;
e)容积全变形值;
f)容积残余变形值;
g)容积残余变形率;
h)发生过何种瓶体异常现象;
i)试验者签字。
2.2 内测法测定容积变形
2.2.1 测试装置流程
内测法测试装置流程见图 2。

说明:
W———试验用水水槽; J———增压装置; I———受试瓶; R———专用接头; | H———量管(固定安置,"0" 刻度线位于上端); KC———压力测量仪表(指示、控制泵出口压力用); K———压力测量仪表(读取试验压力用); KT———精密压力表(校验其他压力测量仪表用)。 |
图 2 内测法测试装置流程图
2.2.2 测试操作守则
2.2.2.1 试验用水禁止从自来水管直接灌入受试瓶内进行试压。
2.2.2.2 受试瓶在测试前应用木槌轻击瓶体,排尽附着于瓶内壁的气泡,并用水补满。瓶体外表面应彻底擦干。
2.2.2.3 受试瓶加压前,应把瓶内及承压管道内的空气全部排尽。应在公称工作压力范围内反复加压、卸压,直至在量管中完全没有气泡浮出为止。
2.2.2.4 受试瓶内的压力升至公称工作压力时,应暂停升压,进行检查。瓶体及各连接接头不得有泄漏、压力测量仪表指示的压力值不应下降。
2.2.2.5 试验升压速度,应满足相关规定。
2.2.2.6 受试瓶在试验压力下至少保持 30s,压力不应下降,量管水位稳定不变。
2.2.3 受试瓶容积残余变形率的计算
按式(2)和式(3)计算受试瓶的全变形值和残余变形率:

承压管道在试验压力下的压入水量B由测试装置的实际测定值确定。
试验用水在试验压力和试验温度下的压缩系数 βt 的计算参见相关标准。
2.2.4 受试瓶的测试结果应有测试记录。测试记录至少包括下列内容:
a)试验日期;
b)受试瓶试验前的实际容积;
c)实测试验温度;
d)实际试验压力;
e)实际保压时间;
f)受试瓶在试验压力下的总压入水量;
g)承压管道在受试瓶试验压力下的压入水量;
h)容积全变形值;
i)容积残余变形值;
j)容积残余变形率;
k)发生过何种瓶体异常现象;
l)试验者签字。
以上就是今天的分享!如果您对用于上述试验的钢瓶水压试验装置感兴趣,欢迎与我们联系!电话:0755-8889 8859!
