今天给大家带来的分享是关于井下安全阀SCSSV功能测试的相关要求的内容。内容对测试设备、功能检测流程作了明确要求,具体内容如下:
1、测试设备
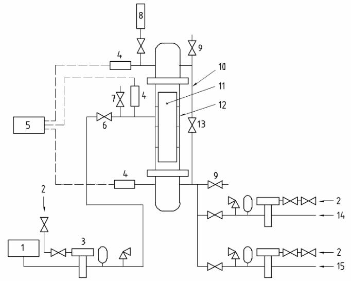
典型的测试系统如图 1 所示,包括:
a)垂直安装的测试单元;
b)测试单元和液压控制部分的压力测量设备;
c)压缩气源;
d)液压控制系统;
e)流量计;
f)加压系统;
g)记录测试数据的实时记录仪器;
h)内径和外径的通径测试设备。

注:1——液压油;2——气源;3——液控系统;4——压力计;5——记录器;
6——液压控制阀;7——液压控制管线排气阀;8——氮流量计;9——排气阀;10——平衡管;
11——井下安全阀;12——测试单元;13——平衡阀;14——测试液源;15——测试气源。
图 1 液压控制井下安全阀(SCSSV)的功能测试设备示例图
2、功能检测流程-SCSSV
所有测试单元的压力值都应采用校准以后的标准设备测量并记录,具体流程如下:
a)按规定的要求记录测试数据。
b)记录序列号。
c)将SCSSV设备安放在一个能够保持阀在垂直位置下处于关闭状态的固定设备上。
d)在测试单元中的压力值为零的情况下,打开SCSSV设备,调整液体控制压力并使其稳定在生产商建议的开启压力值上。切断液压控制压力源,监控压力变化,时间不得低于 5 分钟;如果在压力稳定后,监测到的压力损失超过初始压力的 5%,则判定该SCSSV设备未通过功能检测。
e)在测试单元中的压力值为零的情况下,关闭并打开SCSSV设备五次,记录全关闭和全开启液体控制压力值。每次控制压力值都不应该超出阀门连续开关操作五次的平均压力值 ±5% 的范围,每次控制压力值还应处于生产商规定的控制压力允许值范围内。如果出现压力值不在这些限制值范围内,则判定该SCSSV设备未通过功能测试。
f)向检测部件中注入清水或其他合适的液体以替换出其中的空气,再按以下步骤继续进行:
1)钢丝回收式SCSSV:
关闭SCSSV,对于额定工作压力小于或等于 69MPa(10000psi)的SCSSV设备,向整个测试单元施加压力,并使其稳定在额定工作压力的 150%(允许的范围为额定工作压力的 145% 到 155%),对于额定工作压力大于 69MPa(10000psi)的SCSSV的设备,检测压力应在额定工作压力值的基础上再增加至少 34.5MPa(5000psi),该压力的稳定时间不得少于五分钟。之后,将测试单元的压力泄压到零,再重复进行一次测试。如果在液压控制线路的端口存在着泄漏,则判定该被测SCSSV未通过功能检测。
2)油管回收式SCSSV:
关闭SCSSV,将被测阀门的外部完全擦干。对于额定工作压力小于或等于 69MPa(10000psi)的SCSSV设备,向整个检测系统施加压力,并使其稳定在额定工作压力的 150%(允许的范围为额定工作压力的 145% 到 155%),对于额定工作压力大于 69MPa(10000psi)的SCSSV设备,测试压力应在额定工作压力值的基础上再增加至少 34.5MPa(5000psi),该压力的稳定时间不得少于五分钟。之后,将测试单元的压力泄压到零,再重复进行一次测试。如果在液压控制线路的端口或外部检测到泄漏,则判定该被测SCSSV未通过功能检测。
g)在测试单元中的压力值为零时,打开和关闭被测SCSSV设备,记录全开启与全关闭的液体控制压力值。打开被测SCSSV。
h)在整个测试单元上,施加被测SCSSV额定工作压力的 50%(允许范围为额定压力的 45% 到 55%)的压力。记录被测阀腔的压力值(基准压力)。
i)在规定的范围内,保持在(2h)中设定的测试单元压力的情况下,打开和关闭被测阀门五次。
注:由于液压活塞差动引起的的容量差异,在打开阀门时,测试单元的压力会增加,而关闭时,测试单元的压力会降低。
全开启(全关闭)的液压控制压力值应根据液压控制压力测量过程中测试单元压力的变化进行调整。调整后的控制压力值为实际控制压力值加上(减去)每次测量开启(关闭)压力值时记录的基准压力与实际测试单元压力的差值。如果五次调整后的液压控制压力值不在其平均值的 ±10% 或 ±0.7MPa(±100psi)的范围内出现(取二者的较大值),或检测到任何部件联接处存在泄漏(仅适用于油管回收式阀门),则判定该被检测井下安全阀未通过测试。
j)调整并稳定测试单元压力为在SCSSV设备的额定工作压力的 100%(允许范围为额定工作压力的 95% 到 105%),关闭SCSSV,记录全关闭液体控制压力值,然后将液体控制压力释放为零。
k)调整并稳定测试单元压力为在SCSSV设备的额定工作压力的 100%(允许范围为额定工作压力的 95% 到 105%),监控液压控制线路端口处的泄漏,时间不得低于 5 分钟,如果检测到泄漏,则判定该SCSSV设备未通过功能测试。
l)将SCSSV关闭装置上面的压力释放为零,调整并稳定关闭装置下面的压力为在SCSSV的额定压力的 100%(允许范围为额定工作压力的 95% 到 105%),测量液体泄漏,时间不得低于 5 分钟,如果泄漏速率超过了 10cm3/min,则判定该SCSSV设备未通过功能测试。
m)排出测试单元中的液体。
n)打开SCSSV设备,记录全开启液压控制压力值。
o)调整测试单元压力并使测试单元的压力稳定在 1.4MPa±0.07MPa(200psi±10psi)。关闭SCSSV,记录全关闭液压控制压力值,将所有液压控制压力释放为零。
p)调整测试单元压力并使测试单元的压力稳定在 1.4MPa±0.07MPa(200psi±10psi)。监控液压控制线路端口处的泄漏,时间不得低于 5 分钟,如果检测到泄漏,则判定该SCSSV设备未通过功能测试。
q)将SCSSV关闭装置上面的压力释放为零,调整并稳定SCSSV关闭装置下面的压力为 1.4MPa±0.07MPa(200psi±10psi),测量液体泄漏速率,时间不得低于 5 分钟,如果泄漏速率超过 0.14m³/min(5scf/min),则判定该SCSSV设备未通过功能测试。
r)在 8.3MPa±0.41MPa(1200psi±60psi)的压力范围内,重复进行第 o)和第 p)项过程。
s)将所有压力释放为零。
t)打开与关闭SCSSV两次,记录全开启与全关闭液压控制压力值。
u)准备SCSSV设备,进行通径检测,打开SCSSV设备,然后,按以下步骤继续进行:
1)使用生产商指定的塞规测试SCSSV的内径偏差,让塞规完全穿过被测阀门。
2)使用生产商指定的环规测试可回收式SCSSV设备的外径偏差,如果SCSSV设备没有通过通径检测,则判定其未通过功能测试。
3)记录环规(塞规)的唯一标识符及其公称尺寸。
v)依照生产商的操作手册,对于生产商的特定SCSSV的特性进行检测。不能满足这些检测要求的SCSSV是不合格的,这些检测可以按现有的功能检测程序进行;在检测报告中,要对这种特殊的特性检测流程、检测程序以及结果进行详细的描述说明。
w)如果SSCSV设备在功能测试的限制条件下通过了全部检测,则判定其通过了此次功能测试。
将所有记录数据信息附加到生产商的测试表中,让相关的生产商签字确认测试,标注上具体日期。
以上就是本次的分享!如果您对用于上述试验井下安全阀综合性能试验系统感兴趣,欢迎与我们联系!
