今天给大家带来的是关于液压滤芯(以下简称滤芯)抗压溃(破裂)特性检验方法的内容。(如果您对用于该试验的滤芯抗压溃(破裂)特性试验回路装置感兴趣,欢迎与我们联系!)
1、滤芯抗压溃(破裂)特性试验回路及设备
1.1 试验回路
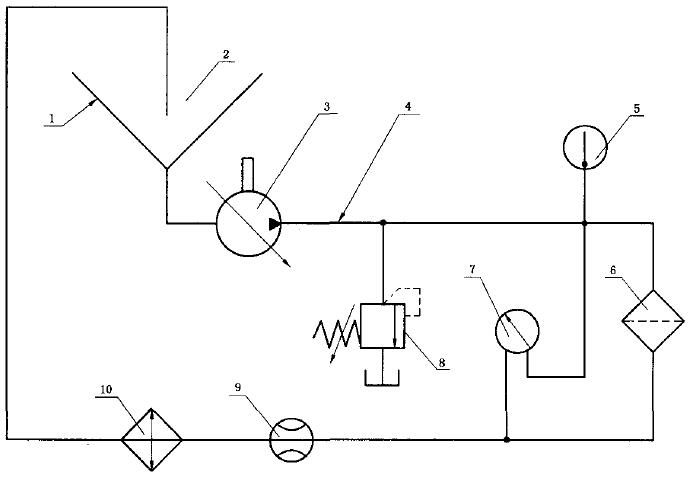
图 1 表示出按“ 2”所进行的抗压溃(破裂)特性试验的典型回路。
1.2 试验设备
1.2.1 被试过滤器壳体,要求确保试验液体不会旁通被试滤芯。
1.2.2 泵及电机,保证为试验回路提供足够的流量及压力以满足需要的压降。应能保证在整个试验过程中流量的波动不超过试验要求流量的 ±5%,流量波动引起试验流量过大或过小都将造成试验结果的不准确。
1.2.3 油箱,具有足够的容积以盛装试验回路的油液,设计成有利于试验粉末悬浮的结构,避免死区及盲角。
1.2.4 管路连接件及阀,可以控制油液通过被试过滤器。另外,可选择安装安全阀。
1.2.5 压差计,可以记录被试过滤器的压降。
1.2.6 带状电子图表记录仪,响应频率 40Hz~100Hz,或与记录仪器相匹配。
注:有时还可以在试验回路的被试过滤器下游接一自动颗粒计数器或污染指示器。

说明:1——试验油箱;2——污染物注入位置;3——泵;4——备用的污染物注入位置;5——温度计;
6一一被试过滤器;7——压差计;8——安全阀;9——流量计;10——冷却器。
图 1 典型的滤芯抗压溃(破裂)特性试验回路
1.3 油液
使用的试验油液按 ISO 2943 的要求应与被试滤芯的材料相容。
1.4 试验粉末
试验粉末应选用 ISO 12103-1 要求的 A2(ISO 精细试验粉末)或 A3(ISO 中级试验粉末),或其他惰性颗粒污染物。试验时的粉末不应改变滤芯的强度。
1.5 准确度和试验条件
仪器精度和试验条件应保持在表 1 规定的变化范围内。
表 1 仪器精度和试验条件的变化范围

2、试验步骤
2.1 按 ISO 2942 的要求对滤芯进行结构完整性试验。
2.2 如果滤芯没有达到制造商指定的初始冒泡值,则不进行后续试验。如果滤芯达到或者超过滤芯制造商指定的初始冒泡值,则将滤芯上的残留液体烘干,或者用即将进行的抗压溃(破裂)特性试验所用的油液冲洗干净。
2.3 将被试过滤器壳体安装在图1所示的抗压溃(破裂)特性试验台上。
2.4 应以制造商所给的额定流量或该额定流量的 50%〜80%,并在 15℃〜40℃ 之间选择试验温度或以指定的试验温度,测定通过过滤器壳体的压降,并做好记录。
2.5 将滤芯安装进被试过滤器壳体中。
2.6 采用与 2.4 相同的流量和温度对滤芯进行试验。整个试验过程应维持恒定的流量。温度的变化
范围不应超过 ±2℃,记录试验温度下油液的黏度以及总压降。系统安全阀的压力调定值不宜低于被试滤芯最终指定压溃(破裂)压降的 150%。
2.7 连续或间断地向系统中注入试验粉末,间断注入时每次试验粉末的注入量不得超过滤芯预估纳污容量的 5%,间隔时间至少 2min,试验时需维持指定的流量和温度。记录试验粉末的类型。试验粉末的注入应采取一致的方式,试验粉末的浓度应足够低,便于压力检测仪器能检测出滤芯的结构性破损。
为了减少试验时间,在制造商允许的条件下,可以为被试滤芯预添加 50% 预估纳污容量的粉末。
2.8 记录试验流量以及随着试验粉末的添加而不断增长的压降(压降值用 kPa 表示),粉末的注入量用克或单位时间内的试验粉末质量表示,直至滤芯净压降(滤器总成压降减去空滤壳压降)达到或超过指定压溃(破裂)值,或滤芯发生结构性破损。如果粉末为间断性注入,则在每次注入后,等待 2min 再记录流量和压降值。
2.9 如果上述滤芯外观上没有任何损坏,则使用与 2.1 相同的液体,再次按 ISO 2942 的要求对该滤芯进行结构完整性试验。
2.10 记录如下数据;
a)试验流量;
b)滤芯达到的最大压降;
c)油液温度;
d)试验油液的类型及其在试验温度下的黏度;
e)所注入试验粉末的类型;
f)通过被试滤芯的油液流向;
g)泵的类型。
2.11 如果在滤芯破裂或压溃前试验粉末已充满过滤器壳体,此试验应视为无效。
2.12 用粉末注入速率(g/min)乘以注入时间(min),即为试验粉末的总加入量。
2.13 绘制出压降对应于粉末注入量的线性坐标曲线图。
3、验收标准
如果被试滤芯在试验时同时满足如下条件,则可认为该滤芯通过抗压溃(破裂)性验证。
a)按 ISO 2942 进行结构完整性验证时,滤芯的结构、滤材及密封件没有明显可见的损坏,且初始冒泡点不低于指定值;
b)在 2.13 所示的曲线中,在达到指定的压溃(破裂)值之前,没有出现压降骤降(短暂的压降下降可以不予考虑)。
4、试验报告
4.1滤芯按本部分进行试验后,其试验报告应包含如下信息
a)试验流量;
b)滤芯压溃(破裂)前承受的最大压降;
c)试验油液的温度;
d)试验油液的类型及其在试验温度下的黏度;
e)所注入试验粉末的类型;
f)通过被试滤芯的油液流向;
g)最小压溃(破裂)压力;
h)泵的类型。
4.2 试验数据应采用附录A的格式进行记录。
附录A(资料性附录)
