今天给大家带来的分享是关于航空液压单向阀(以下简称单向阀)的密封性和压降的性能试验方法。
1、单向阀密封性试验
单向阀的密封性试验内容包括内部密封性及外部密封性两块内容,对应的试验要求及试验方法如下:
1.1 内部密封性
1.1.1 技术要求
除非另有规定,产品的内部泄漏量不得超过表 1 的规定。
表 1 漏油量
| 试验压力 | 最大漏油量 |
| 35kPa | 每分钟 1 滴 |
| 额定工作压力 | 不允许成滴滴下 |
1.1.2 试验方法
单向阀处于水平状态,向逆箭头方向,分别施加 35kPa 和额定工作压力,加压保持 5min,在最后 3min 检查单向阀内部漏油量,其结果应符合 1.1.1 的规定。
1.2 外部密封性
1.2.1 技术要求
在 2m 液压油柱高的压力和额定工作压力下,产品外部不得渗漏。
1.2.2 试验方法
顺箭头方向分别向产品施加 2m 液压油柱高的压力和额定工作压力,加压保持 5min,试验过程中产品外部不许渗漏。
2、单向阀压降试验
2.1 技术要求
单向阀在规定温度、额定流量下,压降应不超过专用规范的要求。
2.2 试验方法
流阻试验的试验管段内径,若无其他规定应等于产品进出口内径。
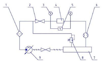
试验原理图见图 1,常温下,从单向阀进口通入额定流量的液压油,检查单向阀流阻应符合 2.1 的要求。

说明:1——过滤器; 2——油泵; 3——开关;4——压力表;5——被试产品;
6——压差计; 7——溢流阀;8——油箱;9——流量表。
图1 流阻试验原理图
以上就是本次的分享!如果您对用于上述试验的单向阀密封性试验装置和流阻试验装置感兴趣,欢迎与我们联系!