汽车气压制动系统用快插接头(以下简称快插接头)的密封性试验内容包括常温密封性、高低温交变密封性、低温密封性、高低温振动密封性及横向载荷密封性等 5 个内容,对应的试验要求及试验方法如下:
1、常温密封性
1.1 技术要求
快插接头泄漏率不应大于 5cm³/min。
1.2 试验方法
1.2.1 试验样品:5 套快插接头与气压制动管装配组件,气压制动管长度为 1000mm±5mm。
1.2.2 试验样品按照图 1 所示安装到试验装置上,气压制动管弯曲部位不得出现折痕。
1.2.3 将气压制动管连接到密封性测试装置,加压至 1.5MPa±0.07MPa,记录系统泄漏率。

1——气压密封检测仪;2——气压制动管;3——快插接头;4——堵头工装;5——环境试验箱。
图 1 密封性试验装置示意图
2、高低温交变密封性
2.1 技术要求
快插接头高低温交变密封性应满足如下要求:
a)试验温度为 104℃±2℃ 时的泄漏率不大于 3cm³/min;
b)试验温度为 23℃±2℃ 时的泄漏率不大于 5cm³/min;
c)试验温度为 -40℃±2℃ 时的泄漏率不大于 7cm³/min。
2.2 试验方法
2.2.1 试验样品:同 1.2.1。
2.2.2 试验样品按照图 1 所示安装在温度可周期性变化的环境试验箱中。
2.2.3 向试验样品内通入在 1.5MPa±0.07MPa 和 0.07MPa±0.007MPa 之间交替变化的气压,按照图 2 所示每小时变化 4 次。
2.2.4 将试验样品按图 2 所示的温度变化顺序进行处理:
a)在室温下放置 2h±0.5h;
b)在 104℃±2℃(非金属间插式快插接头为 80℃±2℃)温度下放置 12h±0.5h;
c)在室温下放置 2h±0.5h;
d)在 -40℃±2℃ 温度下放置 2h±0.5h;
e)在室温温度下放置 2h±0.5h。
2.2.5 按图 2 中规定的试验过程完成后,在规定的测试点测量并记录系统泄漏率。

图 2 密封性试验循环示意图
3、低温密封性
3.1 技术要求
快插接头泄漏率不应大于 7cm³/min。
3.2 试验方法
3.2.1 试验样品同 1.2.1。
3.2.2 将试验样品按照图 1 所示安装到试验装置上,在 -40℃±2℃ 环境温度下放置 16h±0.5h。
3.2.3 将气压制动管连接到密封性测试装置,加压至 1.5MPa±0.07MPa,记录系统泄漏率。
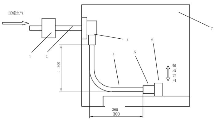
4、高低温振动密封性
4.1 技术要求
快插接头高低温振动密封性应满足如下要求:
a)试验温度为 104℃±2℃ 时的泄漏率不大于 3cm³/min;
b)试验温度为 -40℃±2℃ 时的泄漏率不大于 7cm³/min。
4.2 试验方法
4.2.1 试验样品
5 套气压制动管两端均连接快插接头的装配组件,气压制动管长度为 625mm±5mm。
4.2.2 将试验样品按图 3 所示连接在振动试验台上,气压制动管的弯曲部位不得出现折痕。
4.2.3 按照表 1 所给的试验顺序和试验条件,以 10Hz 的振动频率和 12mm 的振幅对一端快插接头进行振动试验,总振动次数为 100 万次。
4.2.4 在振动过程中,快插接头与气压制动管组件不应受其他轴向拉伸力。
4.2.5 分别在 75 万次和 100 万次振动结束后,在 1.5MPa±0.07MPa 压力和试验环境温度下进行密封性检测,并记录系统泄漏率。

1——气压密封检测仪;2、3——气压制动管;4、5——快插接头:6——堵头工装:7——环境试验箱。
图 3 振动试验装置示意图

5、横向载荷密封性
5.1 技术要求
直插式快插接头受横向载荷时的泄漏率不应大于 5cm³/min。
5.2 试验方法
5.2.1 试验样品
5 套气压制动管两端均连接直插式直通快插接头的装配组件,气压制动管长度见表 2。
5.2.2 将试验样品安装在图 4 所示的试验装置上,通过可调端将试验快插接头中心线之间的距离调节到表 2 规定的试验距离。
5.2.3 在室温下将试验样品加压至 1.5MPa±0.07MPa,保压 5min±0.5min。如果试验期间气压制动管弯折,则应使用另一件新试验样品重新开始试验。
5.2.4 测量并记录在 1.5MPa±0.07MPa 压力下的系统泄漏率。

1——气压密封检测仪:2、3——气压制动管;4、6——快插接头;5——固定夹具工装;7——可移动夹具工装。
图 4 横向载荷试验装置示意图
