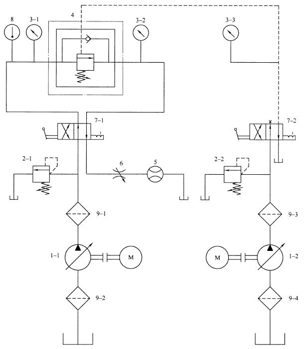
耐压性及(内/外)泄漏量是液压顺序阀的出厂试验项目内容之二,液压顺序阀出厂试验回路原理见下图 1 所示,具体试验方法如下:

1-1、1-2——液压泵;2-1、2-2——溢流阀;3-1、3-2、3-3——压力表;4——被试阀;5——流量计;
6——节流阀;7-1、7-2——手动换向阀;8——温度计;9-1、9-2、9-3、9-4——过滤器。
图 1 液压顺序阀出厂试验回路原理图
1、液压顺序阀耐压性试验方法
泄油口与油箱连通。对各承压施加耐压试验压力,耐压试验压力为该油口最高工作压力的 1.5 倍,试验压力以每秒 2% 耐压试验压力的速率递增,达到后,保压 5min。
2、液压顺序阀泄露量试验方法
液压顺序阀的泄露量试验分为内泄漏量试验及外泄漏量试验,对应的试验方法如下:
2.1 内泄漏量
a)内控顺序阀:调节被试阀和溢流阀 2-1,使被试阀的设定压力至调压范围上限值,并使通过被试阀的流量为试验流量。然后调节溢流阀 2-1,使系统压力下降至被试阀调压范围上限值的 50%,调定 30s 后在被试阀的出口测量内泄漏量。
b)外控顺序阀:调节溢流阀 2-1 的压力至被试阀的调压范围上限值,并使通过被试阀的流量为试验流量。调节溢流阀 2-2 的压力和被试阀的压力至被试阀的调压范围上限值,再分别调节溢流阀 2-1、2-2 的压力至被试阀调压范围上限值的 50%,调定 30s 后在被试阀的出口测量内泄漏量。
2.2 外泄漏量
a)内控顺序阀:关闭节流阀 6,调节溢流阀 2-1 至被试阀的额定压力,调定 30s 后在被试阀的泄油口测量外泄漏量。
b)外控顺序阀:关闭节流阀 6,调节溢流阀 2-1、2-2 至被试阀的额定压力,调定 30s 后在被试阀的泄油口测量外泄漏量。
以上就是今天的分享!如果您对用于上述试验的液压顺序阀耐压及泄漏量试验装置感兴趣,欢迎与我们联系!电话:0755-8889 8859.
