今天给大家带来的分享是关于闸阀静压寿命试验的技术要求及试验方法(如果您感兴趣的是用于该试验的闸阀静压寿命试验试验系统,欢迎与我们联系!电话:0755-8889 8859)。
1、闸阀静压寿命试验技术要求
1.1 需进行静压寿命试验的闸阀,密封性能应符合 GB/T 13927 或 GB/T 26480 的规定。
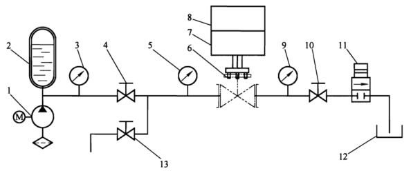
1.2 静压寿命试验的试验系统原理如图 1 所示。
1.3 闸阀试验时,阀杆应竖直朝上安装。当有介质流向要求时,应按流向指示方向安装。
1.4 无论闸阀采用何种驱动方式操作,进行静压寿命试验时,其所配带的操作装置应一同进行启闭循环试验。
1.5 试验介质为常温水或气体。
1.6 静压寿命试验时,闸阀到达关闭位置后,应将闸阀的出口侧介质压力泄压;闸阀由全关位置开启时,其两端的介质压差为 1〜1.1 倍最大允许工作压力;闸阀关闭过程中,体腔内应充满试验介质并保持 50% 以上的最大允许工作压力。
1.7 静压寿命试验时,应按闸阀密封方式进行关闭操作。平面密封的平板闸阀以控制关闭位置的方式关闭,因此应由驱动装置操作控制闸阀的关闭位置;楔式闸阀和双闸板闸阀,应由驱动装置输出力矩控制闸阀的关闭状态。以全关保持密封位置为起点,阀门的开度应达到其实际开度的 90% 以上。开启行程位置的偏差应不超过 5%。

说明:
1——泵;2——稳压容器;3——压力表;4——进水阀;5——阀前压力表;6——被试阀;7——行程控制机构;
8——驱动机构;9——阀后压力表;10——阀后控制阀;11——泄压阀;12——水箱;13——进气阀。
图 1 静压寿命试验系统原理
1.8 闸阀的操作力矩,为密封性能试验时可以保持密封性能的情况下,测量所得到的启闭操作的操作力矩。
1.9 静压寿命试验过程中,每启闭循环 300 次或双方协商确定的次数,进行一次密封性能检査。密封性能合格后,继续试验。双向密封的闸阀,应两个方向都进行密封性能试验。
1.10 启闭循环试验期间,若操作机构的输出力矩不满足闸阀密封性能,允许调整操作机构的力矩。手动或蜗轮蜗杆机构操作的闸阀,施加在手柄或手轮上的操作力不得超过 360N;电动、液动、气动或其他电-液气联动装置操作的闸阀,用其他配带操作机构调整操作力矩,不得更换执行机构进行试验。
1.11 静压寿命试验记录参见附录 A。
2、闸阀静压寿命试验试验方法
2.1 按 1.3 的要求安装闸阀。
2.2 手动操作的闸阀,以常温时的最大允许工作压力为闸阀的压差,用指示式扭力扳手测量闸阀的开启和关闭时的最大操作力矩。检测3次,取最大值。
2.3 按 2.2 测得的力矩调整驱动机构的控制方式和输出力矩,以符合闸阀的关闭密封的操作要求,并经密封性能试验达到密封性能要求。除调整操作力矩外,还应调整开闭位置。
2.4 达到 1.9 的规定或客户要求的启闭循环次数时,检査密封面的泄漏情况,结果合格则继续循环试验。试验中,若操作力矩不满足闸阀启闭操作,应调整驱动机构的输出力矩,以达到密封要求。当操作力矩不符合 1.10 的要求时,应终止试验。
附录 A
(资料性附录)
静压寿命试验记录
静压寿命试验记录见表 A.1
表 A.1 静压寿命试验记录
