今天给大家带来的分享是关于消防用软管的脉冲压力试验要求及试验程序的内容。
消防软管是指消防用橡胶和塑料吸引软管,分为 A 型(橡胶)软管(适用于-20℃最低温度),B 型(热塑性塑料)软管。根据相关标准规定,其中的 B 型(热塑性塑料)软管(以下简称软管)需要进行耐压力脉冲性能试验,下面我们来了解一下。
软管应按以下规定进行耐压力脉冲性能试验,在最少 10 000 次周期之前试样不应泄漏或破裂。如果在距试样其中一端一个直径长度之内失效,那么该次试验应作废,而应再试验一个试样。
1、试样
应试验至少 3 根带有管接头的软管试样。管接头之间的净距离应至少为软管内径的 5 倍。
2、试验设备
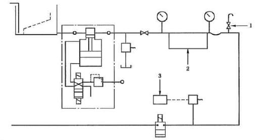
一套试验装置能够施加一种可在预定水平释放,迟延一固定时间,然后能够重复脉冲周期的液压内压的环路。脉冲周期应符合图 1的压力 - 时间要求。一套适合的试验装置应符合图 2。

图 1 压力脉冲周期

1——放气阀;2——试样;3——定时器。
图 2 适合的脉冲试验回路
3、试验流体
试验流体应为可适当染色的水。
4、调节
在软管制造之后 24 h 以内不应进行试验。试样应在试验前在(23±2)℃ 下调节至少 3 h。
注:调节的 3 h可包括在制造后的 24 h之内。
5、程序
将试样以平直状态连接到试验装置上,并确保试验流体和环境条件的温度都为(23±2)℃。排除试样中所有空气,并施加 10 000 次脉冲循环。
试验周期(见图 1)的最大压力应为 0.18 MPa。
注:由于该试验时间长,允许有短时间的中断。试验可从中断点恢复,伹是这应在试验报告中加以说明。
6、试验报告
试验报告应包括下列内容
a)少于 10 000 次的失效周期;
b)每个试样失效的位置和方式;
c)如适用,所使用的试验流体和染料。
以上就是今天的分享!如果您对用于上述试验软管脉冲试验装置感兴趣,欢迎与我们联系!电话:0755-8889 8859 QQ:459675648。
